电脑桌面
添加小米粒文库到电脑桌面
安装后可以在桌面快捷访问

闸门埋件安装VIP免费

闸门埋件安装_第1页
1/6
闸门埋件安装_第2页
2/6
闸门埋件安装_第3页
3/6
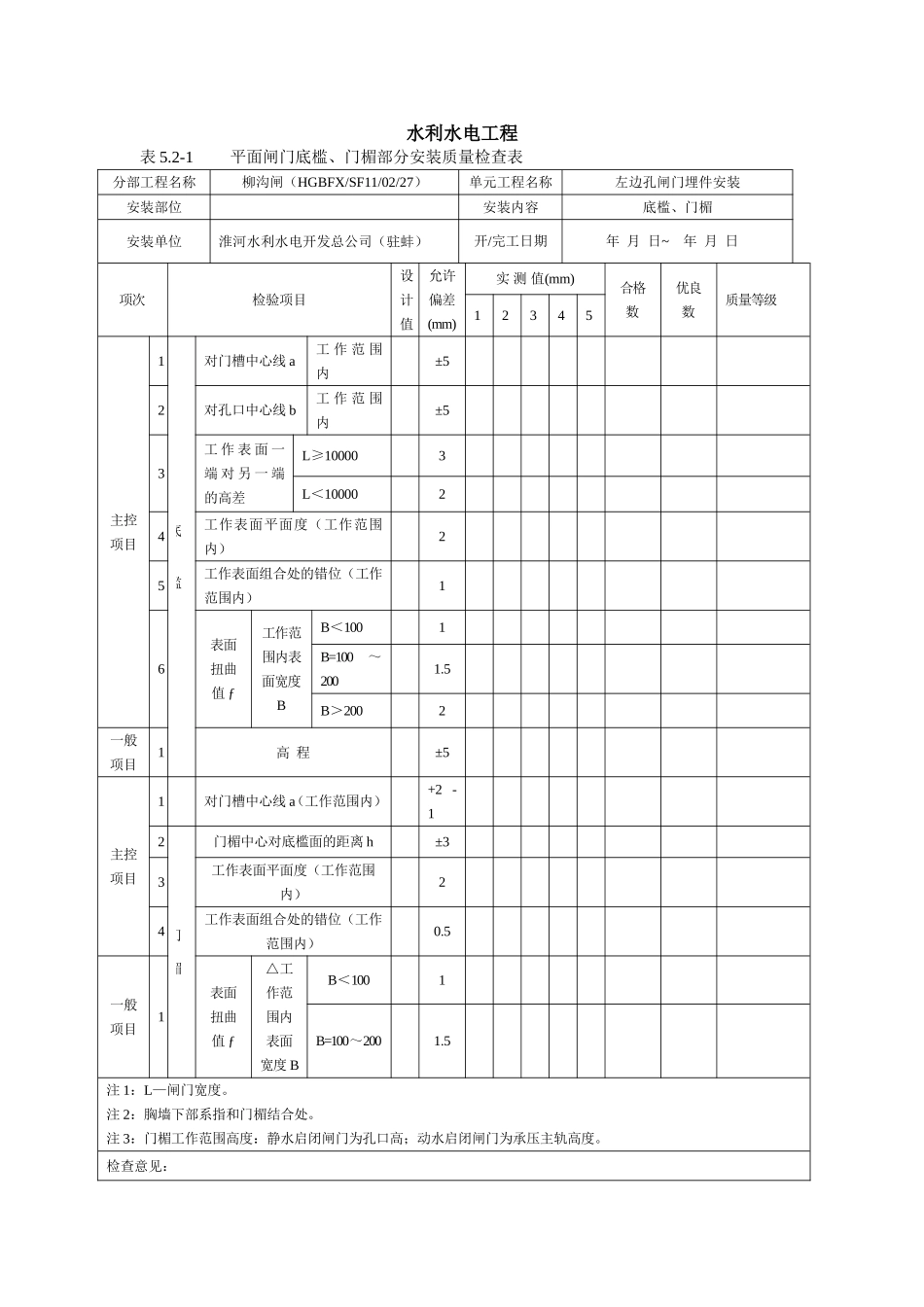
水利水电工程表5.2平面闸门埋件单元工程安装质量验收评定表单位工程名称淮河干流蚌埠~浮山段行洪区调整和建设工程施工XI标堤防工程(HGBFXF/S11/02)单元工程量分部工程名称柳沟闸(HGBFXF/S11/02/27)安装单位淮河水利水电开发总公司(驻蚌)单元工程名称、部位左边孔闸门埋件安装评定日期年月日项次项目主控项目(个)一般项目(个)合格数其中优良数合格数其中优良数1底槛、门楣部分安装2主轨、侧轨部分安装3侧止水座板、反轨4胸墙、护角部分安装试运行效果质量标准安装单位自评意见各项试验和单元工程试运转符合要求,各项报验资料符合规定。检验项目全部合格。检验项目优良标准率为,其中主控项目优良标准率为,单元工程安装质量验收评定等级为。(签字,加盖公章)年月日监理单位意见各项试验和单元工程试运转符合要求,各项报验资料符合规定。检验项目全部合格。检验项目优良标准率为,其中主控项目优良标准率为,单元工程安装质量验收评定等级为。(签字,加盖公章)年月日注1:主控项目和一般项目中的合格数是指达到合格及以上质量标准的项目个数。注2:检验项目优良标准率=(主控项目优良数+一般项目优良数)/检验项目总数×100%。水利水电工程表5.2-1平面闸门底槛、门楣部分安装质量检查表分部工程名称柳沟闸(HGBFX/SF11/02/27)单元工程名称左边孔闸门埋件安装安装部位安装内容底槛、门楣安装单位淮河水利水电开发总公司(驻蚌)开/完工日期年月日~年月日项次检验项目设计值允许偏差(mm)实测值(mm)合格数优良数质量等级12345主控项目1底槛对门槽中心线a工作范围内±52对孔口中心线b工作范围内±53工作表面一端对另一端的高差L≥100003L<1000024工作表面平面度(工作范围内)25工作表面组合处的错位(工作范围内)16表面扭曲值ƒ工作范围内表面宽度BB<1001B=100~2001.5B>2002一般项目1高程±5主控项目1对门槽中心线a(工作范围内)+2-12门楣门楣中心对底槛面的距离h±33工作表面平面度(工作范围内)24工作表面组合处的错位(工作范围内)0.5一般项目1表面扭曲值ƒ△工作范围内表面宽度BB<1001B=100~2001.5注1:L—闸门宽度。注2:胸墙下部系指和门楣结合处。注3:门楣工作范围高度:静水启闭闸门为孔口高;动水启闭闸门为承压主轨高度。检查意见:主控项目共项,其中合格项,合格率;优良项,优良率。一般项目共项,其中合格项,合格率;优良项,优良率。测量人年月日安装单位评定人年月日监理工程师年月日水利水电工程表5.2-2平面闸门主轨、侧轨部分安装质量检查表分部工程名称柳沟闸(HGBFX/SF11/02/27)单元工程名称左边孔闸门埋件安装安装部位安装内容主轨、侧轨安装单位淮河水利水电开发总公司(驻蚌)开/完工日期年月日~年月日项次检验项目设计值允许偏差(mm)实测值(mm)合格数质量等级加工不加工左右主控项目1主轨对门槽中心线a工作范围内+2-1+3-12对孔口中心线b工作范围内±3±33工作表面平整度工作范围内—2.04工作表面组合处的错位工作范围内0.515工作表面扭曲f工作范围内表面宽度BB<1000.51B=100~20012B>20012一般项目1对门槽中心线a工作范围外+3-1+5-22对孔口中心线b工作范围外±4±43工作表面组合处的错位工作范围外124工作表面扭曲f工作范围外允许增加值22主控项目1侧轨对门槽中心线a工作范围内±52对孔口中心线b工作范围内±53工作表面组合处的错位工作范围内14工作表面扭曲f工作范围内表面宽度BB<10025B=100~2002.5B>2003一般项目1对门槽中心线a工作范围外±52对孔口中心线b工作范围外±53工作表面组合处的错位工作范围外24工作表面扭曲f工作范围外允许增加值2注1:L—闸门宽度。注2:胸墙下部系指和门楣结合处。注3:门楣工作范围高度:静水启闭闸门为孔口高;动水启闭闸门为承压主轨高度。检查意见:主控项目共项,其中合格项,合格率;优良项,优良率。一般项目共项,其中合格项,合格率;优良项,优良率。测量人年月日安装单位评定人年月日监理工程师年月日水利水电工程表5.2-3平面闸门侧止水座板、反轨部分安装质量检查表分部工程名称柳沟闸(HGBFX/SF11/02/27)单元工程名称左边孔闸门埋件安装安装部位安装内容侧止水座板、反轨安...

1、当您付费下载文档后,您只拥有了使用权限,并不意味着购买了版权,文档只能用于自身使用,不得用于其他商业用途(如 [转卖]进行直接盈利或[编辑后售卖]进行间接盈利)。
2、本站所有内容均由合作方或网友上传,本站不对文档的完整性、权威性及其观点立场正确性做任何保证或承诺!文档内容仅供研究参考,付费前请自行鉴别。
3、如文档内容存在违规,或者侵犯商业秘密、侵犯著作权等,请点击“违规举报”。

碎片内容

闸门埋件安装

确认删除?
VIP
微信客服
  • 扫码咨询
会员Q群
  • 会员专属群点击这里加入QQ群
客服邮箱
回到顶部