电脑桌面
添加小米粒文库到电脑桌面
安装后可以在桌面快捷访问

无梁楼盖计算VIP免费

无梁楼盖计算_第1页
1/5
无梁楼盖计算_第2页
2/5
无梁楼盖计算_第3页
3/5
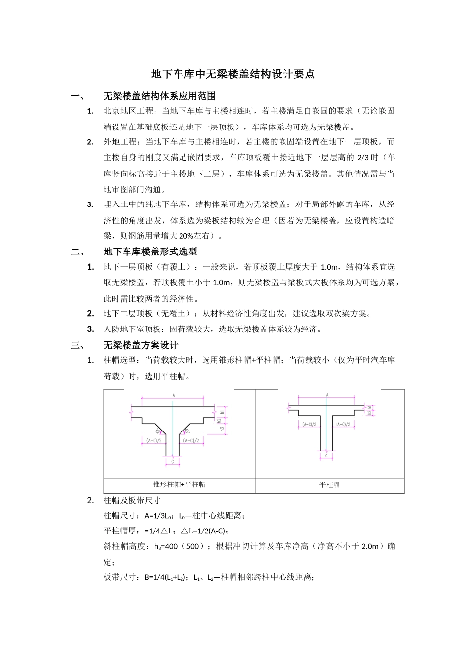
地下车库中无梁楼盖结构设计要点一、无梁楼盖结构体系应用范围1.北京地区工程:当地下车库与主楼相连时,若主楼满足自嵌固的要求(无论嵌固端设置在基础底板还是地下一层顶板),车库体系均可选为无梁楼盖。2.外地工程:当地下车库与主楼相连时,若主楼的嵌固端设置在地下一层顶板,而主楼自身的刚度又满足嵌固要求,车库顶板覆土接近地下一层层高的2/3时(车库竖向标高接近于主楼地下二层),车库体系可选为无梁楼盖。其他情况需与当地审图部门沟通。3.埋入土中的纯地下车库,结构体系可选为无梁楼盖;对于局部外露的车库,从经济性的角度出发,体系选为梁板结构较为合理(因若为无梁楼盖,应设置构造暗梁,则钢筋用量增大20%左右)。二、地下车库楼盖形式选型1.地下一层顶板(有覆土):一般来说,若顶板覆土厚度大于1.0m,结构体系宜选取无梁楼盖,若顶板覆土小于1.0m,则无梁楼盖与梁板式大板体系均为可选方案,此时需比较两者的经济性。2.地下二层顶板(无覆土):从材料经济性角度出发,建议选取双次梁方案。3.人防地下室顶板:因荷载较大,选取无梁楼盖体系较为经济。三、无梁楼盖方案设计1.柱帽选型:当荷载较大时,选用锥形柱帽+平柱帽;当荷载较小(仅为平时汽车库荷载)时,选用平柱帽。锥形柱帽+平柱帽平柱帽2.柱帽及板带尺寸柱帽尺寸:A=1/3L0;L0—柱中心线距离;平柱帽厚:=1/4△L;△L=1/2(A-C);斜柱帽高度:h3=400(500);根据冲切计算及车库净高(净高不小于2.0m)确定;板带尺寸:B=1/4(L1+L2);L1、L2—柱帽相邻跨柱中心线距离;3.端柱网柱网的跨度大小直接决定着板厚及配筋,一般来说,车库的柱网在8.0m~8.4m之间较为合理,当跨度大于此值时,应增加柱子或墙体等竖向承重构件,特别对于端跨,柱网的变化对配筋的影响非常明显,端跨应小于或等于中间跨跨度。4.板带区域分割1)正交柱网与斜交柱网交界处需设置大梁,分为两个独立区域分别进行计算(图1).2)主楼凹凸边缘处,如车库柱距主楼外墙距离过大,则需在主楼外墙凹口处设置边梁,减小计算跨度。(图2)3)对于局部存在但不连续的一排柱网,应在不连续边界处横向设置大梁,为此排板带提供边界。(图3)4)由于楼梯、竖井等局部剪力墙的存在,致使板带在此区域颈缩,仅单跨或不足单跨板带通过,则应设置大梁将板带分区。(图4)5.降板无梁楼盖结构体系不宜局部降板,当必须降板时,降板高度应不大于300mm且不应大于板厚,降板节点参照图集—11G101-1第99页。6.柱网不对齐由于建筑使用功能的要求,局部柱网中心线未对齐,错位尺寸应不大于1.0m,且应采取如下应对措施(图5):1)加大柱上板带宽度,使其包络错位柱帽;2)加大错位处横向柱上板带的配筋,必要时可设置暗梁;四、无梁楼盖整体计算无梁楼盖板柱结构车库的计算分为两大部分,整体计算及楼盖的计算。整体计算的部分可以通过PKPM软件的SATWE软件进行,其步骤如下:1.PM建模:真实输入内墙,挡土外墙、柱、梁等构件,无梁楼盖部分在柱网处应输入100x100虚梁。2.荷载输入:恒载(覆土、面层、设备重)、活载(消防车荷载、地面堆载、停车库、行车道活载)。3.指定导荷方向:与普通的有梁楼盖结构不同,无梁楼盖板柱结构在x、y两个方向独立承担全部荷载(荷载被用了两次),周边梁将承受相邻无梁楼盖全部荷载的1/2而不是1/4,类似于单向板导荷,故在整体计算时应指定导荷方向,垂直相交梁处,荷载应导两次,以免梁的配筋结果偏小。4.计算时不计风荷载、不计地震作用。但应按三级抗震计算配筋。5.定义无梁楼盖楼板为弹性板6,因弹性板6能够真实的模拟面外刚度,使柱在上节点处的弯矩平衡,故柱的配筋计算正确;梁配筋计算时,弹性板6为梁的真实配筋结果(弹性板的计算结果要小于刚性板),故也可采用。五、等代框架法计算无梁楼盖1.冲切计算:Fl≤0.7βhftηumh0(混凝土结构设计规范第73页)1)柱帽对板的冲切:冲切计算不满足要求时,可加大板厚或提高混凝土的强度等级,一般来说,板的砼强度等级不得大于C35,否则易开裂。2)柱对板的冲切:冲切计算不满足时,可加大柱帽高度,对于锥形斜柱帽,可加大斜柱帽段的高度。3)冲切计算模型详见\\Dataserver\文件交换区...

1、当您付费下载文档后,您只拥有了使用权限,并不意味着购买了版权,文档只能用于自身使用,不得用于其他商业用途(如 [转卖]进行直接盈利或[编辑后售卖]进行间接盈利)。
2、本站所有内容均由合作方或网友上传,本站不对文档的完整性、权威性及其观点立场正确性做任何保证或承诺!文档内容仅供研究参考,付费前请自行鉴别。
3、如文档内容存在违规,或者侵犯商业秘密、侵犯著作权等,请点击“违规举报”。

碎片内容

无梁楼盖计算

书海行舟+ 关注
实名认证
内容提供者

热爱教学事业,对互联网知识分享很感兴趣

相关文档

确认删除?
VIP
微信客服
  • 扫码咨询
会员Q群
  • 会员专属群点击这里加入QQ群
客服邮箱
回到顶部