电脑桌面
添加小米粒文库到电脑桌面
安装后可以在桌面快捷访问

广东省陶瓷生产企业安全生产规范化管理标准VIP免费

广东省陶瓷生产企业安全生产规范化管理标准_第1页
1/9
广东省陶瓷生产企业安全生产规范化管理标准_第2页
2/9
广东省陶瓷生产企业安全生产规范化管理标准_第3页
3/9
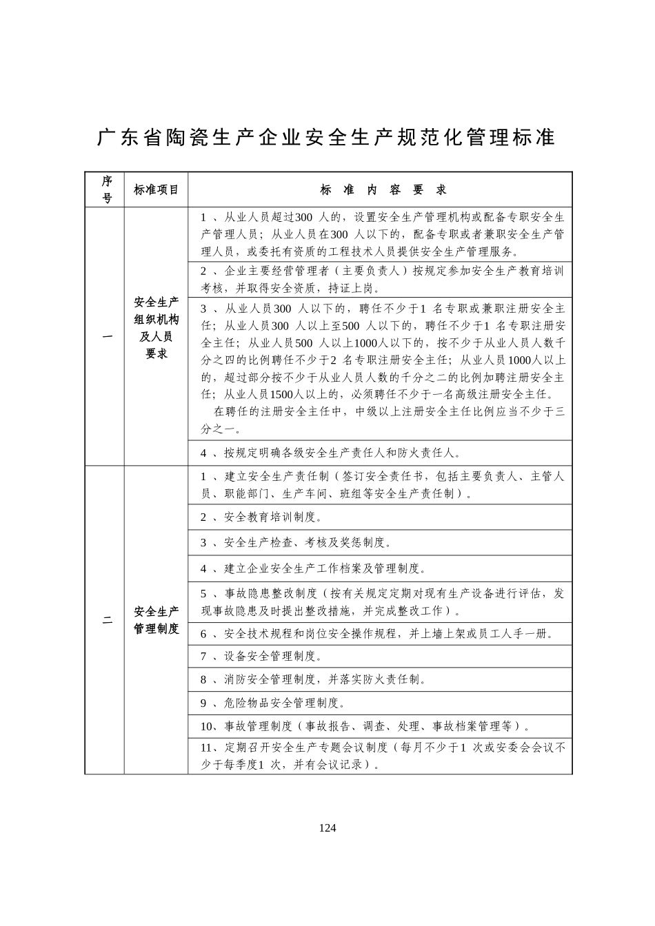
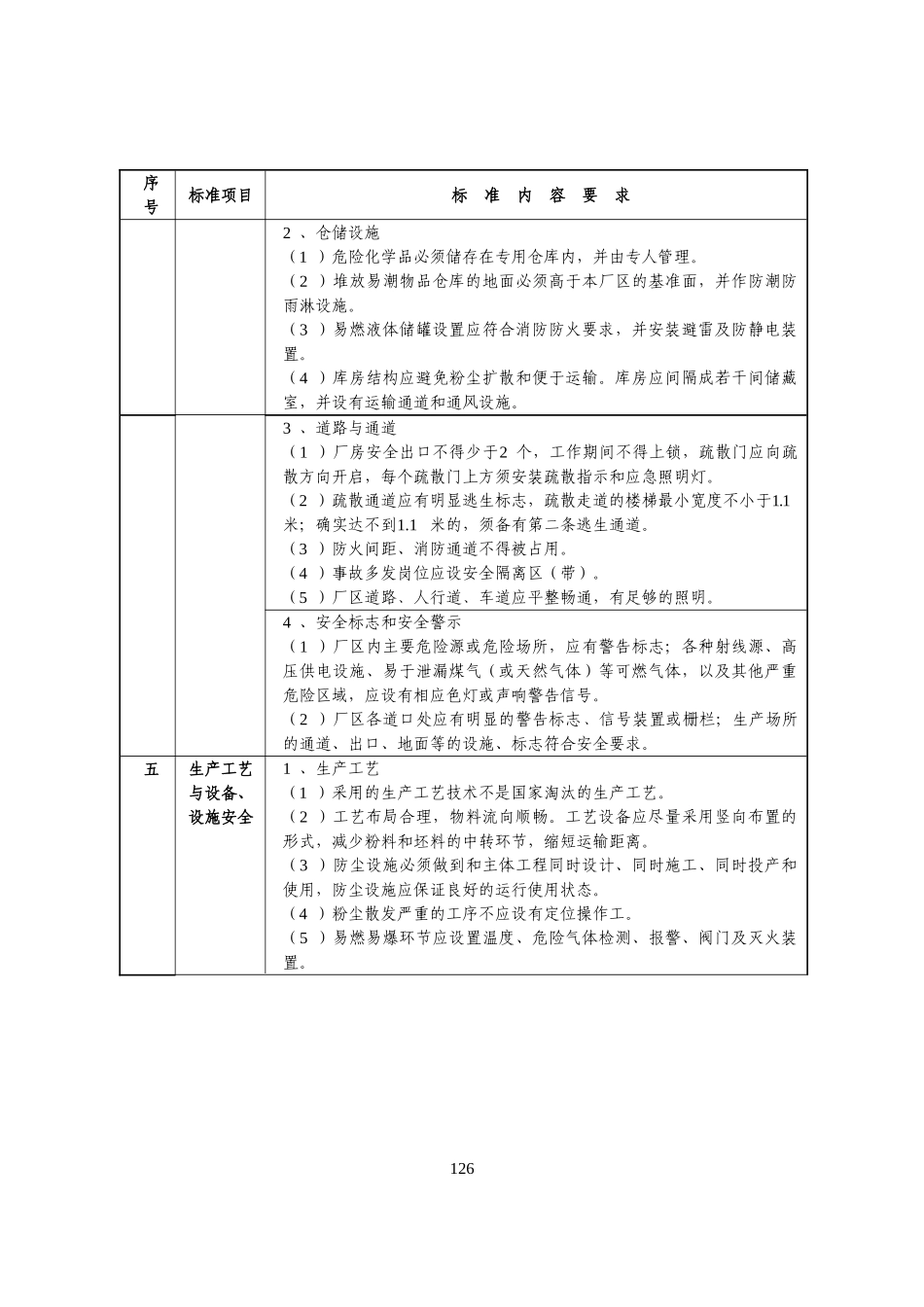
广东省陶瓷生产企业安全生产规范化管理标准序号标准项目标准内容要求一安全生产组织机构及人员要求1、从业人员超过300人的,设置安全生产管理机构或配备专职安全生产管理人员;从业人员在300人以下的,配备专职或者兼职安全生产管理人员,或委托有资质的工程技术人员提供安全生产管理服务。2、企业主要经营管理者(主要负责人)按规定参加安全生产教育培训考核,并取得安全资质,持证上岗。3、从业人员300人以下的,聘任不少于1名专职或兼职注册安全主任;从业人员300人以上至500人以下的,聘任不少于1名专职注册安全主任;从业人员500人以上1000人以下的,按不少于从业人员人数千分之四的比例聘任不少于2名专职注册安全主任;从业人员1000人以上的,超过部分按不少于从业人员人数的千分之二的比例加聘注册安全主任;从业人员1500人以上的,必须聘任不少于一名高级注册安全主任。在聘任的注册安全主任中,中级以上注册安全主任比例应当不少于三分之一。4、按规定明确各级安全生产责任人和防火责任人。二安全生产管理制度1、建立安全生产责任制(签订安全责任书,包括主要负责人、主管人员、职能部门、生产车间、班组等安全生产责任制)。2、安全教育培训制度。3、安全生产检查、考核及奖惩制度。4、建立企业安全生产工作档案及管理制度。5、事故隐患整改制度(按有关规定定期对现有生产设备进行评估,发现事故隐患及时提出整改措施,并完成整改工作)。6、安全技术规程和岗位安全操作规程,并上墙上架或员工人手一册。7、设备安全管理制度。8、消防安全管理制度,并落实防火责任制。9、危险物品安全管理制度。10、事故管理制度(事故报告、调查、处理、事故档案管理等)。11、定期召开安全生产专题会议制度(每月不少于1次或安委会会议不少于每季度1次,并有会议记录)。124序号标准项目标准内容要求12、劳保用品的采购、验收、保管、发放、使用、更换、报废和劳保用品专项经费等管理制度。三从业人员安全管理1、企业按规定与从业人员签劳动合同,并有安全责任条款的内容。2、员工入厂必须经过厂部、车间、班组三级安全教育、培训,并经考核合格才能上岗作业。3、特种作业人员应当经专门安全作业培训并考核合格,取得特种作业操作资格证,且资格证在有效期内方可从事特种作业。4、岗位作业人员熟悉并遵守作业操作规程。5、相关岗位作业人员应熟悉消防设备的使用。6、岗位作业人员掌握紧急情况下的应急措施。7、企业为全部员工缴纳职工工伤保险。四厂区安全管理1、建构筑物(1)建筑结构符合国家标准和有关规定;新建、改建、扩建、室内装修项目及燃油(气)锅炉等设施必须经消防审核并验收合格后方可投入使用。(2)不得在设有车间或仓库的建筑内设宿舍或饭堂。(3)煤气站、油站、配气站的主厂房与辅助设施应符合建筑防火安全要求。(4)厂房、仓库、烟囱等高大建筑物及易燃、易爆等危险设施,应按国家标准安装避雷设施,防雷装置应按规定定期检测,确保防雷设施完好。(5)普通仓库与车间应分楼层设置,确因生产需要而同层时,应用实体砖墙分隔到顶。(6)车间、仓库、办公室、员工宿舍不得用可燃材料装修、分隔。(7)厂区内的坑﹑沟﹑池﹑井,应设置安全盖板或安全防护栏。(8)厂房内的开启式侧窗应设在常年主导风向迎风面的墙上,距地面的高度一般不低于1米。(9)产尘车间地面应平整防滑,坡向排水系统,并应设有冲洗地面和墙壁的设施。(10)多层厂房应有防止含尘空气串联的各项隔离措施。125序号标准项目标准内容要求2、仓储设施(1)危险化学品必须储存在专用仓库内,并由专人管理。(2)堆放易潮物品仓库的地面必须高于本厂区的基准面,并作防潮防雨淋设施。(3)易燃液体储罐设置应符合消防防火要求,并安装避雷及防静电装置。(4)库房结构应避免粉尘扩散和便于运输。库房应间隔成若干间储藏室,并设有运输通道和通风设施。3、道路与通道(1)厂房安全出口不得少于2个,工作期间不得上锁,疏散门应向疏散方向开启,每个疏散门上方须安装疏散指示和应急照明灯。(2)疏散通道应有明显逃生标志,疏散走道的楼梯最小宽度不小于1.1米;确实达不到1.1米的,须备有第二条逃...

1、当您付费下载文档后,您只拥有了使用权限,并不意味着购买了版权,文档只能用于自身使用,不得用于其他商业用途(如 [转卖]进行直接盈利或[编辑后售卖]进行间接盈利)。
2、本站所有内容均由合作方或网友上传,本站不对文档的完整性、权威性及其观点立场正确性做任何保证或承诺!文档内容仅供研究参考,付费前请自行鉴别。
3、如文档内容存在违规,或者侵犯商业秘密、侵犯著作权等,请点击“违规举报”。

碎片内容

广东省陶瓷生产企业安全生产规范化管理标准

您可能关注的文档

确认删除?
VIP
微信客服
  • 扫码咨询
会员Q群
  • 会员专属群点击这里加入QQ群
客服邮箱
回到顶部