电脑桌面
添加小米粒文库到电脑桌面
安装后可以在桌面快捷访问

看钢筋图钢筋符号大全VIP免费

看钢筋图钢筋符号大全_第1页
1/13
看钢筋图钢筋符号大全_第2页
2/13
看钢筋图钢筋符号大全_第3页
3/13
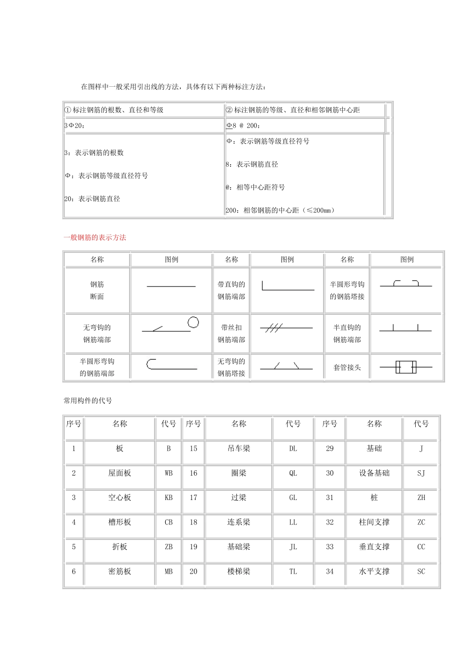
如何看钢筋图纸热扎钢筋等级和直径符号强度等级代号外形钢种公称直径mm符号主要用途常用材料HPB235光圆低碳钢8--20非预应力Q235HRB335月牙肋合金钢6--50非预应力、预应力20MnSiHRB4006--5025MnSiRRB4006--50预应力40Si2MnV钢筋的标注在图样中一般采用引出线的方法,具体有以下两种标注方法:①标注钢筋的根数、直径和等级②标注钢筋的等级、直径和相邻钢筋中心距3Ф20:Ф8@200:3:表示钢筋的根数Ф:表示钢筋等级直径符号20:表示钢筋直径Ф:表示钢筋等级直径符号8:表示钢筋直径@:相等中心距符号200:相邻钢筋的中心距(≤200mm)一般钢筋的表示方法名称图例名称图例名称图例钢筋断面带直钩的钢筋端部半圆形弯钩的钢筋塔接无弯钩的钢筋端部带丝扣钢筋端部半直钩的钢筋端部半圆形弯钩的钢筋端部无弯钩的钢筋塔接套管接头常用构件的代号序号名称代号序号名称代号序号名称代号1板B15吊车梁DL29基础J2屋面板WB16圈梁QL30设备基础SJ3空心板KB17过梁GL31桩ZH4槽形板CB18连系梁LL32柱间支撑ZC5折板ZB19基础梁JL33垂直支撑CC6密筋板MB20楼梯梁TL34水平支撑SC7楼梯板TB21懔条LT35梯T8盖板或沟盖板GB22屋架WJ36雨蓬YP9挡雨板或口板檐板YB23托架TJ37阳台YT10吊车安全走道板DB24天窗架CJ38梁垫LD11墙板QB25框架KJ39预埋件M12天沟板TGB26钢架GJ40天窗端壁TD13梁L27支架ZJ41钢筋网W14屋面梁WL28柱Z42钢筋骨架G一、梁上主筋和梁下主筋同时表示方法:⑴3Φ22,3Φ20表示上部钢筋为3Φ22,下部钢筋为3Φ20。⑵2φ12,3Φ18表示上部钢筋为2φ12,下部钢筋为3Φ18。⑶4Φ25,4Φ25表示上部钢筋为4Φ25,下部钢筋为4Φ25。⑷3Φ25,5Φ25表示上部钢筋为3Φ25,下部钢筋为5Φ25。二、梁上部钢筋表示方法:(标在梁上支座处)⑴2Φ20表示两根Φ20的钢筋,通长布置,用于双肢箍。⑵2Φ22+(4Φ12)表示2Φ22为通长,4φ12架立筋,用于六肢箍。⑶6Φ254/2表示上部钢筋上排为4Φ25,下排为2Φ25。⑷2Φ22+2Φ22表示只有一排钢筋,两根在角部,两根在中部,均匀布置三、梁腰中钢筋表示方法:⑴G2φ12表示梁两侧的构造钢筋,每侧一根φ12。⑵G4Φ14表示梁两侧的构造钢筋,每侧两根Φ14。⑶N2Φ22表示梁两侧的抗扭钢筋,每侧一根Φ22。⑷N4Φ18表示梁两侧的抗扭钢筋,每侧两根Φ18。四、梁下部钢筋表示方法:(标在梁的下部)⑴4Φ25表示只有一排主筋,4Φ25全部伸入支座内。⑵6Φ252/4表示有两排钢筋,上排筋为2Φ25,下排筋4Φ25。⑶6Φ25(-2)/4表示有两排钢筋,上排筋为2Φ25,不伸入支座,下排筋4Φ25,全部伸入支座。⑷2Φ25+3Φ22(-3)/5Φ25表示有两排筋,上排筋为5根。2Φ25伸入支座,3Φ22,不伸入支座。下排筋5Φ25,通长布置。一、箍筋表示方法:⑴φ10@100/200(2)表示箍筋为φ10,加密区间距100,非加密区间距200,全为双肢箍。⑵φ10@100/200(4)表示箍筋为φ10,加密区间距100,非加密区间距200,全为四肢箍。⑶φ8@200(2)表示箍筋为φ8,间距为200,双肢箍。⑷φ8@100(4)/150(2)表示箍筋为φ8,加密区间距100,四肢箍,非加密区间距150,双肢箍。一、梁上主筋和梁下主筋同时表示方法:⑴3Φ22,3Φ20表示上部钢筋为3Φ22,下部钢筋为3Φ20。⑵2φ12,3Φ18表示上部钢筋为2φ12,下部钢筋为3Φ18。⑶4Φ25,4Φ25表示上部钢筋为4Φ25,下部钢筋为4Φ25。⑷3Φ25,5Φ25表示上部钢筋为3Φ25,下部钢筋为5Φ25。二、梁上部钢筋表示方法:(标在梁上支座处)⑴2Φ20表示两根Φ20的钢筋,通长布置,用于双肢箍。⑵2Φ22+(4Φ12)表示2Φ22为通长,4φ12架立筋,用于六肢箍。⑶6Φ254/2表示上部钢筋上排为4Φ25,下排为2Φ25。⑷2Φ22+2Φ22表示只有一排钢筋,两根在角部,两根在中部,均匀布置。三、梁腰中钢筋表示方法:⑴G2φ12表示梁两侧的构造钢筋,每侧一根φ12。⑵G4Φ14表示梁两侧的构造钢筋,每侧两根Φ14。⑶N2Φ22表示梁两侧的抗扭钢筋,每侧一根Φ22。⑷N4Φ18表示梁两侧的抗扭钢筋,每侧两根Φ18。四、梁下部钢筋表示方法:(标在梁的下部)⑴4Φ25表示只有一排主筋,4Φ25全部伸入支座内。⑵6Φ252/4表示有两排钢筋,上排筋为2Φ25,下排筋4Φ25。⑶6Φ25(-2)/4表示有两排钢筋,上排筋...

1、当您付费下载文档后,您只拥有了使用权限,并不意味着购买了版权,文档只能用于自身使用,不得用于其他商业用途(如 [转卖]进行直接盈利或[编辑后售卖]进行间接盈利)。
2、本站所有内容均由合作方或网友上传,本站不对文档的完整性、权威性及其观点立场正确性做任何保证或承诺!文档内容仅供研究参考,付费前请自行鉴别。
3、如文档内容存在违规,或者侵犯商业秘密、侵犯著作权等,请点击“违规举报”。

碎片内容

看钢筋图钢筋符号大全

书海行舟+ 关注
实名认证
内容提供者

热爱教学事业,对互联网知识分享很感兴趣

确认删除?
VIP
微信客服
  • 扫码咨询
会员Q群
  • 会员专属群点击这里加入QQ群
客服邮箱
回到顶部