电脑桌面
添加小米粒文库到电脑桌面
安装后可以在桌面快捷访问

露天矿山边坡角设置VIP免费

露天矿山边坡角设置_第1页
1/5
露天矿山边坡角设置_第2页
2/5
露天矿山边坡角设置_第3页
3/5
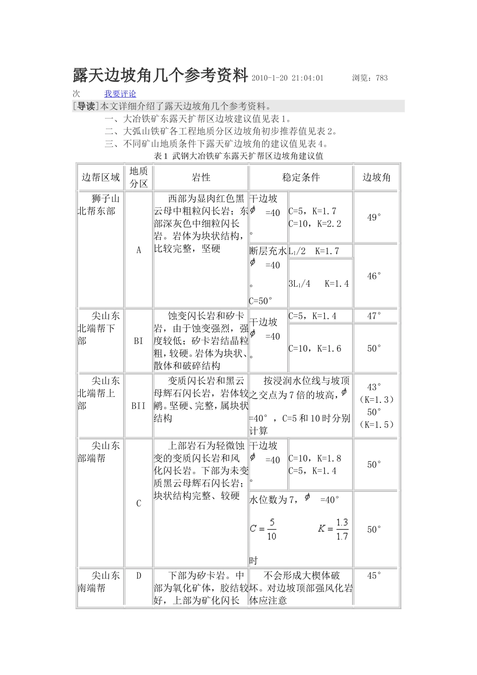
露天边坡角几个参考资料2010-1-2021:04:01浏览:783次我要评论[导读]本文详细介绍了露天边坡角几个参考资料。一、大冶铁矿东露天扩帮区边坡建议值见表1。二、大弧山铁矿各工程地质分区边坡角初步推荐值见表2。三、不同矿山地质条件下露天矿边坡角的建议值见表4。表1武钢大冶铁矿东露天扩帮区边坡角建议值边帮区域地质分区岩性稳定条件边坡角狮子山北帮东部A西部为显肉红色黑云母中粗粒闪长岩;东部深灰色中细粒闪长岩。岩体为块状结构,比较完整,坚硬干边坡=40°C=5,K=1.7C=10,K=2.249°断层充水=40°C=50°L1/2K=1.746°3L1/4K=1.4尖山东北端帮下部BI蚀变闪长岩和矽卡岩,由于蚀变强烈,强度较低;矽卡岩结晶粒粗,较硬。岩体为块状、散体和破碎结构干边坡=40°C=5,K=1.447°C=10,K=1.650°尖山东北端帮上部BII变质闪长岩和黑云母辉石闪长岩,岩体较鹇。坚硬、完整,属块状结构按浸润水位线与坡顶之交点为7倍的坡高,=40°,C=5和10时分别计算43°(K=1.3)50°(K=1.5)尖山东部端帮C上部岩石为轻微蚀变的变质闪长岩和风化闪长岩。下部为未变质黑云母辉石闪长岩;块状结构完整、较硬干边坡=40°C=10,K=1.8C=5,K=1.450°水位数为7,=40°时50°尖山东南端帮D下部为矽卡岩。中部为氧化矿体,胶结较好,上部为矿化闪长不会形成大楔体破坏。对边坡顶部强风化岩体应注意45°岩,近地表风化,局部为半胶结的松散岩体。主要属散体,碎裂结构尖山南帮东部E东部为薄层状石榴子石大理岩,西部为中厚层灰白、灰黑色团块大理岩。圴为致密坚硬大理岩,岩体完整,为层状结构顺层理C=1.5~2=25°~27°40°(K=1.8)切层理C=30~40=30°~33°40°(K=1.5)尖山南帮西部F36米水平以上为灰白色薄至中厚层团块状大理岩;36米以下为灰白色条带状大理岩,岩石较坚硬,完整,属层状结构可按开拓运输条件确定43°~45°注:1.本表摘自《武钢大冶铁矿东露天扩帮区边坡稳定性研究》,1984年3月。2.表中L1为上滑面长度;3.K为稳定系数;4.粘着力C的单位为(给出值×0.1MPa);5.边坡高度300~400m。表2大弧山露天矿各工程地质分区边坡角初步推荐值(一)分区亚区分布工程地质岩组特性水文地质特征边坡稳定条件阶段坡面角总体坡面角II1东山包F1断层以东千山花岗岩组浅红色,中粗粒结构,岩质坚硬,抗压强度=780,容重=2.6×104N/m3,C=10.5,=35°裂隙弱含水,赋存于风化和构造裂隙中。单位涌水量Q-0.0021~0.0412l/s·m;渗透系数K=0.01449~0.01562m/d,HCO3-Ca型水。区内沿断裂有少量出水点主要结构面倾角陡或与边坡直交,边坡稳定条件好65°~70°45°~50°I2采场东端主要结构面与边坡直交,边坡稳定条件好65°~70°45°~50°I3东南帮F1断层以东走向331°,节理面影响台阶稳定,产生平面滑落60°~65°40°~45°IIII1F1断层至中部玢岩片麻状混合岩组,岩质坚硬,=2.6,=1063,C=7.5,裂隙弱含水。K=0.004~0.034m/d,西南帮有大量出水点,形成渗水层间错动面,纵节理和NEE向结构面组合形成楔体滑落=35°带,由孔隙潜水补给。对于边坡稳定不利,出水点主要分布于II3亚区II2中部玢岩分布区玢岩、脉岩组、片麻状混合岩组岩脉中形成局部楔体滑落,混合岩中层间错动面,纵节理与NE和NEE向的张、扭性断裂形成楔体滑落55°38°~43°II3中部玢岩以西片麻状混合岩组层间错动面。纵节理和NEE向、NE向扭性和张性断裂形成楔体滑落或平面滑落,地下水对边坡稳定不利表3大弧山露天矿各工程地质分区边坡角初步推荐值(二)分区亚区分布工程地质岩组特性水文地质特征边坡稳定条件阶段坡面角总体坡面角IIIIII1采场西北山包灰黑色石墨千枚岩和少量灰绿色绢云母千枚岩,=382,=2.56×104N/m3,C=0.7,=32°隔水、岩质软,具塑性,裂隙闭合岩性较弱,片理发育。台阶自行滑落,边坡稳定条件很差50°~55°37°III2采场西北部至F11混合花岗岩组灰白色,中粗粒结构岩体下部片麻理显著裂隙弱含水西部F11断层影响岩体破碎,稳定条件差,其余稳定条件较好55°~60°(35°~40°)ⅣⅣ1采场北帮绿泥石英片岩组,薄层构造,=956,=2.65×104N/m3,C=6.2,=31°裂隙弱含水,K=0.0015,Q=0.0018~0.0028l/s·m层理与边坡...

1、当您付费下载文档后,您只拥有了使用权限,并不意味着购买了版权,文档只能用于自身使用,不得用于其他商业用途(如 [转卖]进行直接盈利或[编辑后售卖]进行间接盈利)。
2、本站所有内容均由合作方或网友上传,本站不对文档的完整性、权威性及其观点立场正确性做任何保证或承诺!文档内容仅供研究参考,付费前请自行鉴别。
3、如文档内容存在违规,或者侵犯商业秘密、侵犯著作权等,请点击“违规举报”。

碎片内容

露天矿山边坡角设置

您可能关注的文档

确认删除?
VIP
微信客服
  • 扫码咨询
会员Q群
  • 会员专属群点击这里加入QQ群
客服邮箱
回到顶部