电脑桌面
添加小米粒文库到电脑桌面
安装后可以在桌面快捷访问

花坛挖方左+右VIP免费

花坛挖方左+右_第1页
1/8
花坛挖方左+右_第2页
2/8
花坛挖方左+右_第3页
3/8
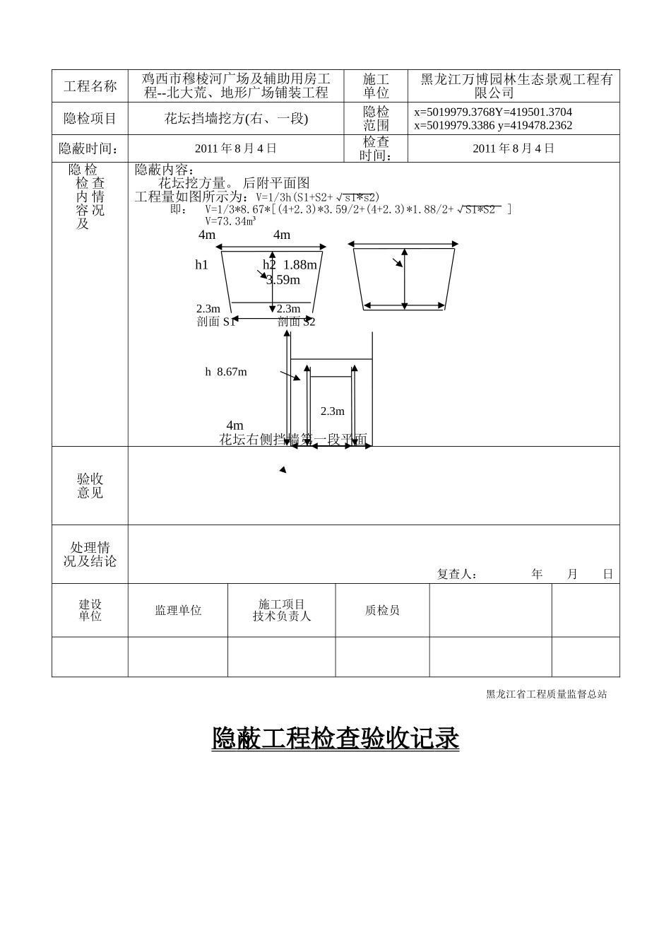
GB50319-2000监A4挖方报验申请表工程名称:鸡西市穆棱河广场及辅助用房工程--北大荒、地形广场铺装工程编号:致:鸡西市神龙建设监理有限公司(监理单位)我单位已完成了花坛挡墙挖方(右侧)x=5019979.3768Y=419501.3704x=5019979.3386y=419478.2362,(左侧)x=5019993.3428Y=419489.9432x=5019996.9080y=419465.0694的工作,现报上该工程报验申请表,请予以审查和验收。附件:1、检验批施工质量验收记录2、隐蔽工程验收记录3、高程测量记录承包单位(章)项目经理日期审查意见:项目监理机构总、专业监理工程师日期本表一式三份,建设单位、监理单位、承包单位各一份。建设委员会监制隐蔽工程检查验收记录黑龙江省工程质量监督总站隐蔽工程检查验收记录工程名称鸡西市穆棱河广场及辅助用房工程--北大荒、地形广场铺装工程施工单位黑龙江万博园林生态景观工程有限公司隐检项目花坛挡墙挖方(右、一段)隐检范围x=5019979.3768Y=419501.3704x=5019979.3386y=419478.2362隐蔽时间:2011年8月4日检查时间:2011年8月4日隐检检查内情容况及隐蔽内容:花坛挖方量。后附平面图工程量如图所示为:V=1/3h(S1+S2+√s1*s2)即:V=1/3*8.67*[(4+2.3)*3.59/2+(4+2.3)*1.88/2+√S1*S2]V=73.34m³4m4mh1h21.88m3.59m2.3m2.3m剖面S1剖面S2h8.67m2.3m4m花坛右侧挡墙第一段平面验收意见处理情况及结论复查人:年月日建设单位监理单位施工项目技术负责人质检员黑龙江省工程质量监督总站隐蔽工程检查验收记录工程名称鸡西市穆棱河广场及辅助用房工程--北大荒、地形广场铺装工程施工单位黑龙江万博园林生态景观工程有限公司隐检项目花坛挡墙挖方(右、二段)隐检范围x=5019979.3768Y=419501.3704x=5019979.3386y=419478.2362隐蔽时间:2011年月日检查时间:2011年月日隐检检查内情容况及隐蔽内容:花坛挖方量。后附平面图工程量如图所示为:V=1/3h(S1+S2+√s1*s2)即:V=1/3*6.67*[(4+2.3)*3.72/2+(4+2.3)*1.83/2+√S1*S2]V=57.14m³4m4mh1h21.83m3.72m2.3m2.3m剖面S1剖面S2h6.67m2.3m4m花坛右侧挡墙第二段平面验收意见处理情况及结论复查人:年月日建设单位监理单位施工项目技术负责人质检员黑龙江省工程质量监督总站隐蔽工程检查验收记录工程名称鸡西市穆棱河广场及辅助用房工程--北大荒、地形广场铺装工程施工单位黑龙江万博园林生态景观工程有限公司隐检项目花坛挡墙挖方(右、三段)隐检范围x=5019979.3768Y=419501.3704x=5019979.3386y=419478.2362隐蔽时间:2011年月日检查时间:2011年月日隐检检查内情容况及隐蔽内容:花坛挖方量。后附平面图工程量如图所示为:V=1/3h(S1+S2+√s1*s2)即:V=1/3*7.53*[(4+2.3)*3.58/2+(4+2.3)*1.80/2+√S1*S2]V=62.62m³4m4mh1h21.80m3.58m2.3m2.3m剖面S1剖面S2h7.53m2.3m4m花坛右侧挡墙第三段平面验收意见处理情况及结论复查人:年月日建设单位监理单位施工项目技术负责人质检员黑龙江省工程质量监督总站隐蔽工程检查验收记录工程名称鸡西市穆棱河广场及辅助用房工程--北大荒、地形广场铺装工程施工单位黑龙江万博园林生态景观工程有限公司隐检项目花坛挡墙挖方(左、一段)隐检范围x=5019993.3428Y=419489.9432x=5019996.9080y=419465.0694隐蔽时间:2011年8月5日检查时间:2011年8月5日隐检检查内情容况及隐蔽内容:花坛挖方量。后附平面图工程量如图所示为:V=1/3h(S1+S2+√s1*s2)即:V=1/3*12.08*[(4.6+2.3)*3.59/2+(4.6+2.3)*1.80/2+√S1*S2]V=110.22m³4.6m4.6mh1h21.80m3.59m2.3m2.3m剖面S1剖面S2h12.08m2.3m4.6m花坛左侧挡墙第一段平面验收意见处理情况及结论复查人:年月日建设单位监理单位施工项目技术负责人质检员黑龙江省工程质量监督总站隐蔽工程检查验收记录工程名称鸡西市穆棱河广场及辅助用房工程--北大荒、地形广场铺装工程施工单位黑龙江万博园林生态景观工程有限公司隐检项目花坛挡墙挖方(左、二段)隐检范围x=5019993.3428Y=419489.9432x=5019996.9080y=419465.0694隐蔽时间:2011年8月5日检查时间:2011年8月5日隐检检查内情容况及隐蔽内容:花坛左侧挖方量。后附平面图工程量如图所示为:V=1/3h(S1+S2+√s1*s2)即:V=1/3*9.4*[(4.6+2.3)*3.72...

1、当您付费下载文档后,您只拥有了使用权限,并不意味着购买了版权,文档只能用于自身使用,不得用于其他商业用途(如 [转卖]进行直接盈利或[编辑后售卖]进行间接盈利)。
2、本站所有内容均由合作方或网友上传,本站不对文档的完整性、权威性及其观点立场正确性做任何保证或承诺!文档内容仅供研究参考,付费前请自行鉴别。
3、如文档内容存在违规,或者侵犯商业秘密、侵犯著作权等,请点击“违规举报”。

碎片内容

花坛挖方左+右

确认删除?
VIP
微信客服
  • 扫码咨询
会员Q群
  • 会员专属群点击这里加入QQ群
客服邮箱
回到顶部