电脑桌面
添加小米粒文库到电脑桌面
安装后可以在桌面快捷访问

河道流沙治理方案VIP免费

河道流沙治理方案_第1页
1/3
河道流沙治理方案_第2页
2/3
河道流沙治理方案_第3页
3/3
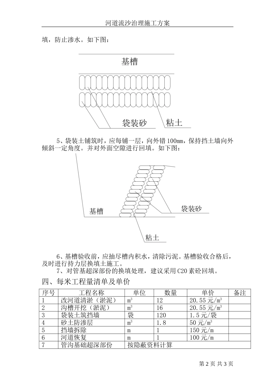
河道流沙治理施工方案河道流沙治理施工方案一、工程概况我司承接的遵义市中心城区污水截流项目的二期高桥河段工程,右岸管沟从114#桩~110#桩、119#桩~121#桩之间位于河道中,经开挖发现,河床上层为2m厚的流沙层,流沙层透水性好,易产生管涌现象;下层为1.5~2m的淤泥层,且土层自稳性极差。且河道水位高出基础持力层3m。为确保该段管沟施工的顺利进行,必须对河道流沙进行专项治理。二、治理方法针对以上情况,要顺利开挖基槽至持力层,必须先止防止跨蹋、渗水、管涌等不利因素,清理基槽中的泥、沙层,抽干基槽中的积水。用袋装砂和水泥砂浆筑挡墙和防渗层,待管沟验收回填后,再清除挡墙和防渗层,恢复河道。三、施工工艺1、施工顺序:基槽泥、沙开挖→抽水→袋装砂筑挡墙→M10水泥砂浆防渗层→基槽底部清淤→验槽→换填施工→基础施工→沟管安装→验收→回填→拆除挡墙和防渗层→恢复河道。2、改河引水:开挖前,应对局部河床高、窄的地方,开挖改河道,作好引水工作。3、基槽泥、沙开挖:在基槽泥、沙开挖时,沿基础边线向外多开挖3m,作为挡墙位置。开挖时,每隔4m作为一个开挖段,每开挖一段,将水抽尽,即时筑挡墙。开挖断面如下图:4、挡墙、防渗层施工:待挖至硬底层,抽尽积水后,沿基础边线放置袋装砂,袋装土纵向放置两排,中间间隔300mm,每层袋装砂铺叠时,应相互搭接。每铺一层,压实一层,中间缝隙用粘土填实,边铺边第1页共3页河道流沙治理施工方案填,防止渗水。如下图:5、袋装土铺筑时,应每铺一层,向外错100mm,保持挡土墙向外倾斜一定角度。并对外面空隙进行回填。如下图:6、基槽验收前,应抽尽槽内积水,清除污泥。基槽验收合格后,及时进行持力层换填土施工。7、对管基超深部份的换填处理,建议采用C20素砼回填。四、每米工程量清单及单价序号工程名称单位数量单价备注1改河道清淤(淤泥)m31220.55元/m32沟槽开挖(淤泥)m31620.55元/m33袋装土筑挡墙袋1201.5元/袋4砂土防渗层m31.850元/m35挡墙拆除m1150元/m6河道恢复m1100元/m7管沟基础超深部份按隐蔽资料计算第2页共3页河道流沙治理施工方案8抽水台班按现场签证五、安全措施1、由于该段流沙、渗水、管涌现象严重,基槽开挖时,切忌长距离开挖,必须边开挖边筑挡墙,边填防渗粘土层。2、人机配合时,应注意机械伤害,做到听从指挥,不违章作业。3、抽水设备绝缘良好,线路架空,接线插头统一安排,严禁私拉乱接。六、其他本工程中,如有类似情况,均按此方案实施。第3页共3页

1、当您付费下载文档后,您只拥有了使用权限,并不意味着购买了版权,文档只能用于自身使用,不得用于其他商业用途(如 [转卖]进行直接盈利或[编辑后售卖]进行间接盈利)。
2、本站所有内容均由合作方或网友上传,本站不对文档的完整性、权威性及其观点立场正确性做任何保证或承诺!文档内容仅供研究参考,付费前请自行鉴别。
3、如文档内容存在违规,或者侵犯商业秘密、侵犯著作权等,请点击“违规举报”。

碎片内容

河道流沙治理方案

确认删除?
VIP
微信客服
  • 扫码咨询
会员Q群
  • 会员专属群点击这里加入QQ群
客服邮箱
回到顶部