电脑桌面
添加小米粒文库到电脑桌面
安装后可以在桌面快捷访问

中心区热力站09年维修方案VIP免费

中心区热力站09年维修方案_第1页
1/9
中心区热力站09年维修方案_第2页
2/9
中心区热力站09年维修方案_第3页
3/9
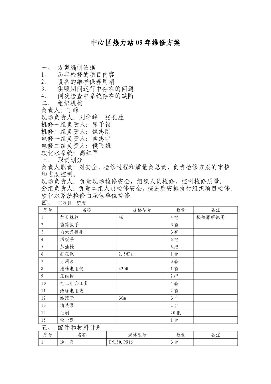
中心区热力站09年维修方案一、方案编制依据1、历年检修的项目内容2、设备的维护保养周期3、供暖期间运行中存在的问题4、例次检查中系统存在的缺陷二、组织机构负责人:丁峰现场负责人:刘学峰张长胜机修一组负责人:张千锁机修二组负责人:魏志刚电修一组负责人:闫志宇电修二组负责人:侯飞雄软化水系统:高红军三、职责划分负责人职责:对安全、检修过程和质量负总责,负责检修方案的审核和进度控制。现场负责人:负责现场检修安全,组织人员检修,控制检修质量。分组负责人:负责本组人员检修安全,按进度安排执行组织项目检修。软化水系统检修由承包单位检修。四、工器具一览表序号名称规格型号数量备注1加长棘轮464把换热器解体用2套筒扳手3套3内六角扳手3套4活扳手6把5加油枪6把6打压泵2.5MPa1台7万用表3套8接地电阻仪42001套9压线钳2把10电工组合工具4套11绝缘电阻表2套12线滚子30m3个13清洗泵2台14毛刷20把15吸尘器1台五、配件和材料计划序号名称规格型号数量备注1逆止阀DN150,PN163台序号名称规格型号数量备注2逆止阀DN200,PN163台3逆止阀DN125,PN162台4逆止阀DN100,PN162台5逆止阀DN250,PN163台6蝶阀DN150,PN16,硬密封3台7蝶阀DN250,PN16,硬密封2台8蝶阀DN250,PN16,硬密封2台9球阀DN65,PN16,硬密封2台10球阀DN100,PN16,硬密封5台11球阀DN125,PN16,硬密封2台12闸板阀DN200,PN10,硬密封5台13中间继电器44E15个14断路器CM1-100A5个15断路器DZ47-40A8个16交流接触器80A5个17交流接触器40A5个18压力传感器1.6MPa10个19温度传感器-200-500°10个20温度计0-200°20个21按钮LA39-B1115个22指示灯AD16-D2215个23电流表6L2-A5块24电压表6L2-V2块25减温器Φ152026接线管1.5若干27线鼻子1.5若干28屏蔽电缆2*1.550米29转换开关LA387个30除垢剂25Kg31换热片0.85,0.5根据板片情况确定32板片密封条0.85,0.5根据板片情况确定33Y型过滤器密封根据拆解情况确定34法兰垫根据拆解情况确定六、检修内容(注:附各站问题汇总表)(一)换热器检修A检修工艺a.关闭换热器一、二次侧进出口阀门,打开底部球阀对换热器泄水;b.测量换热片的压缩量,装配片数,并做好记录;c.对拉杆除锈,清除污物,使用棘轮扳手均匀打开换热器压板各紧固螺栓,拉出压板;d.逐一检查换热片,更换积垢严重、出现空洞的换热片,使用高压水枪清洗换热片。拆卸时避免强行抽拉换热片,造成板片或燕尾槽变型;e.检查待安装换热片是否满足使用要求,密封条安装是否正确;f.安装换热片,注意板片安装方向,对角180度装配,整体成蜂窝状。检查密封条和卡扣是否在板片槽内;g.安装尾板,将压板缓慢均匀沿定位导轨推入,安装拉杆,均匀紧固拉杆螺栓至原测量长度。h.对换热器一、二侧同时注水,并做泄露试验,试验压力为额定压力1.25倍,检查换热器泄露情况。B.检修范围各换热站换热器,检修数量24台。C.检修负责人:机修班组(二)机组管道、阀门检修A检修工艺a.连接部位检查:检查焊接部分、法兰垫泄漏情况及螺栓紧固情况;b.基础、支架检查:检查机组、水泵地脚螺栓是否松开,水泥基础是否开裂、脱落,钢支架是否异常变形、损伤劣化;c.阀门、逆止阀检查:检查阀门密封是否破损,开闭是否灵活,是否漏水,必要时进行更换。更换损坏的逆止阀。d.管道、支架除锈防腐;f.检修、安装电动调节阀B.检修范围各换热站机组,更换7号、3号热力站逆止阀。C.检修负责人:机修班组,逆止阀、9号站循环泵改造方案确定后由设备厂家更换。11号、10号补水泵手柄由厂家提供。电动调节阀由厂家负责安装。(三)站内阀门检修A检修工艺a.检查阀门是否有卡滞、关闭不严或泄露情况;b.内部渗漏、泄露:进行拆卸解体清洗,研磨阀板和密封圈,必要时进行更换;c.外部泄露:打开阀杆压盖,更换填料;d.阀杆涂润滑脂,防锈处理;B.检修范围各换热站一、二次网供、回水主阀,分、集水器分支阀,更换10号一次网进站阀。更换4号、7号站一网排污阀。C.检修负责人:机修班组(四)除污器、过滤器检修A检修工艺a.拆下直通除污器或打开过滤器排污底盖;b.取出滤筒,清洗滤筒,必要时进行更换;c.回装除污器。B.检修范围各换热站一次网进水、二次网回水除污器。C....

1、当您付费下载文档后,您只拥有了使用权限,并不意味着购买了版权,文档只能用于自身使用,不得用于其他商业用途(如 [转卖]进行直接盈利或[编辑后售卖]进行间接盈利)。
2、本站所有内容均由合作方或网友上传,本站不对文档的完整性、权威性及其观点立场正确性做任何保证或承诺!文档内容仅供研究参考,付费前请自行鉴别。
3、如文档内容存在违规,或者侵犯商业秘密、侵犯著作权等,请点击“违规举报”。

碎片内容

中心区热力站09年维修方案

书海行舟+ 关注
实名认证
内容提供者

热爱教学事业,对互联网知识分享很感兴趣

确认删除?
VIP
微信客服
  • 扫码咨询
会员Q群
  • 会员专属群点击这里加入QQ群
客服邮箱
回到顶部