电脑桌面
添加小米粒文库到电脑桌面
安装后可以在桌面快捷访问

排水沟工程施工表格VIP免费

排水沟工程施工表格_第1页
1/21
排水沟工程施工表格_第2页
2/21
排水沟工程施工表格_第3页
3/21
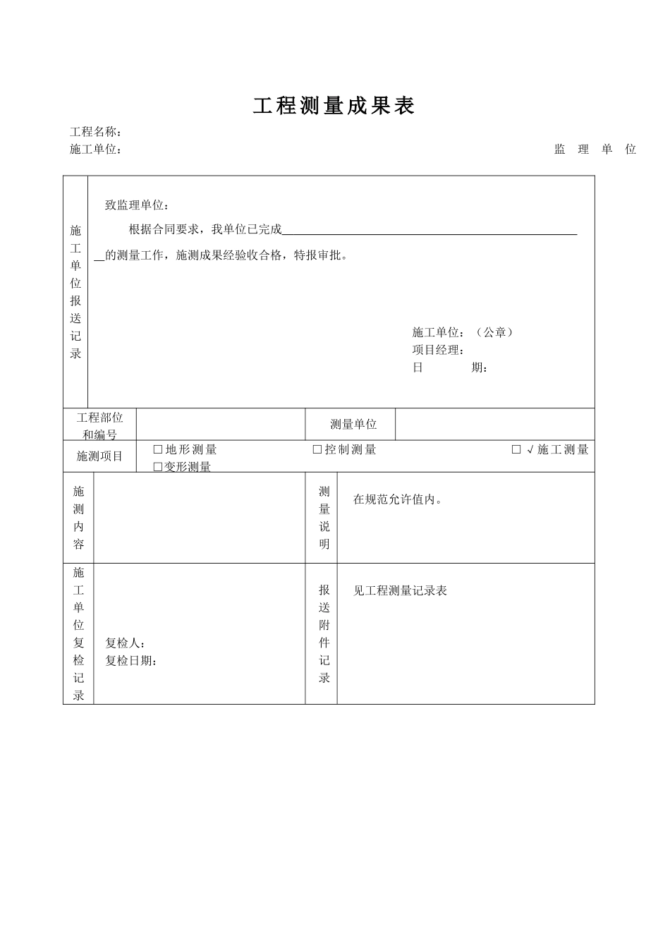
工程报验单工程名称:编号:承担单位:监理单位:致:(监理单位)我方已按合同要求完成了工程的施工放样工作,经自检合格,请予以检查和验收。附件:1、工程测量成果表2、工程测量复核记录3、工程测量记录表施工单位(章):项目经理:日期:检验意见:监理单位(章):监理工程师:日期:注:本表各相关单位各存一份。工程测量成果表工程名称:施工单位:监理单位施工单位报送记录致监理单位:根据合同要求,我单位已完成的测量工作,施测成果经验收合格,特报审批。施工单位:(公章)项目经理:日期:工程部位和编号测量单位施测项目□地形测量□控制测量□√施工测量□变形测量施测内容测量说明在规范允许值内。施工单位复检记录复检人:复检日期:报送附件记录见工程测量记录表监理单位审签意见结论:□√合格□纠正差错后合格□纠正差错后再报监理单位:(公章)监理工程师:日期:说明:一式两份,监理单位审签后,返回申报单位一份,送施工单位一份。工程测量复核记录工程名称:施工单位:监理单位复核部位测量单位施测人复核测量人施测日期复核测量日期测量复核情况备注说明:一式两份,一份作为工程测量报审附件。工程测量记录表工程名称:施工单位:监理单位:工程名称图纸编号工程部位测量项目使用仪器测量单位坐标依据施测日期高程依据复测日期气象条件复测及检测人中误差测量负责测量示意图测量成果测量点号坐标高程备注XY说明:一式两份,监理单位审签后,返回申报单位一份,送施工单位一份。工程报验单工程名称:编号:施工单位:监理单位:致:(监理单位)我方已按合同要求完成了工程的基坑开挖工作,经自检合格,请予以检查和验收。附件:1、分项工程质量检验表2、基坑开挖工程现场质量检验表3、隐蔽工程验收记录4、地基验槽记录5、排水沟工程基坑开挖记录表承担单位(章):项目经理:日期:检验意见:监理单位(章):监理工程师:日期:注:本表各相关单位各存一份。表3-7分项工程质量检验表工程名称:施工单位:分项工程名称:主控项目项目质量情况1基底土质2轴线偏位(㎜)3地下水情况一般项目质量情况等级1平面尺寸(㎜)2基底高程(㎜)345允许偏差项目项目允许偏差(㎜)实测值(㎜)1平面尺寸(㎜)2基底高程(㎜)3轴线偏位(㎜)4地下水情况5基底土质6检查结构主控项目一般项目检查项,其中优良项,优良率%允许偏差项目实测点,其中合格点,合格率%评定等级质量检查员:核定等级技术负责人:单位负责人:年月日表6-33基坑开挖工程现场质量检验表工程名称:施工单位:监理单位:工程名称施工时间部位检查时间项次检查项目规定值或允许偏差检验结果检验方法和频率1基坑底实际标高2轴线偏位(㎜)3基坑平面长4基坑平面宽5基底土质6地下水情况施工单位自检结论质检员:技术负责人:年月日监理单位意见监理工程师:年月日说明:一式三份,监理单位签认后,返回施工单位一份,送业主单位一份。隐蔽工程验收记录工程部位:时间:工程名称依据图纸施工图设计图册隐蔽工程验收内容简图说明验收意见自检意见符合设计及规范要求。监理单位验收人施工单位验收人承担单位验收人地基验槽记录工程名称基槽底设计标高施工单位设计要求地质土层验槽日期实际地质土层内容及草图:A、轴线尺寸情况:轴线尺寸符合设计及施工规范要求B、地质岩层符合情况:地质岩层符合设计及施工规范要求C、脏土及有机物处理情况:无D、设计标高误差情况:设计标高误差控制在规范要求之内验收结论:承担单位:(章)勘察单位(章)设计单位(章)监理单位(章)施工单位(章)项目代表人:年月日项目负责人:年月日项目负责人:年月日监理工程师:年月日项目经理:年月日排水沟工程基坑开挖记录表工程名称:承担单位:监理单位:桩号基坑宽度(m)深度(m)长度(m)基底土质/石质施工日期记录:复核:监理:日期:工程报验单工程名称:编号:致:(监理单位)我方已按合同要求完成了工程的工作,经自检合格,请予以检查和验收。附件:1、分项工程质量检验表2、浆砌排水沟现场质量检验表3、石砌体验收记录表4、隐蔽工程验收记录表5、浆砌石工程施工记录表施工单位(章):项目经理:日期:检验意见:...

1、当您付费下载文档后,您只拥有了使用权限,并不意味着购买了版权,文档只能用于自身使用,不得用于其他商业用途(如 [转卖]进行直接盈利或[编辑后售卖]进行间接盈利)。
2、本站所有内容均由合作方或网友上传,本站不对文档的完整性、权威性及其观点立场正确性做任何保证或承诺!文档内容仅供研究参考,付费前请自行鉴别。
3、如文档内容存在违规,或者侵犯商业秘密、侵犯著作权等,请点击“违规举报”。

碎片内容

排水沟工程施工表格

确认删除?
VIP
微信客服
  • 扫码咨询
会员Q群
  • 会员专属群点击这里加入QQ群
客服邮箱
回到顶部