电脑桌面
添加小米粒文库到电脑桌面
安装后可以在桌面快捷访问

水利水电工程埋管防腐VIP免费

水利水电工程埋管防腐_第1页
1/10
水利水电工程埋管防腐_第2页
2/10
水利水电工程埋管防腐_第3页
3/10
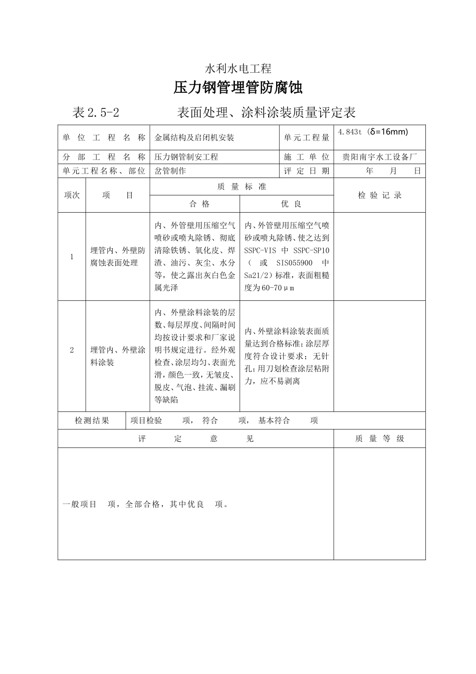
水利水电工程压力钢管埋管防腐蚀表2.5-2表面处理、涂料涂装质量评定表单位工程名称金属结构及启闭机安装单元工程量4.843t(δ=16mm)分部工程名称压力钢管制安工程施工单位贵阳南宇水工设备厂单元工程名称、部位岔管制作评定日期年月日项次项目质量标准检验记录合格优良1埋管内、外壁防腐蚀表面处理内、外管壁用压缩空气喷砂或喷丸除锈、彻底清除铁锈、氧化皮、焊渣、油污、灰尘、水分等,使之露出灰白色金属光泽内、外管壁用压缩空气喷砂或喷丸除锈、使之达到SSPC-VIS中SSPC-SP10(或SIS055900中Sa21/2)标准,表面粗糙度为60-70μm2埋管内、外壁涂料涂装内、外壁涂料涂装的层数、每层厚度、间隔时间均按设计要求和厂家说明书规定进行。经外观检查、涂层均匀、表面光滑,颜色一致,无皱皮、脱皮、气泡、挂流、漏刷等缺陷内、外壁涂料涂装表面质量达到合格标准;涂层厚度符合设计要求;无针孔;用刀划检查涂层粘附力,应不易剥离检测结果项目检验项,符合项,基本符合项评定意见质量等级一般项目项,全部合格,其中优良项。测量人年月日施工单位年月日(监理)建设单位年月日水利水电工程压力钢管埋管防腐蚀表2.5-2表面处理、涂料涂装质量评定表单位工程名称金属结构及启闭机安装单元工程量1.111t(δ=16mm)分部工程名称压力钢管制安工程施工单位贵阳南宇水工设备厂单元工程名称、部位14号衔接锥管制作(左)评定日期年月日项次项目质量标准检验记录合格优良1埋管内、外壁防腐蚀表面处理内、外管壁用压缩空气喷砂或喷丸除锈、彻底清除铁锈、氧化皮、焊渣、油污、灰尘、水分等,使之露出灰白色金属光泽内、外管壁用压缩空气喷砂或喷丸除锈、使之达到SSPC-VIS中SSPC-SP10(或SIS055900中Sa21/2)标准,表面粗糙度为60-70μm2埋管内、外壁涂料涂装内、外壁涂料涂装的层数、每层厚度、间隔时间均按设计要求和厂家说明书规定进行。经外观检查、涂层均匀、表面光滑,颜色一致,无皱皮、脱皮、气泡、挂流、漏刷等缺陷内、外壁涂料涂装表面质量达到合格标准;涂层厚度符合设计要求;无针孔;用刀划检查涂层粘附力,应不易剥离检测结果项目检验项,符合项,基本符合项评定意见质量等级一般项目项,全部合格,其中优良项。测量人年月日施工单位年月日(监理)建设单位年月日水利水电工程压力钢管埋管防腐蚀表2.5-2表面处理、涂料涂装质量评定表单位工程名称金属结构及启闭机安装单元工程量1.111t(δ=16mm)分部工程名称压力钢管制安工程施工单位贵阳南宇水工设备厂单元工程名称、部位14号衔接锥管制作(右)评定日期年月日项次项目质量标准检验记录合格优良1埋管内、外壁防腐蚀表面处理内、外管壁用压缩空气喷砂或喷丸除锈、彻底清除铁锈、氧化皮、焊渣、油污、灰尘、水分等,使之露出灰白色金属光泽内、外管壁用压缩空气喷砂或喷丸除锈、使之达到SSPC-VIS中SSPC-SP10(或SIS055900中Sa21/2)标准,表面粗糙度为60-70μm2埋管内、外壁涂料涂装内、外壁涂料涂装的层数、每层厚度、间隔时间均按设计要求和厂家说明书规定进行。经外观检查、涂层均匀、表面光滑,颜色一致,无皱皮、脱皮、气泡、挂流、漏刷等缺陷内、外壁涂料涂装表面质量达到合格标准;涂层厚度符合设计要求;无针孔;用刀划检查涂层粘附力,应不易剥离检测结果项目检验项,符合项,基本符合项评定意见质量等级一般项目项,全部合格,其中优良项。测量人年月日施工单位年月日(监理)建设单位年月日水利水电工程压力钢管埋管防腐蚀表2.5-2表面处理、涂料涂装质量评定表单位工程名称金属结构及启闭机安装单元工程量2.5585t(D=1.5δ=12mm)分部工程名称压力钢管制安工程施工单位贵阳南宇水工设备厂单元工程名称、部位15号直管节制作(左)评定日期年月日项次项目质量标准检验记录合格优良1埋管内、外壁防腐蚀表面处理内、外管壁用压缩空气喷砂或喷丸除锈、彻底清除铁锈、氧化皮、焊渣、油污、灰尘、水分等,使之露出灰白色金属光泽内、外管壁用压缩空气喷砂或喷丸除锈、使之达到SSPC-VIS中SSPC-SP10(或SIS055900中Sa21/2)标准,表面粗糙度为60-70μm2埋管内、外壁涂料涂装内、外壁涂料涂装的层数、每层厚度、间隔时间均按设计要求和厂家说明...

1、当您付费下载文档后,您只拥有了使用权限,并不意味着购买了版权,文档只能用于自身使用,不得用于其他商业用途(如 [转卖]进行直接盈利或[编辑后售卖]进行间接盈利)。
2、本站所有内容均由合作方或网友上传,本站不对文档的完整性、权威性及其观点立场正确性做任何保证或承诺!文档内容仅供研究参考,付费前请自行鉴别。
3、如文档内容存在违规,或者侵犯商业秘密、侵犯著作权等,请点击“违规举报”。

碎片内容

水利水电工程埋管防腐

确认删除?
VIP
微信客服
  • 扫码咨询
会员Q群
  • 会员专属群点击这里加入QQ群
客服邮箱
回到顶部