电脑桌面
添加小米粒文库到电脑桌面
安装后可以在桌面快捷访问

钢结构详图绘制规则VIP免费

钢结构详图绘制规则_第1页
1/33
钢结构详图绘制规则_第2页
2/33
钢结构详图绘制规则_第3页
3/33
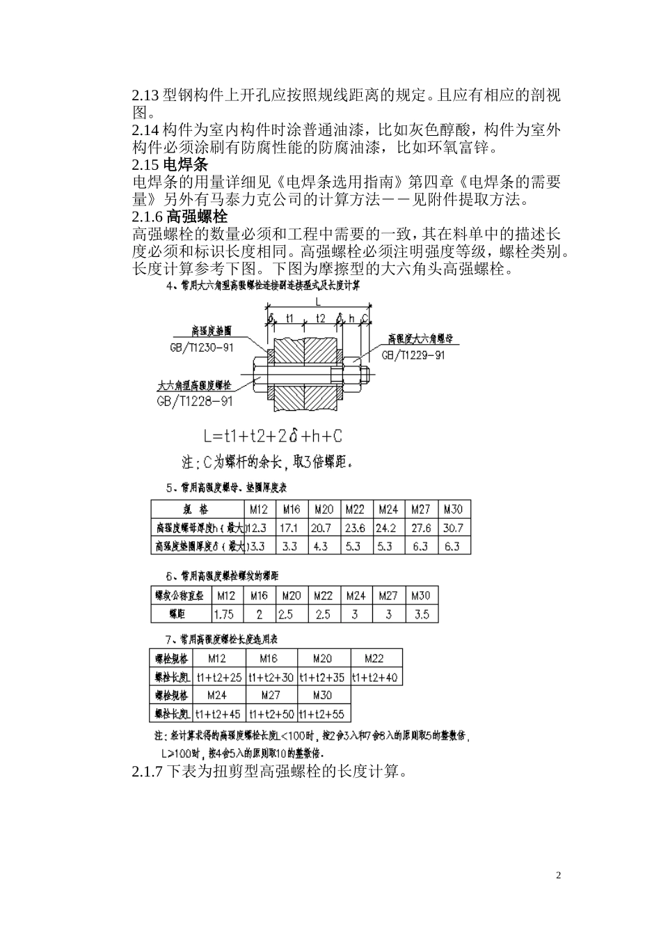
陕西虹程钢构工程有限公司详图设计规则第一章门式刚架1.制图空间的选择:绘制图纸时,必须在CAD的模型空间制图,保存和打印图纸时使用布局。布局中只允许出现标题栏和构件列表。关于细则参考附件1,附件2。2.主钢构:2.1面对一榀刚架,我们在放样的时候首先是将我们需要放样的梁和柱从剖面图上取下来。一般柱子都是柱底板在左,柱子向右倒。保证通长的直翼缘水平。2.2梁从图上取下的时候左右不变,保证上翼缘水平。2.3对于高频焊接H型钢,应将腹板单独放样,放于构件的下方,标注长宽及开孔的位置,孔的大小。非规则形状用虚线勾出下料尺寸。对于型钢直接在构件整体上标注相应的尺寸。对于弧形构件,应将构件分成若干等分,每份长200~500然后标注矢高。2.4整根构件应详细的标注连接板的尺寸及焊接位置。小件的位置用基线标注法标注,BL=0为起点,一般在翼缘的端头(非拼接板端头)小件必须标注定位尺寸。外形控制线应该完整,且比例因子要正确。2.5单个小件比如加劲肋,做小件图时候必须有一个边是水平的,非规则形状用虚线勾出下料尺寸。部分较为复杂的小件要画小件图,小件图不用标明数量;当小件做为一个单独的构件出现在料单中的时候小件要标明数量。对于一个小件板应该标明孔径和板厚和焊接侧。拼接板上的两孔距离不能大于350mm否则要设计构造螺栓。拼接板处的加劲肋为100*100为准。斜拉撑孔当板厚小于等于5mm时候加补强垫片。在梁的拼接板的地方要是有梁截面不相同的情况,拼接板的宽度与较宽的梁的翼缘宽度相同。2.6在构件名称的下面需要标明构件的截面形式。2.7构件列表中的标识顺序为OFIFWBBPSPEPSTPLGP特殊构件。在钢构清单中构件的顺序为柱、主梁、次梁、小件、高强螺栓、普通螺栓。2.8构件列表中的板件尺寸必须和图上标注的一致。所有构件标明之后合出总重。2.9构件数量、质量及材质要和材料清单及平面布置图中的一致。材料清单中要体现出构件的材质。2.10标题栏的字体采用宋体或者是仿宋体,栏目填写要正确。版本号为0,如果发技术文件更改通知单换页的时候版本号为1其次以此类推。2.11部分图纸需要做出剖视图,其剖视方向要正确,将剖视编号标注的视图一面。剖视图只绘制与想要表达的内容有关的信息,其它可以从略。2.12梁柱的放样在图纸较多或者有特殊要求的时候需要有钢结构构件加工说明及目录,为了适应车间按批次加工应附上构件平面布置图(将来方便整理安装图)。12.13型钢构件上开孔应按照规线距离的规定。且应有相应的剖视图。2.14构件为室内构件时涂普通油漆,比如灰色醇酸,构件为室外构件必须涂刷有防腐性能的防腐油漆,比如环氧富锌。2.15电焊条电焊条的用量详细见《电焊条选用指南》第四章《电焊条的需要量》另外有马泰力克公司的计算方法――见附件提取方法。2.1.6高强螺栓高强螺栓的数量必须和工程中需要的一致,其在料单中的描述长度必须和标识长度相同。高强螺栓必须注明强度等级,螺栓类别。长度计算参考下图。下图为摩擦型的大六角头高强螺栓。2.1.7下表为扭剪型高强螺栓的长度计算。22.1.8普通螺栓普通螺栓均为镀锌螺栓。长度计算参考下图。3.支撑系统3.1支撑系统包括斜拉撑、刚性系杆、隅撑。3.2斜拉撑包括屋面斜拉撑和柱间斜拉撑,一般长度差别不是很大的时候归为一类。其直径应该和主钢构开孔相配套。其长度不够的时候采用双面帮条焊方式搭接。总长度为两孔距与柱开间的平方和开方+250。在边跨应注意轴线可能是齐柱外皮,开间距离应该为两柱腹板中心线的间距。3.3刚性系杆应该导清几何尺寸。3.4.1我们所要求的每一种结构系统,都要求大梁的受压翼缘有3侧向支撑,以保证结构的整体有效性,在竖向荷载的作用下,主刚架的上翼缘绝大多数处于受压状态,幸运的是上翼缘有屋面檩条提供足够的支撑,然而在风的上拔力作用下,主刚架的下翼缘受压需要隅撑来防止侧向失稳,同样的支撑需要布置在钢架柱的内翼缘,因为在竖向荷载作用下,该翼缘受压。隅撑作为受压翼缘的侧向支撑,宜在梁柱刚性节点附近的梁柱受压翼缘区段设置,间距不应小于16b(b为受压翼缘的宽度)(公司暂时没有此规定)。3.4.2隅撑要注意长度,当长度大于1360mm的时候采用较大截面的...

1、当您付费下载文档后,您只拥有了使用权限,并不意味着购买了版权,文档只能用于自身使用,不得用于其他商业用途(如 [转卖]进行直接盈利或[编辑后售卖]进行间接盈利)。
2、本站所有内容均由合作方或网友上传,本站不对文档的完整性、权威性及其观点立场正确性做任何保证或承诺!文档内容仅供研究参考,付费前请自行鉴别。
3、如文档内容存在违规,或者侵犯商业秘密、侵犯著作权等,请点击“违规举报”。

碎片内容

钢结构详图绘制规则

书海行舟+ 关注
实名认证
内容提供者

热爱教学事业,对互联网知识分享很感兴趣

相关文档

确认删除?
VIP
微信客服
  • 扫码咨询
会员Q群
  • 会员专属群点击这里加入QQ群
客服邮箱
回到顶部