电脑桌面
添加小米粒文库到电脑桌面
安装后可以在桌面快捷访问

钢板止水带技术交底VIP免费

钢板止水带技术交底_第1页
1/6
钢板止水带技术交底_第2页
2/6
钢板止水带技术交底_第3页
3/6
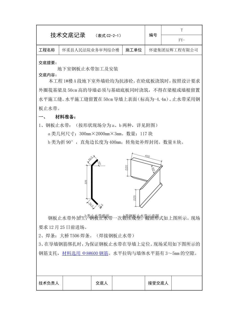
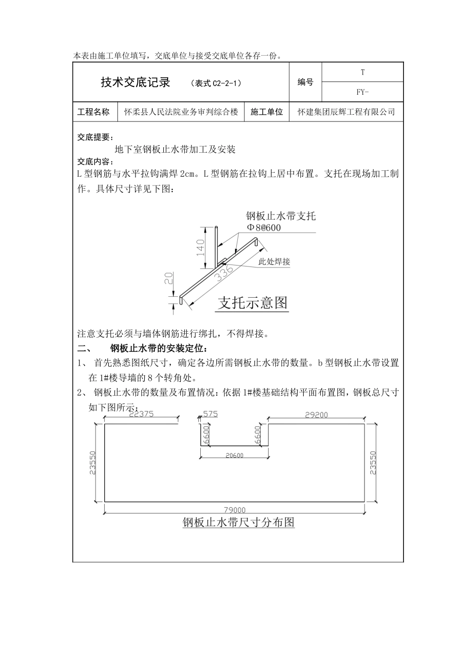
技术交底记录(表式C2-2-1)编号TFY-工程名称怀柔县人民法院业务审判综合楼施工单位怀建集团辰辉工程有限公司交底提要:地下室钢板止水带加工及安装交底内容:本工程1#楼A段地下室外墙砼均为抗渗砼。在砼底板浇筑时,按照设计要求外圈筏基梁及50cm高的导墙必须与基础底板同时浇筑,不得在梁根或墙根留置水平施工缝。水平施工缝留置在50cm导墙上表面(标高为-4.4m)。止水带采用钢板止水带。一、材料准备:1、钢板止水带:(按形状现场分为a、b两种,详见附图)a类几何尺寸:300mm×2000mm×3mm。数量:117块b类为折90°,直角边长度为400mm,转角处补焊封闭。数量8块。钢板止水带外加工,钢板止水带一次锻压成型。截面形式如上图所示。现场要求12月25日前进场。2、焊条:大桥T506焊条。(焊接钢板止水带)3、在导墙钢筋绑扎时,为保证钢板止水带在导墙上定位。现场采用如下图所示的钢筋支托,材料选用Φ8@600钢筋。水平拉钩与墙体水平筋有3~5mm的空隙。技术负责人交底人接受交底人本表由施工单位填写,交底单位与接受交底单位各存一份。技术交底记录(表式C2-2-1)编号TFY-工程名称怀柔县人民法院业务审判综合楼施工单位怀建集团辰辉工程有限公司交底提要:地下室钢板止水带加工及安装交底内容:L型钢筋与水平拉钩满焊2cm。L型钢筋在拉钩上居中布置。支托在现场加工制作。具体尺寸详见下图:注意支托必须与墙体钢筋进行绑扎,不得焊接。二、钢板止水带的安装定位:1、首先熟悉图纸尺寸,确定各边所需钢板止水带的数量。b型钢板止水带设置在1#楼导墙的8个转角处。2、钢板止水带的数量及布置情况:依据1#楼基础结构平面布置图,钢板总尺寸如下图所示:技术负责人交底人接受交底人本表由施工单位填写,交底单位与接受交底单位各存一份。技术交底记录(表式C2-2-1)编号TFY-工程名称怀柔县人民法院业务审判综合楼施工单位怀建集团辰辉工程有限公司交底提要:地下室钢板止水带加工及安装交底内容:附表:钢板止水带计算表:各部位钢板总长度数量(段)2m钢板总数量不足2m的钢板数量备注79000mm143块1块1.388m每块钢板止水带长度为2m,不足2m的要合理使用,严禁浪费。8块b型钢板止水带分布在建筑各角部。钢板止水带搭接焊长度均为200mm。23550mm224块2块1.748m22375mm112块1块0.740m575mm11块0.575m6600mm26块2块0.920m20600mm111块1块0.560m29200mm116块小计112块2+1+2=5块合计117块3、在筏基梁钢筋绑扎的同时,现场可派人进行钢板止水带的连接焊接。焊接长度以今后便于在导墙上施工为宜。本工程建议两两焊接。注意在两两焊接时要采取搭接焊,两钢板搭接200mm。两竖向焊缝必须满焊。焊接形式如下图所示:4、在导墙水平钢筋绑扎时,为避免支托顶部露出水平施工缝,现将从墙根向上第三排水平筋绑扎时,要求钢筋向下移1cm即钢筋间距在此处为140mm。待导墙水平筋调平后,将预先制作的钢筋支托沿水平方向按间距600mm在第三排水平筋上分布。支托与墙体水平筋绑扎,不得焊接损伤墙体钢筋。5、钢板止水带固定时,弯折方向必须朝外墙外侧,钢板背面与支托立筋焊接,要求满焊。钢板止水带沿350mm导墙居中定位。具体尺寸详见下图:技术负责人交底人接受交底人本表由施工单位填写,交底单位与接受交底单位各存一份。技术交底记录(表式C2-2-1)编号TFY-20002001800工程名称怀柔县人民法院业务审判综合楼施工单位怀建集团辰辉工程有限公司交底提要:地下室钢板止水带加工及安装交底内容:三、质量要求:1、检查钢板止水带的截面形式是否符合设计的要求。2、现场所使用的焊条必须为大桥牌免检焊条。3、钢板止水带必须垂直设置,不得歪斜,且沿墙体坐中布置。4、支托与钢板止水带焊接时,必须满焊。焊缝宽度对于Φ8钢筋支托必须大于4mm,焊缝厚度必须大于2.8mm。四、钢板止水带在汽车坡道入口处的处理:由于汽车坡道入口处不仅有钢板止水带,沿入口也设置了封闭环状橡胶止水带。在设计图纸中,橡胶止水带的固定是利用特定的箍筋固定。但在此处箍筋在墙体上与钢板止水带位置冲突。为保证钢板止水带的作用及橡胶止水带的固定。经设计同意,钢板止水带在轴~轴、轴导墙上断开,此处由于墙体一次浇筑完成,...

1、当您付费下载文档后,您只拥有了使用权限,并不意味着购买了版权,文档只能用于自身使用,不得用于其他商业用途(如 [转卖]进行直接盈利或[编辑后售卖]进行间接盈利)。
2、本站所有内容均由合作方或网友上传,本站不对文档的完整性、权威性及其观点立场正确性做任何保证或承诺!文档内容仅供研究参考,付费前请自行鉴别。
3、如文档内容存在违规,或者侵犯商业秘密、侵犯著作权等,请点击“违规举报”。

碎片内容

钢板止水带技术交底

您可能关注的文档

确认删除?
VIP
微信客服
  • 扫码咨询
会员Q群
  • 会员专属群点击这里加入QQ群
客服邮箱
回到顶部