电脑桌面
添加小米粒文库到电脑桌面
安装后可以在桌面快捷访问

钢筋连接的一些要求VIP免费

钢筋连接的一些要求_第1页
1/10
钢筋连接的一些要求_第2页
2/10
钢筋连接的一些要求_第3页
3/10
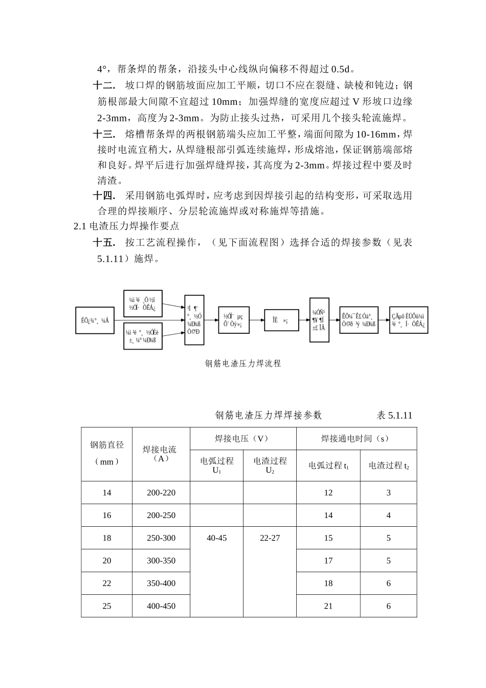
钢筋连接一、钢筋焊接1.1热轧钢筋的对接焊接,可采用闪光对焊、电弧焊、电渣压力焊或气压焊。钢筋骨架和钢筋网片的交叉焊接宜采用电阻点焊。钢筋与钢板的T型连接宜采用埋弧压力焊或电弧焊。电渣压力焊应用于柱、墙、烟囱等现浇混凝土结构中竖向受力钢筋的连接;不宜用于梁、板等构件中水平钢筋的连接。1.2钢筋焊接的接头形式、焊接工艺和质量验收应符合现行标准《钢筋焊接及验收规程》(JGJ18-2003)的有关规定。钢筋焊接接头的试验方法应符合现行标准《钢筋焊接接头试验方法》(JGJ/T27-2001)的规定。1.3钢筋焊接前必须根据施工条件进行试焊,合格后方可施焊。1.4焊工必须持有效的焊工考试合格证持证上岗,并在规定的范围内进行焊接。1.5钢筋焊接施工之前,应清除钢筋或钢板焊接部位与电极接触的钢筋表面上的锈斑、油污、杂物等,钢筋端部若有弯折、扭曲时,应予以矫直或切除。1.6进行电阻点焊、闪光对焊、电渣压力焊或埋弧压力焊时,应随时观察电源电压的波动情况。对于电阻点焊或闪光对焊,当电源电压下降大于5%,小于8%时,应采取提高焊接变压器级数的措施;当大于或等于8%时,不得进行焊接。对于电渣压力焊或埋弧压力焊,当电源电压下降大于5%时不宜进行焊接。1.7焊机应经常维护、保养和定期检修,确保正常使用。1.8冷拉钢筋的闪光焊或电弧焊,应在冷拉前进行。1.9闪光对焊操作要点一.合理选择焊接参数:调伸长度、闪光留量、闪光速度、顶锻留量、顶锻速度、顶锻压力、变压器级次、一、二次烧化留量和预热时间参数等,应根据不同工艺合理选择。二.夹紧钢筋,均匀加热,保证钢筋端面凸出部分相接触,焊缝和钢筋轴线相垂直,接头处的钢筋轴线偏移不大于0.1d;且不大于2mm。三.烧化过程应稳、强烈,防止焊缝金属氧化,与电极接触处的钢筋表面,对于HPB235、HPB335、HPB400级钢筋不得有明显的烧伤,对于Ⅳ级钢筋,不得有烧伤。四.顶锻应在有足够大的压力下快速完成,保证焊口闭合良好和使接头处产生适当的镦粗变形。接头处不得有横向裂纹。五.接头焊完后,待冷却后方能移动,防止堆放时弯折,接头处的弯折不得大于4°。2.0电弧焊操作要点电弧焊有四种形式:帮条焊、搭接焊、坡口焊和熔槽帮条焊。六.焊接地线应与钢筋接触良好,防止因起弧而烧伤钢筋。七.焊接带有钢板或帮条的接头,引弧在钢板或帮条上进行,搭接钢筋引弧在一端开始,收弧在端头上,不得随意引弧,防止烧伤主筋。八.根据钢筋级别、直径、接头形式和焊接位置,选择适宜焊条型号、直径和焊接电流,保证焊缝与钢筋熔合良好,焊缝表面应平整,弧坑应填满,不应有较大凹陷、焊瘤、接头处不应在裂缝。电弧焊所采用的焊条,其性能应符合现行国家标准《碳钢焊条》(GB5117)或《低合金钢焊条》(GB5118)的规定,其型号应根据设计确定;若设计无规定时,可按表5.1.10选用。钢筋电弧焊焊条型号表5.1.10注:窄间隙焊不适用于余热Ⅲ级钢筋。九.搭接焊的预弯和搭接,应保证两根钢筋在同一直线上,焊缝长度不小于搭接长度。十.帮条焊的两根主筋之间应留2-5mm的间隙。十一.接头处钢筋轴线的偏移不得超过0.1d或3mm,接头弯折不得超过钢筋级别电弧焊接头型式帮条焊搭接焊坡口焊熔槽帮条焊预埋件穿孔塞焊窄间隙焊钢筋与钢板搭接焊预埋件T形角焊HPB235E4303E4303E4316E4315E4303HRB335E4303E5003E5016E5015E4303HRB400E5003E5503E6016E6015_4°,帮条焊的帮条,沿接头中心线纵向偏移不得超过0.5d。十二.坡口焊的钢筋坡面应加工平顺,切口不应在裂缝、缺棱和钝边;钢筋根部最大间隙不宜超过10mm;加强焊缝的宽度应超过V形坡口边缘2-3mm,高度为2-3mm。为防止接头过热,可采用几个接头轮流施焊。十三.熔槽帮条焊的两根钢筋端头应加工平整,端面间隙为10-16mm,焊接时电流宜稍大,从焊缝根部引弧连续施焊,形成熔池,保证钢筋端部熔和良好。焊平后进行加强焊缝焊接,其高度为2-3mm。焊接过程中要及时清渣。十四.采用钢筋电弧焊时,应考虑到因焊接引起的结构变形,可采取选用合理的焊接顺序、分层轮流施焊或对称施焊等措施。2.1电渣压力焊操作要点十五.按工艺流程操作,(见下面流程图)选择合适的焊接参数(见表5.1.11)施焊。钢筋电渣...

1、当您付费下载文档后,您只拥有了使用权限,并不意味着购买了版权,文档只能用于自身使用,不得用于其他商业用途(如 [转卖]进行直接盈利或[编辑后售卖]进行间接盈利)。
2、本站所有内容均由合作方或网友上传,本站不对文档的完整性、权威性及其观点立场正确性做任何保证或承诺!文档内容仅供研究参考,付费前请自行鉴别。
3、如文档内容存在违规,或者侵犯商业秘密、侵犯著作权等,请点击“违规举报”。

碎片内容

钢筋连接的一些要求

书海行舟+ 关注
实名认证
内容提供者

热爱教学事业,对互联网知识分享很感兴趣

确认删除?
VIP
微信客服
  • 扫码咨询
会员Q群
  • 会员专属群点击这里加入QQ群
客服邮箱
回到顶部