电脑桌面
添加小米粒文库到电脑桌面
安装后可以在桌面快捷访问

路基挖方--安全专项方案VIP免费

路基挖方--安全专项方案_第1页
1/20
路基挖方--安全专项方案_第2页
2/20
路基挖方--安全专项方案_第3页
3/20
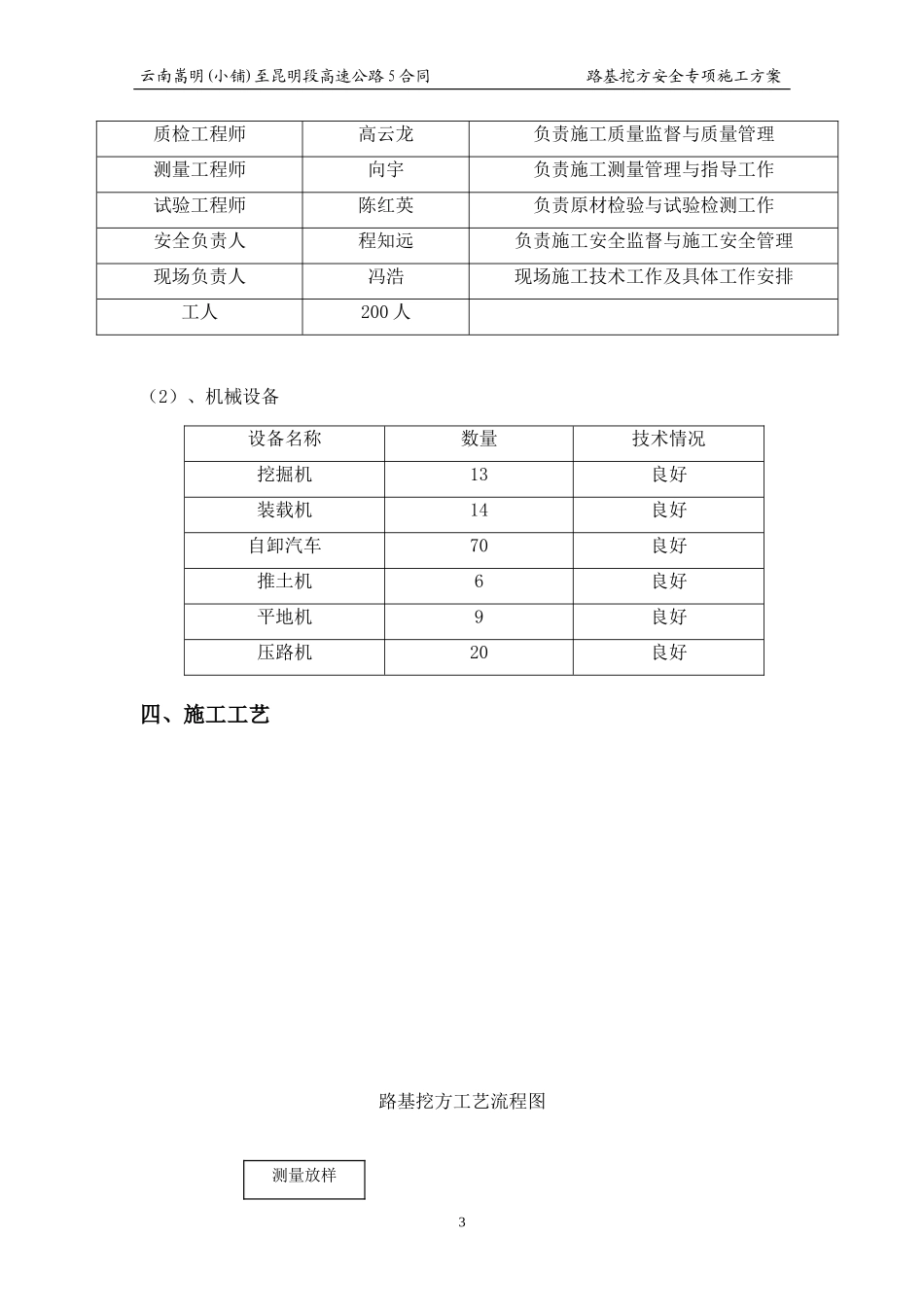
云南嵩明(小铺)至昆明段高速公路5合同路基挖方安全专项施工方案目录目录2一、工程概况................................................................................................................................3二、编制依据................................................................................................................................3三、施工计划................................................................................................................................4四、施工工艺..................................................................................................................................4五、施工安全保证措施..................................................................................................................7六、应急预案................................................................................................................................12七、劳动力计划............................................................................................................................20八、计算书及相关图纸..............................................................................................................211云南嵩明(小铺)至昆明段高速公路5合同路基挖方安全专项施工方案路基挖方安全专项方案一、工程概况我项目部施工的嵩昆高速公路第5合同段K32+000~K40+000,全长8km,其中路基土石方工程主要工程量如下:挖石方48.2万方,挖土方277.32万方,利用石方25.5万方,利用土方8万方。为了优质高效的完成该工程,我部计划于2014年12月1日开工,2015年3月30日完工。挖方段落:K32+000~K32+106.96、K33+280~K33+753、K34+180~K34+219.214、K34+640~K34+920、K35+400~K35+680、K35+777~K35+900、K36+120~K36+235、K36+120~K36+235、K36+480~K36+700、K36+900~K37+020、K37+141~K37+260、K37+770~K38+479、K38+571~K38+860、K39+791~K39+936、AK0+000~AK0+673.579、BK0+000~BK0+344.5、CK0+000~CK0+950.183、DK0+000~DK0+915.223、EK0+000~EK0+525.154二、编制依据(1)、依据国家现行相关的法律、法规、规范性文件、标准、规范及图纸(国标图集)、施工组织设计等(2)、参照《嵩昆高速公路两阶段施工图设计》内容(3)、中华人民共和国行业标准《公路工程施工安全技术规程》JTJ076-95(4)、中华人民共和国国家标准《土方与爆破工程施工及验收规范》(GB50201-2012)(5)、中华人民共和国国家标准《环境空气质量标准》GB3095-2012三、施工计划(1)、人员安排施工人员姓名职责与责任技术责任人闫威负责总体施工技术指导道路工程师郑宝柱施工管理与组织安排2云南嵩明(小铺)至昆明段高速公路5合同路基挖方安全专项施工方案质检工程师高云龙负责施工质量监督与质量管理测量工程师向宇负责施工测量管理与指导工作试验工程师陈红英负责原材检验与试验检测工作安全负责人程知远负责施工安全监督与施工安全管理现场负责人冯浩现场施工技术工作及具体工作安排工人200人(2)、机械设备设备名称数量技术情况挖掘机13良好装载机14良好自卸汽车70良好推土机6良好平地机9良好压路机20良好四、施工工艺路基挖方工艺流程图3测量放样云南嵩明(小铺)至昆明段高速公路5合同路基挖方安全专项施工方案(1)、准备工作①、根据设计院所给定的导线点、水准点,我项目测量队已进行复测加密,并已上报监理工程师确认,经确认无误;利用其进行路线中桩、边桩的测量放样工作已完成,路基直线段每20m一点,曲线段每10m一点。②、路基清表前必须首先检测原地面标高,测绘路基横断面,报送监理工程师审核批复。③、开工前由测量队放样,放出路基挖方边桩,并开挖小沟以标出具体范围,报监理工程师认可;④、组织试验室及时做好含水量、液、塑性、颗粒分析等土工试验,并编写试验报告报监理工程师认可。拟用于路基填筑的土方必须在监...

1、当您付费下载文档后,您只拥有了使用权限,并不意味着购买了版权,文档只能用于自身使用,不得用于其他商业用途(如 [转卖]进行直接盈利或[编辑后售卖]进行间接盈利)。
2、本站所有内容均由合作方或网友上传,本站不对文档的完整性、权威性及其观点立场正确性做任何保证或承诺!文档内容仅供研究参考,付费前请自行鉴别。
3、如文档内容存在违规,或者侵犯商业秘密、侵犯著作权等,请点击“违规举报”。

碎片内容

路基挖方--安全专项方案

确认删除?
VIP
微信客服
  • 扫码咨询
会员Q群
  • 会员专属群点击这里加入QQ群
客服邮箱
回到顶部