电脑桌面
添加小米粒文库到电脑桌面
安装后可以在桌面快捷访问

木铝复合门窗企业标准1VIP专享VIP免费

木铝复合门窗企业标准1_第1页
1/13
木铝复合门窗企业标准1_第2页
2/13
木铝复合门窗企业标准1_第3页
3/13
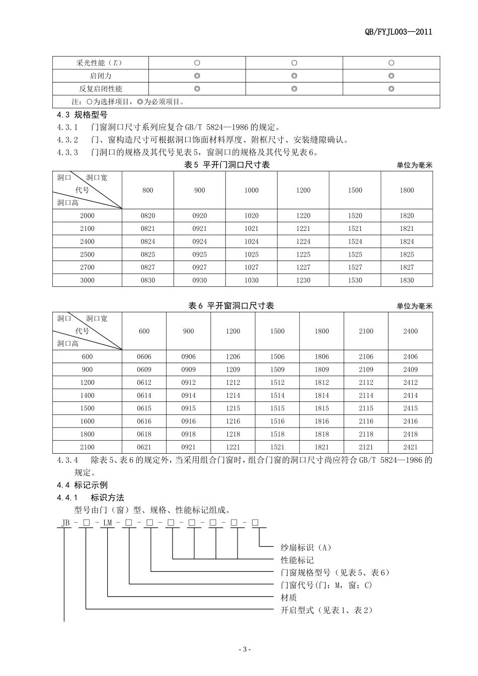
QB/FYJL003—2011木铝复合门、木铝复合窗1.范围本标准规定了xxxxx有限公司生产的平开、复合开启的木铝复合门窗的种类、分类、技术要求、检验方法、检测规则、包装、标识、运输和贮存。本标准适用于木材与铝型材复合制作的门、窗。本标准不适用于特殊功能的门、窗,如防火门、防火窗等。2.规范性引用文件下列文件中的条款通过本标准的引用而成为本标准的条款。凡是注日期的引用文件,其随后所有的修改单(不包括勘误的内容)或修订版均不适用于本标准,然而,鼓励根据本标准达成协议的各方研究是否可使用这些文件的最新版本。凡是不注日期的引用文件,其最新版本适用于本标准。JG/T122—2000建筑木门、木窗GB/T8478—2003铝合金门GB/T8479—2003铝合金窗GB/T2518—2004连续热镀锌钢板和钢带GB/T2828—1987逐批检查计数抽样程序及抽样表GB/T4823—1995锯材缺陷GB/T5237—2004铝合金建筑型材GB/T5823—1986建筑门窗术语GB/T5824—1986建筑门窗洞口尺寸系列GB/T5825—1986建筑门窗扇开、关方向和开、关面的标志符号GB/T6388运输包装收发货标志GB/T7106建筑外窗抗风压性能分级及其检测方法GB/T7107建筑外窗空气渗透性能分级及其检测方法GB/T7108建筑外窗雨水渗漏性能分级及其检测方法GB/T8484建筑外窗保温性能分级及其检测方法GB/T8485建筑外窗空气隔声性能分级及其检测方法GB/T9158—1988建筑用窗承受机械力的检测方法GB/T9799金属覆盖层钢铁上的锌电镀层(eqvISO2081:1986)GB/T11954—1989指接材GB/T11976建筑外窗采光性能分级及检测方法GB/T14154塑料门垂直荷载试验方法GB/T14436工业产品保证文件总则GB/T14952.3铝及铝合金阳极氧化着色阳极氧化膜色差和外观质量检验方法目视观察法GB18580—2001室内装饰装修材料人造板及其制品中甲醛释放限量QB/T1129塑料门窗硬物撞击试验方法ISO9379整樘门—反复开、关试验JGJ113建筑玻璃应用技术规范JG/T187—2006建筑门窗用密封胶条JC/T635—1996建筑门窗密封毛条技术条件GB191包装储运图示标志(eqvISO780:1997)GB50005-2003木结构设计规范JGJ102-1996玻璃幕墙技术规范JGJ113建筑玻璃应用技术规范-1-QB/FYJL003—20113.术语和定义本标准采用下列定义3.1木铝复合门指用铝合金建筑型材和木材或木质人造板复合制作门框、门扇结构的门。3.2木铝复合窗指用铝合金建筑型材和木材或木质人造板复合制作窗框、窗扇结构的窗。4.分类、规格、代号4.1按开启形式区分开启形式与代号按表1、表2规定。表1门开启形式与代号开启形式折叠平开推拉推拉平开平开下悬地弹簧代号ZPTTPPXDH注1:固定部分与平开门或推拉门组合时为平开门或推拉门。注2:百叶窗符号为Y、纱扇门符号为S。表2窗开启形式与代号开启形式固定上悬中悬下悬立转平开滑轴平开滑轴推拉推拉平开平开下悬代号GSCXLPHPHTTPPX注1:固定部分与平开窗或推拉窗组合时为平开窗或推拉窗。注2:百叶窗符号为Y、纱扇窗符号为A。4.2按性能区分性能按表3、表4规定。表3门性能性能项目种类普通型隔音型保温型抗风压性能(P3)○○○水密性能(ΔP)○○○气密性能(q1,q2)○◎◎保温性能(K)○○◎空气隔声性能(RW)○◎○采光性能(Tr)○○○撞击性能◎◎◎垂直荷载强度◎◎◎启闭力◎◎◎反复启闭性能◎◎◎注:○为选择项目,◎为必须项目。用于外推拉门、外平开门窗抗风压、水密、气密性能为必选项目。表4窗性能性能项目种类普通型隔音型保温型抗风压性能(P3)◎◎◎水密性能(ΔP)◎◎◎气密性能(q1,q2)◎◎◎保温性能(K)○○◎空气隔声性能(RW)○◎○-2-QB/FYJL003—2011采光性能(Tr)○○○启闭力◎◎◎反复启闭性能◎◎◎注:○为选择项目,◎为必须项目。4.3规格型号4.3.1门窗洞口尺寸系列应复合GB/T5824—1986的规定。4.3.2门、窗构造尺寸可根据洞口饰面材料厚度、附框尺寸、安装缝隙确认。4.3.3门洞口的规格及其代号见表5,窗洞口的规格及其代号见表6。表5平开门洞口尺寸表单位为毫米洞口洞口宽代号洞口高800900100012001500180020000820092010201220152018202100082109211021122115211821240008240924102412241524182425000825092510251225152518252700082709271027122715271827300008...

1、当您付费下载文档后,您只拥有了使用权限,并不意味着购买了版权,文档只能用于自身使用,不得用于其他商业用途(如 [转卖]进行直接盈利或[编辑后售卖]进行间接盈利)。
2、本站所有内容均由合作方或网友上传,本站不对文档的完整性、权威性及其观点立场正确性做任何保证或承诺!文档内容仅供研究参考,付费前请自行鉴别。
3、如文档内容存在违规,或者侵犯商业秘密、侵犯著作权等,请点击“违规举报”。

碎片内容

木铝复合门窗企业标准1

确认删除?
VIP
微信客服
  • 扫码咨询
会员Q群
  • 会员专属群点击这里加入QQ群
客服邮箱
回到顶部