电脑桌面
添加小米粒文库到电脑桌面
安装后可以在桌面快捷访问

建筑给水排水施工质量验收规范VIP免费

建筑给水排水施工质量验收规范_第1页
1/19
建筑给水排水施工质量验收规范_第2页
2/19
建筑给水排水施工质量验收规范_第3页
3/19
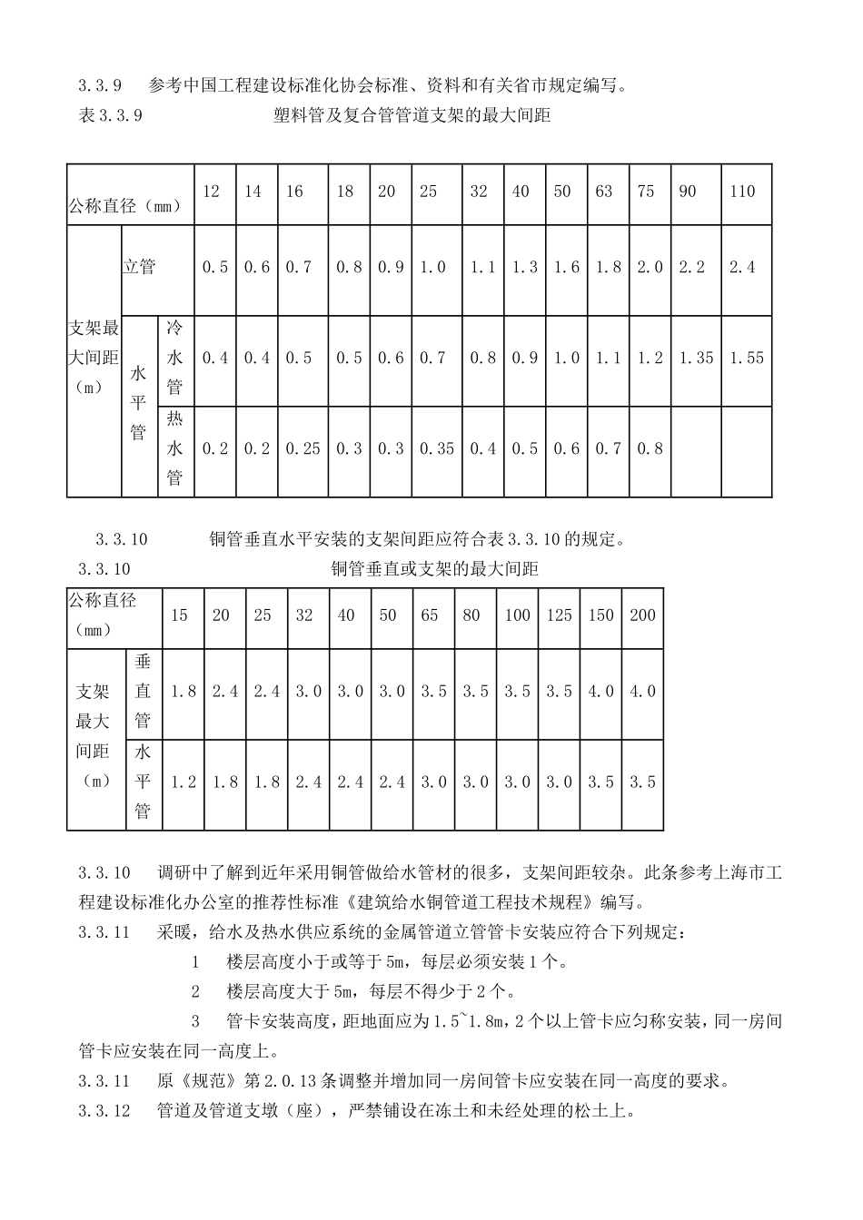
建筑给水排水施工质量验收规范3.3.4管道穿过结构伸缩缝、抗震缝及沉降缝敷设时,应根据情况采取下列保护措施:1在墙体两侧采取柔性连接。2在管道或保温层外皮上、下部留有不小于150mm的净空。3在穿墙处做成方形补偿器,水平安装。3.3.4在调研中了解到,有些工程项目在伸缩缝、抗震缝及沉降缝处的管道安装,由于处理不当,使用中出现变形破裂现象,所以增加了此条款。3.3.5在同一房间内,同类型的采暖设备、卫生器具有管道配件,除有特殊要求外,应安装在同一高度上。3.3.6明装管道成排安装时,直线部分应互相平和。曲线部分:当管道水平或垂直并行时,应与直线部分保持等距;管道水平上下并行时,弯管部分的曲率半径应一致。3.3.7管道支、吊、托架的安装,应符合下列规定:1位置正确,埋设应平整牢固。2固定支架与管道接触应紧密,固定应牢靠。3滑动支架应灵活,滑托与滑槽两侧间应留有3-5mm的间隙,纵向移动量应符合设计要求。4无热伸长管道的吊架、吊杆应垂直安装。5有热伸长管道的吊架、吊杆应向热膨胀的反方向偏移。6固定在建筑结构上的管道支、吊架不得影响结构的安全。3.3.5-3.3.7原《规范》第2.0.8条、第2.0.9条、第2.0.11条经过多年的实践是可行适用的,故保存。3.3.8钢管水平安装的支、吊架间距不应大于表3.3.8的规定。3.3.8原《规范》第2.0.12条中保温管道支架间距根据调研及参考一些资料适当地放宽0.5m。表3.3.8钢管管道支架的最大间距公称直径(mm)1520253240507080100125150200250300支架最大间距保温管22.52.52.533444.567788.5不保温管2.533.544.55666.5789.511123.3.9采暖、给水及热水供应系统的塑料管及复合管垂直或水平安装的支架间距应符合表3.3.9的规定。采用金属制作的管道支架,应在管道与支架间加衬非金属垫或套管。3.3.9参考中国工程建设标准化协会标准、资料和有关省市规定编写。表3.3.9塑料管及复合管管道支架的最大间距公称直径(mm)121416182025324050637590110支架最大间距(m)立管0.50.60.70.80.91.01.11.31.61.82.02.22.4水平管冷水管0.40.40.50.50.60.70.80.91.01.11.21.351.55热水管0.20.20.250.30.30.350.40.50.60.70.83.3.10铜管垂直水平安装的支架间距应符合表3.3.10的规定。3.3.10铜管垂直或支架的最大间距公称直径(mm)1520253240506580100125150200支架最大间距(m)垂直管1.82.42.43.03.03.03.53.53.53.54.04.0水平管1.21.81.82.42.42.43.03.03.03.03.53.53.3.10调研中了解到近年采用铜管做给水管材的很多,支架间距较杂。此条参考上海市工程建设标准化办公室的推荐性标准《建筑给水铜管道工程技术规程》编写。3.3.11采暖,给水及热水供应系统的金属管道立管管卡安装应符合下列规定:1楼层高度小于或等于5m,每层必须安装1个。2楼层高度大于5m,每层不得少于2个。3管卡安装高度,距地面应为1.5~1.8m,2个以上管卡应匀称安装,同一房间管卡应安装在同一高度上。3.3.11原《规范》第2.0.13条调整并增加同一房间管卡应安装在同一高度的要求。3.3.12管道及管道支墩(座),严禁铺设在冻土和未经处理的松土上。3.3.13管道穿过墙壁和楼板,应设置金属或塑料套管。安装在楼板内的套管,其顶部高出装饰地面20mm;安装在卫生间及厨房内的套管,其顶部应高出装饰地面50mm,底部应与楼板底面相平;安装在墙壁内的套管其两端与饰面相平。穿过楼板的套管与管道之间缝隙宜用阻燃密实材料填实,且端面应光滑。管道的接口不得设在套管内。3.3.14弯制钢管,弯曲半径应符合下列规定:1热弯:应不小于管道外径的3.5倍。2冷弯:应不小于管道外径的4倍。3焊接弯头:应不小于管道外径的1.5倍。4冲压弯头:应不小于管道外径。3.3.12-3.3.14原《规范》条文,增加了套管与管道之间缝隙应用阻燃密实材料。经过调研了解到,这个缝隙不堵不美观,而且不具私密性,所以增加了此内容。3.3.15管道接口应符合下列规定:1管道采用粘接接口,管端插入承口的深度不得小于表3.3.15的规定。表3.3.15管端插入承口的深度公称直径(mm)202532405075100125150插入深度(mm)1619222631446169802熔接连接管道的结合面应有一均匀的熔接圈,不得出现局部熔瘤或熔接圈凸凹不匀现象。...

1、当您付费下载文档后,您只拥有了使用权限,并不意味着购买了版权,文档只能用于自身使用,不得用于其他商业用途(如 [转卖]进行直接盈利或[编辑后售卖]进行间接盈利)。
2、本站所有内容均由合作方或网友上传,本站不对文档的完整性、权威性及其观点立场正确性做任何保证或承诺!文档内容仅供研究参考,付费前请自行鉴别。
3、如文档内容存在违规,或者侵犯商业秘密、侵犯著作权等,请点击“违规举报”。

碎片内容

建筑给水排水施工质量验收规范

书海行舟+ 关注
实名认证
内容提供者

热爱教学事业,对互联网知识分享很感兴趣

确认删除?
VIP
微信客服
  • 扫码咨询
会员Q群
  • 会员专属群点击这里加入QQ群
客服邮箱
回到顶部