电脑桌面
添加小米粒文库到电脑桌面
安装后可以在桌面快捷访问

钢筋混凝土基础梁的设计方法VIP免费

钢筋混凝土基础梁的设计方法_第1页
1/4
钢筋混凝土基础梁的设计方法_第2页
2/4
钢筋混凝土基础梁的设计方法_第3页
3/4
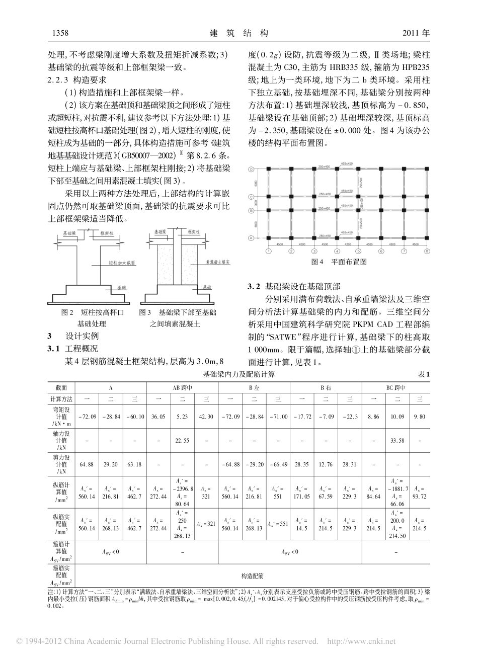
第41卷增刊2011年4月建筑结构BuildingStructureVol.41Apr.S12011*国家自然科学基金资助(项目批准号:51078176、50808096)。作者简介:张敬书,硕士,副教授,一级注册结构工程师,Email:zjs66cn@yahoo.com.cn。钢筋混凝土基础梁的设计方法﹡张敬书1,2,汪朝成1,2,金德保3,冯立平3(1西部灾害与环境力学教育部重点实验室(兰州大学),兰州730000;2兰州大学土木工程与力学学院,兰州730000;3甘肃建设工程咨询设计有限责任公司,兰州730030)摘要]基础梁一般设置在基顶或室内地面附近,这两种设置方式均有利弊。介绍了当前基础梁的设计方法,分析了基础梁设置位置的影响,有针对性地提出了符合实际和规范要求的设计方法。指出可采用满荷载法、非承重墙梁法和三维空间分析法进行计算,在采用三维空间分析法利用计算软件对基础梁进行计算时,应特别注意计算嵌固点的选取、风荷载和地震作用的计算、梁刚度增大系数和扭矩折减系数的取值、混凝土保护层厚度等问题。还提出了基础梁设置在室内地面附近时,对基顶和梁底形成的短柱的处理方法,最后给出了基础梁的设计实例。关键词]基础梁;设置位置;设计方法中图分类号:TU528.01文献标识码:B文章编号:1002-848X(2011)S1-1356-04DesignmethodforfoundationbeamofreinforcedconcreteZhangJingshu1,2,WangChaocheng1,2,JinDebao3,FengLiping3(1KeyLaboratoryofMechanicsonDisasterandEnvironmentinWesternChina(LanzhouUniversity),MinistryofEducation,Lanzhou730000,China;2CollegeofCivilEngineeringandMechanics,LanzhouUniversity,Lanzhou730000,China;3GansuArchitectureDesign&ConsultationCo.,Ltd.,Lanhou730030,China)Abstract:Thefoundationbeammaybesetonthetopoffoundationorneartheinteriorfloor,andbothofthesetmodeshavetheiradvantagesanddisadvantages.Thepresentdesignmethodoffoundationbeamwasdescribed,andtheinfluenceofpositionoffoundationbeamwasanalyzed.Thedesignmethodinaccordancewithcodeswasproposed.Indesign,thecomputationalmethodsoffullloads,nonbearingwallbeam,andthreedimensionalspaceanalysismaybeused.Ifthreedimensionalspaceanalysismethodwithcalculationsoftwarewasusedincomputingthefoundationbeam,designersmustpayattentiontochoiceofthecalculationmountedpoint,windloadandseismicaction,thevaluesofstiffnessenhancementcoefficientandtorquereductioncoefficientoffoundationbeamandtheconcretecoverthickness.Asthefoundationbeamwassetneartheinteriorfloor,treatmentmethodsforshortcolumnsbetweenthetopoffoundationandthebottomofbeamwereproposed.Intheend,adesignexampleoffoundationbeamwasgiven.Keywords:foundationbeam;setposition;designmethod0引言基础梁的主要作用是用来承受并传递首层填充墙的荷载,同时还可以拉结桩基承台或独立基础,从而加强基础的整体性,抵抗不均匀沉降。目前基础梁的设计还存在着一些问题,主要是由于基础梁的设置位置差异,从而影响到上部结构计算嵌固端和计算模型的选择。这不但对基础梁有影响,而且对上部结构的内力也产生一定影响。文中分析了基础梁的设计方法及存在的问题,在此基础上提出了较为合理的设计建议,可供工程设计参考。1基础梁的设计方法及存在的问题目前基础梁设置部位有以下两种:一是设在基础顶部,与基础拉结在一起,如图1所示;二是设在基础以上室内地面附近,与层1框架柱拉结在一起。这两种设置方法均存在一定的利弊。1.1基础梁设在基础顶部基础梁设在基础顶部,基础梁能够有效拉结基础,可以增加基础的整体性,具有抵抗一定不均匀沉降的能力,而且上部结构的计算嵌固点位置明确,是传统的设计方法。但在基础埋深较深时,则基础梁上的填充墙用量增多,不经济。在实际设计中,其位置也分两种:一是为基础梁与上部框架柱浇筑在一起,梁底与基顶齐平(图1(a));二是为基础梁与基础浇筑在一起,梁顶与基顶齐平(图1(b))。设计中应注意以下几个问题:(1)嵌固端及计算模型的选择。基础梁设置在...

1、当您付费下载文档后,您只拥有了使用权限,并不意味着购买了版权,文档只能用于自身使用,不得用于其他商业用途(如 [转卖]进行直接盈利或[编辑后售卖]进行间接盈利)。
2、本站所有内容均由合作方或网友上传,本站不对文档的完整性、权威性及其观点立场正确性做任何保证或承诺!文档内容仅供研究参考,付费前请自行鉴别。
3、如文档内容存在违规,或者侵犯商业秘密、侵犯著作权等,请点击“违规举报”。

碎片内容

钢筋混凝土基础梁的设计方法

您可能关注的文档

书海行舟+ 关注
实名认证
内容提供者

热爱教学事业,对互联网知识分享很感兴趣

确认删除?
VIP
微信客服
  • 扫码咨询
会员Q群
  • 会员专属群点击这里加入QQ群
客服邮箱
回到顶部