电脑桌面
添加小米粒文库到电脑桌面
安装后可以在桌面快捷访问

深基坑支护方案VIP免费

深基坑支护方案_第1页
1/10
深基坑支护方案_第2页
2/10
深基坑支护方案_第3页
3/10
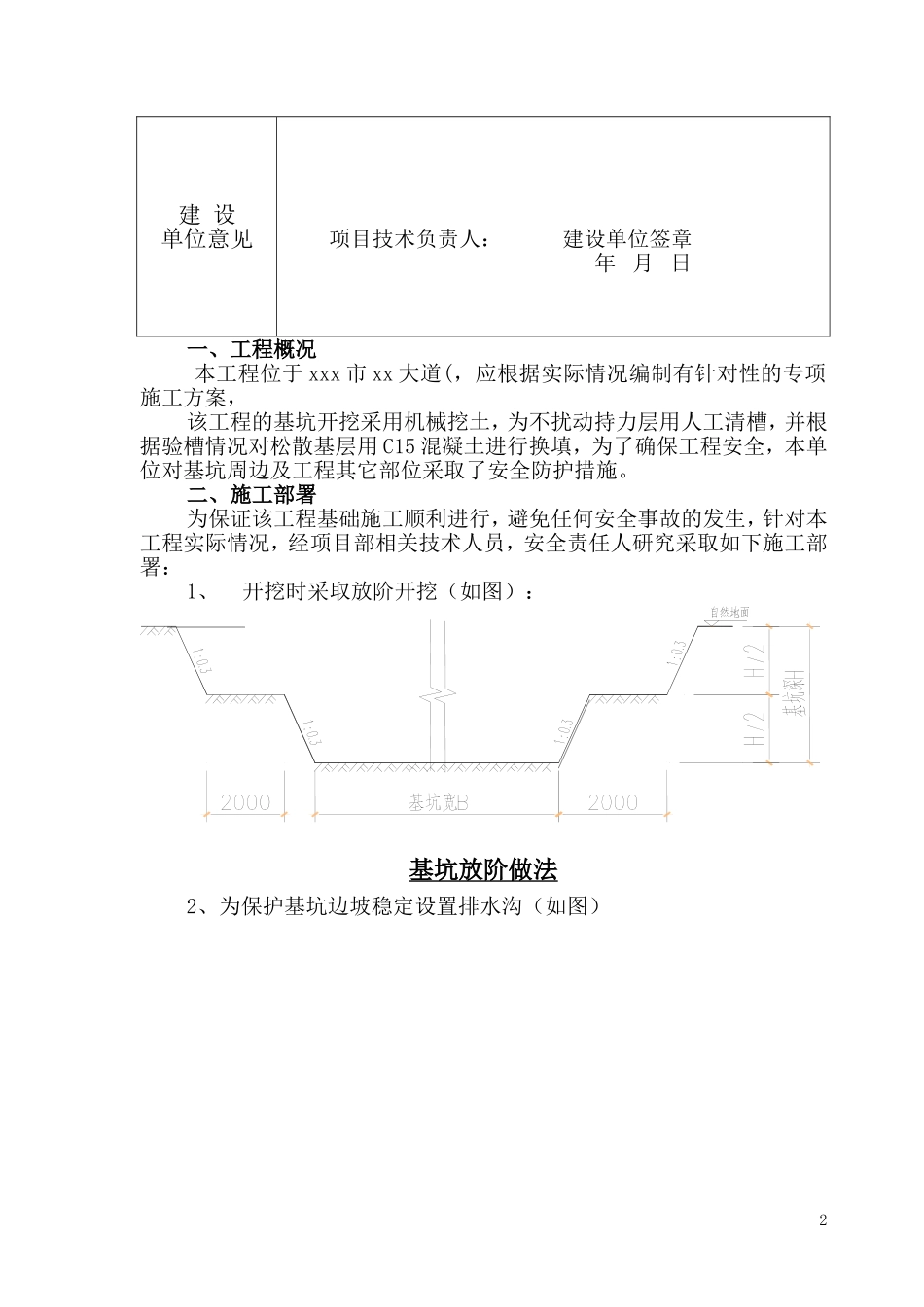
深基坑支护方案基坑开挖及支护方案审批表工程名称xxx建设单位xxx实业有限公司监理单位xxx工程管理咨询有限公司施工单位xxx建筑工程有限公司施工单位(呈报内容)编制单位依据国家相关标准、规范以及本工程实际情况,编制了基坑开挖及支护施工方案,现报送建设单位及监理单位审批。编制人:审核人:编制单位签章年月日监理单位意见监理工程师:监理单位签章年月日1建设单位意见项目技术负责人:建设单位签章年月日一、工程概况本工程位于xxx市xx大道(,应根据实际情况编制有针对性的专项施工方案,该工程的基坑开挖采用机械挖土,为不扰动持力层用人工清槽,并根据验槽情况对松散基层用C15混凝土进行换填,为了确保工程安全,本单位对基坑周边及工程其它部位采取了安全防护措施。二、施工部署为保证该工程基础施工顺利进行,避免任何安全事故的发生,针对本工程实际情况,经项目部相关技术人员,安全责任人研究采取如下施工部署:1、开挖时采取放阶开挖(如图):基坑放阶做法2、为保护基坑边坡稳定设置排水沟(如图)23、基坑设置围护栏杆4.基坑护壁采用桩、锚结构,旋喷桩封水.基坑四周设有高压旋喷止水桩,桩径Φ650mm,桩长13.5m。(1)锚杆施工锚杆施工流程确定孔位→钻机就位→调整角度→钻孔→清孔→安装锚索→一次注浆→二次补浆→施工锚索腰梁→张拉→锚头锁定→割除锚头多余钢铰线,对锚头进行保护。3确定孔位钻孔位置直接影响锚杆的安装质量和力学效果,因此,钻孔前应由技术人员按设计要求定出孔位,标注醒目的标志,不可由钻机机长目测定位。调整钻杆角度钻孔就位后,由机长调整钻杆钻进角度,并经现场技术人员用量角仪检查合格后,才可正式开钻。另外,要特别注意检查钻杆左右倾斜度。因本工程第一道锚杆均为一桩一锚,水平间距才1米,钻孔过大的左右倾斜度会导致相邻两根锚杆锚固体的间距变小,出现应力集中,影响锚固效果,入射角允许偏差±2°。钻孔因本工程地质较复杂,锚杆通过旋喷桩、粘土及砂土,通过旋喷桩、粘土层时容易堵管,而通过砂土时极容易塌孔。经比较,采用等同锚杆直径的套管跟进,压水钻进的方法钻孔,钻进时压力水从钻管流向孔底,在一定水头压力下,水流携带钻削下来的土屑排出孔外,钻进时要不断供水冲洗,包括接长钻管和暂时停机,而且要始终保持孔口水位,若发现不能压水进去,说明已堵管,应拔出钻管,把粘土塞取出,再继续钻进。待钻进至规定深度(钻孔深度大于锚杆长度0.5m),钻机继续旋转,并压水冲洗残留在孔中的土屑,直到流出的水不浑浊为止。此时应安插锚索,并立即注浆。锚索的制作与安装A.每根钢铰线的下料长度=锚杆设计长度+腰梁的宽度+锚索张拉时端部最小长度(与选用的千斤顶有关)。本工程为:下料长度=锚杆设计长度+1.1m。B.钢铰线自由段部分应满涂黄油,并套入塑料管,两端绑牢,以保证自由段的钢铰线能伸缩自由。C.捆扎钢铰线隔离架沿锚杆长度方向每隔1.5m设置一个。D.锚索的安插锚索加工完成,经检查合格后,安装前小心运至孔口。入孔前将4"镀锌管(作注浆管)平行并入一起,然后将锚索与注浆管同步送入孔内,直到孔口外端剩1.1m为止。如发现锚索安插人管内困难,说明钻管内有粘土堵管,不要再继续用力插入,使钢铰线与隔离架松散,而应把钻管拔出,清除4出钻孔内的粘土,重新在厚位钻孔到位。E.注浆a.本工程采用边注浆边拔管的注浆方法,拔管比注浆迟后不小于5m。b.采用425。普通硅酸盐水泥配制水泥浆,水灰比控制在0.4~0.45,注浆压力控制在0.4~0.6Mpa,直到孔口溢出浆。此时就把钻管全部拨出,注浆管不拔。c.接着用水泥袋湿粘土加钢板封口,并严密堵实,以0.4~0.6Mpa稳压注浆5分钟,才拔出注浆管。d.注浆量要大于其理论计算量的1.2倍。本工程所有锚杆的注浆量均大于1.25倍。F.锚索张拉与锁定a.张拉前首先处理好腰梁表面锚索孔口使其平整,避免张拉应力集中,加垫-200×200×8的钢板,用60KN的拉力进行预拉。b.张拉时,锚固体的强度应达到l5Mpa(以试块试压为依据)。c.考虑到设计要求张拉荷载要达到设计拉力,而锁定荷载为设计拉力的85%,因此张拉时的锚头处不放锁片,张拉荷载达设计拉力后,卸荷到0,再锚头...

1、当您付费下载文档后,您只拥有了使用权限,并不意味着购买了版权,文档只能用于自身使用,不得用于其他商业用途(如 [转卖]进行直接盈利或[编辑后售卖]进行间接盈利)。
2、本站所有内容均由合作方或网友上传,本站不对文档的完整性、权威性及其观点立场正确性做任何保证或承诺!文档内容仅供研究参考,付费前请自行鉴别。
3、如文档内容存在违规,或者侵犯商业秘密、侵犯著作权等,请点击“违规举报”。

碎片内容

深基坑支护方案

您可能关注的文档

确认删除?
VIP
微信客服
  • 扫码咨询
会员Q群
  • 会员专属群点击这里加入QQ群
客服邮箱
回到顶部