电脑桌面
添加小米粒文库到电脑桌面
安装后可以在桌面快捷访问

压型钢板组合楼板施工工艺标准VIP免费

压型钢板组合楼板施工工艺标准_第1页
1/6
压型钢板组合楼板施工工艺标准_第2页
2/6
压型钢板组合楼板施工工艺标准_第3页
3/6
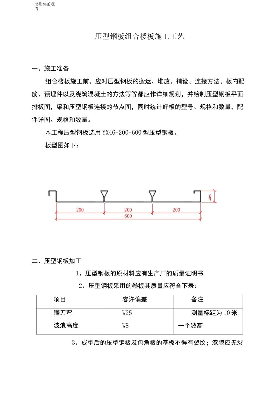
感谢你的观看压型钢板组合楼板施工工艺一、施工准备组合楼板施工前,应对压型钢板的搬运、堆放、铺设、连接方法、板内配筋、预埋件以及浇筑混凝土的方法等等都应作详细规划,并绘制压型钢板平面排板图,梁和压型钢板连接的节点图,同时统计好板的型号、规格和数量,配件详图、规格和数量。本工程压型钢板选用YX46-200-600型压型钢板。板型图如下:二、压型钢板加工1、压型钢板的原材料应有生产厂的质量证明书2、压型钢板采用的卷板其质量应符合下表:项目容许偏差备注镰刀弯W25测量标距为10米一个波髙波浪高度W83、成型后的压型钢板及包角板的基板不得有裂纹;漆膜应无裂感谢你的观看纹、剥落等缺陷。4、压型钢板长度的容许偏差不应大于土7mm,横向剪刀差不应大于5mm。5、压型钢板截面尺寸的容许偏差不应超过下表:截面高度(mm)容许偏差备注覆盖宽度波距波高<70+8-2土2土1.5>70+5-2土2土2.06、包角板几何尺寸的容许偏差不应超过下表限值:类别下料长度下料宽度弯折面宽度弯折面夹角容许偏差土5土2土22°7、压型钢板的几何尺寸应进行抽样检查。8、压型钢板出厂时必须有产品合格证。三、压型钢板运输和保管1、装卸无外包装的压型钢板时,严禁直接用钢丝绳绑扎起吊。2、用车辆运输无外包装的压型钢板时,应在车上设置衬有橡胶衬垫的枕木,间距不得大于3米。3、对于采用汽车运输的压型板等,采用角钢框架分层固定,绑扎牢固后进行运输。感谢你的观看4、压型钢板装卸时的悬伸长度不应大于1.5m。5、压型钢板应按材质、板型分别堆放,压型钢板上不得堆放重物,应避免污染。6、板型规格的堆放顺序应与施工安装顺序相配合。7、压型钢板在工地可采用枕木架空(架空枕木要保持约5%的倾斜度)堆放。应堆放在不妨碍交通、不被高空重物撞击的安全地带,并应采取遮雨措施。8、安装压型钢板时,施工人员必须穿软底鞋,且不得聚集在一起。在压型钢板上行走频繁的地方应设置临时木支撑。吊放在钢梁上的压型钢板,应于当日安装完毕。未安装完毕的,必须用绳具与钢梁捆绑牢固。9、栓钉和瓷环的成品包装箱在运输中不得有损坏,运到现场后要存放在干燥的小库房中,以免栓钉和瓷环受潮.在施工中用多少料取多少料,以免来回搬运.四、压型钢板切割、割孔和局部处理1、切割和钻孔,原则上应采用机械加工,不要损害压型钢板的材质和形状,不得已时可采用气割。考虑采用带锯机和全能锯机进行。2、压型钢板在切割前必须校正弯曲和变形,切割时产生的毛刺、卷边应及时清除。3、压型钢板的端头未做封闭处理时,应设堵头板和挡板,防止施工时混凝土的泄漏。4、在压型钢板现场开洞的部位,应对其进行局部补强。5、穿过楼板的水管,套管和各种悬挂件等都应事先固定在压型钢板上或埋在槽内。感谢你的观看6、清扫压型钢板表面的各种杂物,以便下道工序的施工。五、压型钢板铺设1、清扫钢梁顶面的杂物,对变形的压型钢板进行矫正。2、除去焊接部位附近和混凝土接触面以外的钢结构部分都应做好防3、锈处理。4、根据排板图,在钢梁上进行定位,然后进行压型钢板的安装。压型钢板之间采用贴角焊缝连接,以防止压型钢板的分离或移动。5、压型钢板与钢梁之间采用塞焊连接。6、压型板的端部处理、压型板与梁的搭接,压型板与压型板之间的对接等应严格按照施工图及有关标准和规范的要求施工。7、压型钢板之间的连接可采用角焊缝或塞焊缝以防止相互移动和分开,焊缝间距为300毫米左右,焊缝长度在20-30毫米为佳。8、铺设时注意压型钢板和梁的支承长度应满足设计图纸和国家规范要求。支承在钢梁上的组合板支承长度不应少于75毫米,其中压型钢板支承长度不应少于50毫米。9、施工前,施工技术人员应熟悉排板图和节点图,并对施工过程中可能出现的技术问题予以提前解决。10、施工人员应穿橡胶底鞋工作,以免划伤压型板的涂层。六、压型钢板临时支撑临时支撑是通过计算压型板的挠度来确定的。当板的跨度大于2400时,需加设临时支撑,临时支撑不能为点式支撑。临时支撑可考虑以下三种:1、底部临时支撑。2、压型板下设临时梁。3、从压型板上方设临时吊挂。根据本工程具体情况,拟考虑采用第二中方案。当砼的强度达到设计强感谢你的观看度的70%后...

1、当您付费下载文档后,您只拥有了使用权限,并不意味着购买了版权,文档只能用于自身使用,不得用于其他商业用途(如 [转卖]进行直接盈利或[编辑后售卖]进行间接盈利)。
2、本站所有内容均由合作方或网友上传,本站不对文档的完整性、权威性及其观点立场正确性做任何保证或承诺!文档内容仅供研究参考,付费前请自行鉴别。
3、如文档内容存在违规,或者侵犯商业秘密、侵犯著作权等,请点击“违规举报”。

碎片内容

压型钢板组合楼板施工工艺标准

您可能关注的文档

确认删除?
VIP
微信客服
  • 扫码咨询
会员Q群
  • 会员专属群点击这里加入QQ群
客服邮箱
回到顶部