电脑桌面
添加小米粒文库到电脑桌面
安装后可以在桌面快捷访问

塑胶件判定标准VIP免费

塑胶件判定标准_第1页
1/6
塑胶件判定标准_第2页
2/6
塑胶件判定标准_第3页
3/6
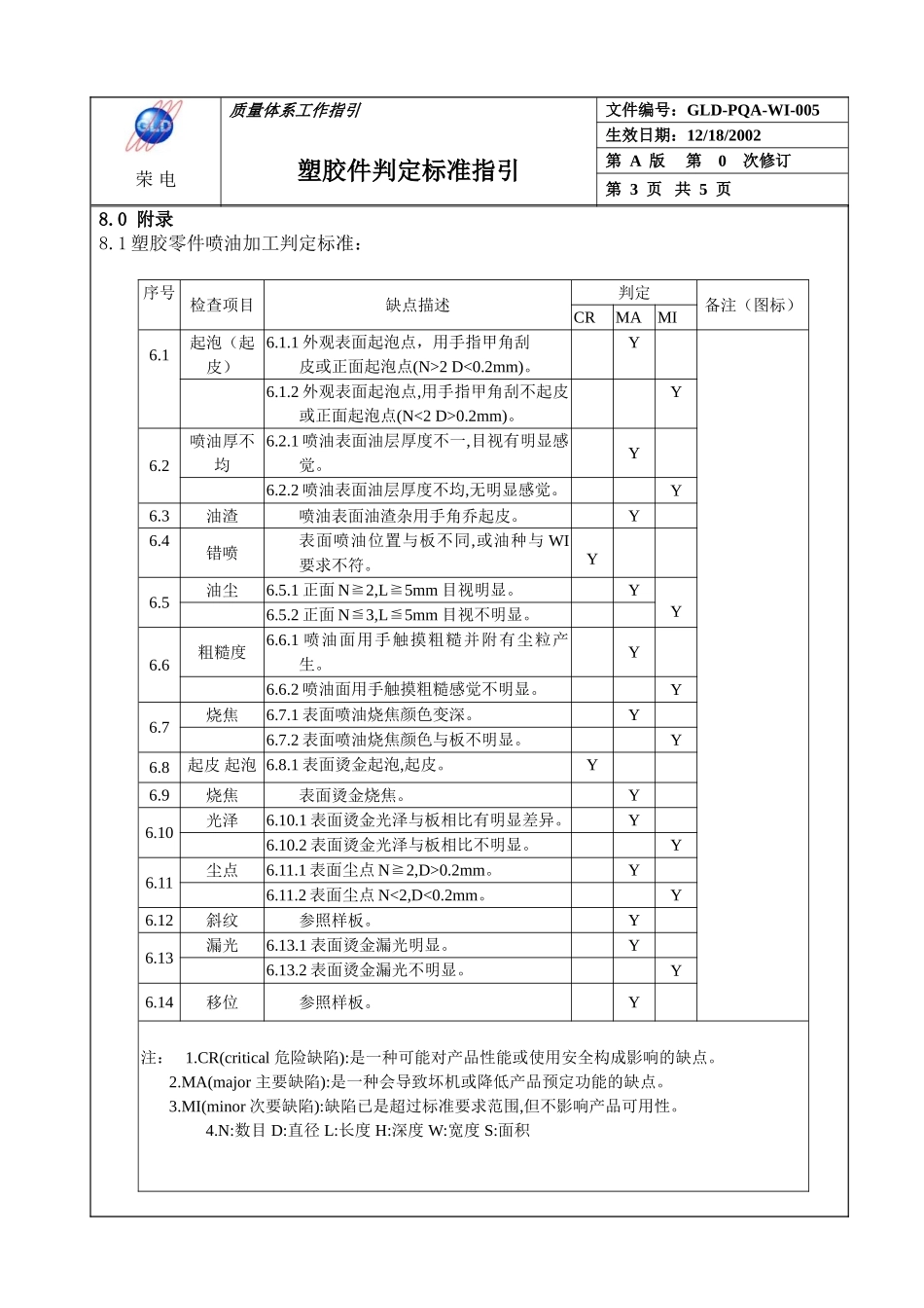
荣电质量体系工作指引塑胶件判定标准指引文件编号:GLD-PQA-WI-005生效日期:12/18/2002第A版第0次修订第1页共5页1.0目的保证我司所生产的产品满足客户的品质要求.2.0适用范围:适用于我司生产的所有塑胶件(除特别注明外).3.0职责3.1检查员负责执行标准的应用;3.2工程师负责标准的制定;3.3科文负责对检查员执行标准的落实与监督。4.0工作流程无5.0工作程序5.1验收标准:MIL-STD-105E检验水准Ⅱ(试装按物检验水准S-4).不同客户AQL规定不同具体如下:危陷缺陷(CR):0%主要缺陷(MA):0.65%次要缺陷(MI):1.0%5.2各种缺陷定义:5.2.1危险缺陷:是一种可能会不符合法律法规,民族信仰可对使用者安全构成影响的缺点.5.2.2主要缺陷:是一种会导致坏机降低产品预定功能的缺点.5.2.3次要缺陷:缺陷已超出标准要求范围,但不影响产品可用性.5.3验收标准:5.3.1检查环境:5.3.1.1人眼与被测塑料面的距离为30cm.5.3.1.2环境为正常日光灯下,检查室四周不能有反光.5.3.1.3检查时间:被测面123时间10S5S5S5.4缺陷定义及标准5.4.1缺陷定义:5.4.1.1披峰:在前后模分型面及顶针处,多出的分边.5.4.1.2缩水:由于物料结构厚度有差异,冷却不一致,造成成型后收缩处对周围产生拉应力,形成凹穴.5.4.1.3拖花:前模型腔有损造成前模退后时拖伤对象.5.4.1.4烘印:因塑料结构存在厚度差异,在塑料件表面形成模印痕.5.4.1.5夹水纹:因塑料结构存在孔位,造成塑料流经蕊时形成两股液体,两液体相交形成夹水纹5.4.1.6变形:因保压不够或顶针分配不合理,造成塑料件出模时翘曲或冷却时自然收缩引起形状发生变化.5.4.1.7走胶不齐:因调机参数不正常而导致塑料不能充分填满型腔,胶件不完整的现象.131212121荣电质量体系工作指引塑胶件判定标准指引文件编号:GLD-PQA-WI-005生效日期:12/18/2002第A版第0次修订第2页共5页5.4.1.8刀伤(披伤):加工披锋或水口不当残留加工痕迹。5.4.1.9拖模(拖白):前模蚀纹不好或出模斜度设计不当,在塑胶件周边形成平行模运动方向的残痕。5.4.1.10混色:与物料本身颜色不一致的小面积杂色。5.4.2缺陷标准:缺陷量度代码:N-数目,D-直径,L-长度,H-深度(高度),W-宽度,S-面积,具缺陷判定标准见附表。5.4.3尺寸测量及安装:5.4.3.1取与该P/N相接触的其他物料5-10PCS留意有无难装入,起级变形等,所偏差中手机不能超过0.3mm,主机不能超过0.5mm.5.4.3.2在试装配过程中,塑胶件之间的颜色不能匹配时,需请工程技术人员判定,工程技术人员依据客户提供的工程样板及相关资料(如留色板、存仓货、限度板)进行判定,色差不超过一个PANTONE为OK。5.4.4水口料检验暂行方法:5.4.4.1技术人员定时巡查机位,随时抽测资料情况,若发现水口料渗入比例超标,及时制止。5.4.4.2巡机QC在检查时取2PCS进行剪破试验,用剪钳将胶件剪出一断面,然后在断面附近进行折断试验,若断面整齐且声脆,须交工程技术人员判定或装机进行DropTest.5.4.4.3各胶件扣位处需装后做DropTest,每单试5PCS。5.5塑胶零件喷油加工判定标准(见附录)5.6塑胶丝印加工判定标准(见附录)5.7塑胶加工判定标准(见附录)6.0相关支持性文件无7.0质量记录无荣电质量体系工作指引塑胶件判定标准指引文件编号:GLD-PQA-WI-005生效日期:12/18/2002第A版第0次修订第3页共5页8.0附录8.1塑胶零件喷油加工判定标准:序号检查项目缺点描述判定备注(图标)CRMAMI6.1起泡(起皮)6.1.1外观表面起泡点,用手指甲角刮皮或正面起泡点(N>2D<0.2mm)。Y6.1.2外观表面起泡点,用手指甲角刮不起皮或正面起泡点(N<2D>0.2mm)。Y6.2喷油厚不均6.2.1喷油表面油层厚度不一,目视有明显感觉。Y6.2.2喷油表面油层厚度不均,无明显感觉。Y6.3油渣喷油表面油渣杂用手角乔起皮。Y6.4错喷表面喷油位置与板不同,或油种与WI要求不符。Y6.5油尘6.5.1正面N≧2,L≧5mm目视明显。YY6.5.2正面N≦3,L≦5mm目视不明显。6.6粗糙度6.6.1喷油面用手触摸粗糙并附有尘粒产生。Y6.6.2喷油面用手触摸粗糙感觉不明显。Y6.7烧焦6.7.1表面喷油烧焦颜色变深。Y6.7.2表面喷油烧焦颜色与板不明显。Y6.8起皮起泡6.8.1表面烫金起泡,起皮。Y6.9烧焦表面烫金烧焦。Y6.10光泽6.10.1表面烫金光泽与板相比有明显差...

1、当您付费下载文档后,您只拥有了使用权限,并不意味着购买了版权,文档只能用于自身使用,不得用于其他商业用途(如 [转卖]进行直接盈利或[编辑后售卖]进行间接盈利)。
2、本站所有内容均由合作方或网友上传,本站不对文档的完整性、权威性及其观点立场正确性做任何保证或承诺!文档内容仅供研究参考,付费前请自行鉴别。
3、如文档内容存在违规,或者侵犯商业秘密、侵犯著作权等,请点击“违规举报”。

碎片内容

塑胶件判定标准

确认删除?
VIP
微信客服
  • 扫码咨询
会员Q群
  • 会员专属群点击这里加入QQ群
客服邮箱
回到顶部