电脑桌面
添加小米粒文库到电脑桌面
安装后可以在桌面快捷访问

换热器检修施工方案VIP免费

换热器检修施工方案_第1页
1/9
换热器检修施工方案_第2页
2/9
换热器检修施工方案_第3页
3/9
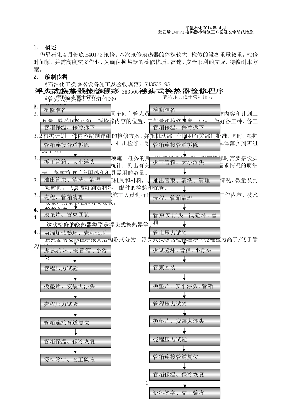
华星石化2014年4月苯乙烯E401/2换热器抢修施工方案及安全防范措施1.概述华星石化4月份底E401/2抢修。本次抢修换热器的体积较大、检修的设备重量较重,检修时间紧,并需高度交叉作业,为确保换热器的检修优质、高速、安全顺利的完成,特编制本方案。2.编制依据《石油化工换热器设备施工及验收规范》SH3532-95《石油化工施工安全技术规程》SH3505-1999《管壳式换热器》GB151-19993.检修准备3.1检修前,应根据检修计划会同车间主管人员一起到现场最终确定检修工作内容和计划工作量,熟悉现场的每一项检修内容的位置、工作量和检修难度,以便于做好各工种、各工序之间的工作协调。3.2根据计划工作内容编制详细的检修方案,并报机动部、车间和有关部门批准。同时,根据工作量合理组织人员和机具,排出检修计划进度表,要每一项检修内容具体落实到班组或个人。3.3根据检修计划内容,核实每项施工任务的具体位置和详细情况,对在检修时需要搭设脚手架和使用吊车的任务逐项统计,列出有关脚手架搭设数量和吊车台班需求情况的明细表,落实施工手段用料和机具需用的数量。3.4准备好检修所需的检修施工机具和材料,逐一落实检修所需材料的到货情况、数量及到货时间,认真做好到货材料、配件的检验和保管。3.5检修前,应向所有参加检修施工人员进行详细的技术交底,明确检修的工作内容、技术要求、质量标准和时间要求。4.检修程序4.1换热器结构形式这次检修的换热器类型是浮头式换热器等。4.2检修程序换热器的检修程序按其结构形式分为:浮头式换热器检修程序(壳程压力高于/低于管程压力);1检修准备管箱保温、保冷拆下管箱连接管道拆除管箱保温、保冷拆下管箱连接管道拆除拆下管箱、大小浮头抽出管束、清洗、清理壳程、管箱清理换垫片、管束回装拆下管箱、大小浮头壳程、管箱清理管束压力试验管束安浮头.试验环.管箱抽出管束、清洗、清理检修准备拆试验环.安管箱.小浮头管程压力试验换垫片、安装大浮头壳程压力试验管箱连接管道复位拆试验环.管箱.小浮头管束回装换垫片.安小浮头.管箱壳程压力试验管程压力试验两端加试验环、壳程试压资料签字、交工验收管箱保温、保冷恢复管箱连接管道复位管箱保温、保冷恢复资料签字、交工验收换垫片、安装大浮头浮头式换热器检修程序壳程压力低于管程压力浮头式换热器检修程序壳程压力高于管程压力华星石化2014年4月苯乙烯E401/2换热器抢修施工方案及安全防范措施5.检修要求5.1保温、保冷拆除换热器置换、蒸馏合格后,经车间允许方可进行换热器的检修。检修前,应按规定办理有关的票证,并按方案要求进行检修施工。换热器封头及连接管道的保温、保冷应提前进行拆除,拆除时应保持其完整,拆下的保温、保冷结构要编号,要保存好,便于恢复时使用。5.2管箱拆下首先,拆下与换热器两端管箱相连的法兰螺栓及妨碍拆卸管箱的管道。然后,使用倒链或吊车将两端的管箱吊下,拆下的螺栓要保管好并标记,管箱要放支垫固定牢固。浮头式换热器应先拆卸管箱、后头盖,然后拆下内浮头封头及后钩圈。5.3抽芯浮头式换热器需将芯子抽出清理。对安装标高在2m以下的且管束比较轻的换热器,可采用人力、倒链等方法抽芯。对安装标高在2m以上的换热器,应采用抽芯机和卷扬机配合进行抽芯,对安装标高在2m以下的换热器,但管束比较重的也应采用抽芯机抽芯。换热器抽芯时,抽芯机械应有足够的抽出力和推进力,能自动对中,且重心稳定,运转灵活,安全可靠。拆卸、紧固换热器螺栓和接管法兰螺栓时,应按交叉、对称的顺序进行(如下图所示),拆卸的螺栓应就近摆放整齐,若集中保管应分别装箱并标识好,换热器封头螺栓紧固时,至少应分三遍进行,起点应相互错开120°。2华星石化2014年4月苯乙烯E401/2换热器抢修施工方案及安全防范措施图一.拆卸、紧固换热器螺栓的方法拆卸、回装及抽芯时,不得损伤密封面,并将拆卸下的零部件做好标记,妥善保管。吊装换热器管束时,不得用钢丝绳或锐利的吊具直接捆绑管束,宜采用吊带对其有保护措施的吊具吊装。拆下的管束水平放置时,必须支撑在管板或支持板上。管束在回装前应仔细检查管束及壳体的内部,确认无杂物后方可回装。拆下的螺栓应逐个...

1、当您付费下载文档后,您只拥有了使用权限,并不意味着购买了版权,文档只能用于自身使用,不得用于其他商业用途(如 [转卖]进行直接盈利或[编辑后售卖]进行间接盈利)。
2、本站所有内容均由合作方或网友上传,本站不对文档的完整性、权威性及其观点立场正确性做任何保证或承诺!文档内容仅供研究参考,付费前请自行鉴别。
3、如文档内容存在违规,或者侵犯商业秘密、侵犯著作权等,请点击“违规举报”。

碎片内容

换热器检修施工方案

您可能关注的文档

确认删除?
VIP
微信客服
  • 扫码咨询
会员Q群
  • 会员专属群点击这里加入QQ群
客服邮箱
回到顶部