电脑桌面
添加小米粒文库到电脑桌面
安装后可以在桌面快捷访问

挤密桩施工方案VIP免费

挤密桩施工方案_第1页
1/11
挤密桩施工方案_第2页
2/11
挤密桩施工方案_第3页
3/11
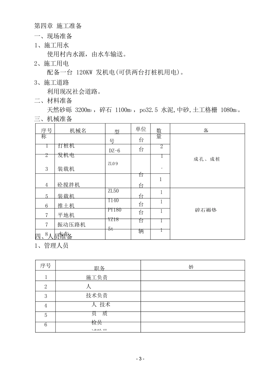
内容地基处理(天然砂砾夯扩挤密桩)路基土石方工程路基工程《公路工程质量检验评定标准》(JTGF80/1-2004)中的合格等级项目分项工程分部工程单位工程质量目标序号1234地基处理(天然砂砾夯扩挤密桩)施工方案第一章编制说明一、编制依据1、设计图纸、地勘报告及试验报告(1)北京市公路工程第#标段(K~K)施工图设计(2)地基处理设计图(3)工程地质勘察报告(4)挤密碎石桩复合地基试验区试验报告2、现行标准及规范(1)《公路工程质量检验评定标准》(JTGF80/1-2004)(2)《公路路基施工技术规范》(JTGF10-2022)3、相关文件及资料(1)公司质量体系文件现行有效版本(2)现场考察所获取的资料二、编制原则充分考虑本工程的特点,以先进的施工工艺、合理的进度计划及健全的质量保证措施确保实现质量、工期、安全及环保目标。三、编制范围段地基处理(天然砂砾夯扩挤密桩)。第二章工程概况一、基本情况二、工程简介本标段为。本标段主要工程数量:。本标段?段原采砂石坑地面以下为8.8m,后回填为建造垃圾、碎石,卵石;通道桥高填方段为旧房基;两段路基填方高度为6~7m,建造垃圾作为路基基底会引起路基工后不均匀沉降,桥头会引起跳车及桥面伸缩缝破坏须对该段路基基底进行处理。-1-三、地质状况1、地形、地貌及地物拟建场区位于,所处地貌单元为永定河冲洪积扇的上部,现状地形基本平整,地势由南向北逐渐升高。据调查,场区分布有大面积的已回填采砂石坑,且回填成份复杂,主要为松散的建造垃圾、碎石及卵石。2、地层岩性(1)人工堆积层(第1大层):表层为最大厚度3~5.6m的房渣土、碎石填土层,卵石填土层,中亚黏土填土层。(2)新近沉积层(第2大层):人工堆积层以下为新近沉积的中亚黏土层,细砂层。(3)第四纪沉积层(第3~6大层):人工堆积层及新近沉积层以下为第四纪沉积的卵石层。3、地下水条件本场区地下水埋藏较深。四、施工方案选择路基基底处理方法有强夯、蓝派冲击式压实机加密及换填。由于该段路基距周边建造物较近,强夯处理方法不可行;由于该段路基基底建造垃圾层厚度(1.8~9.5m)不均匀,蓝派冲击式压实机加密方法不可行;由于该段路基基底建造垃圾较多,换填量较大,工程造价较高,此方法不可行。根据设计单位提供的加固地基方案》,路基基底处理方法采用振冲挤密碎石桩。在正式施工前,须进行试桩,为大面积施工提供工艺控制标准和质量检测依据。试桩选在了?段,范围为20m×20m,桩径为0.5m,正三角形布置,桩间距分别为1.0m、1.3m、1.5m,桩体材料为天然砂砾,成孔桩长为2.0~2.8m(打至此桩长时均浮现弹锤现象)。试桩完毕,进行了单桩复合地基载荷试验和重型动力触探试验,试验结果均满足设计要求。施工方案确定:高填方段路基及汽车通道高填方基底处理方法采用天然砂砾夯扩挤密桩。桩径为0.5m,正三角形布置,桩间距分为A区2.0m、B区1.7、C区1.3m,桩数约为1700根。处理范围(详见附图):当垃圾坑边缘位于路基填筑范围以内时,处理至垃圾坑边缘外一排桩;当垃圾坑边缘位于路基填筑范围以外时,处理至路基坡脚线外一排桩。处理深度:打穿建造垃圾层,进入卵石层。第三章施工计划计划开工日期为,计划完工日期为。-2-第四章施工准备一、现场准备1、施工用水使用村内水源,由水车输送。2、施工用电配备一台120KW发机电(可供两台打桩机用电)。3、施工道路利用现况社会道路。二、材料准备天然砂砾3200m3,碎石1100m3,po32.5水泥,中砂,土工格栅1080m2。三、机械准备单位台台成孔、成桩ZL091ZL50T140PY180YZ185t四、人员准备1、管理人员序号123456-3-序号机械名称1打桩机2发机电3装载机4砼搅拌机5装载机6推土机7平地机7振动压路机8水车职务施工负责人技术负责人技术员质检员试验员数量211型号DZ-6台台台台台台辆碎石褥垫11111姓备7资料员序号工种计划数量到场数量1机械操作手992壮工12122、施工人员第五章施工方法一、施工工艺流程场地平整→测量放线→打桩机就位→初夯→夯击成孔→分层填料夯扩成桩→检测试验→整平压实→碎石褥垫层铺设二、施工要点1、主要技术指标打桩机由一台120KW发机电供电,钢丝绳牵引夯锤。夯锤重3.5t、长5m、直径0.35m,落距7m(锤头至地面)。2、主要工序施工方法(1)场地...

1、当您付费下载文档后,您只拥有了使用权限,并不意味着购买了版权,文档只能用于自身使用,不得用于其他商业用途(如 [转卖]进行直接盈利或[编辑后售卖]进行间接盈利)。
2、本站所有内容均由合作方或网友上传,本站不对文档的完整性、权威性及其观点立场正确性做任何保证或承诺!文档内容仅供研究参考,付费前请自行鉴别。
3、如文档内容存在违规,或者侵犯商业秘密、侵犯著作权等,请点击“违规举报”。

碎片内容

挤密桩施工方案

确认删除?
VIP
微信客服
  • 扫码咨询
会员Q群
  • 会员专属群点击这里加入QQ群
客服邮箱
回到顶部