电脑桌面
添加小米粒文库到电脑桌面
安装后可以在桌面快捷访问

高中化学 第1章 化学反应与能量转化 第2节 电能转化为化学能——电解学案 鲁科版选修4-鲁科版高二选修4化学学案VIP免费

高中化学 第1章 化学反应与能量转化 第2节 电能转化为化学能——电解学案 鲁科版选修4-鲁科版高二选修4化学学案_第1页
1/15
高中化学 第1章 化学反应与能量转化 第2节 电能转化为化学能——电解学案 鲁科版选修4-鲁科版高二选修4化学学案_第2页
2/15
高中化学 第1章 化学反应与能量转化 第2节 电能转化为化学能——电解学案 鲁科版选修4-鲁科版高二选修4化学学案_第3页
3/15
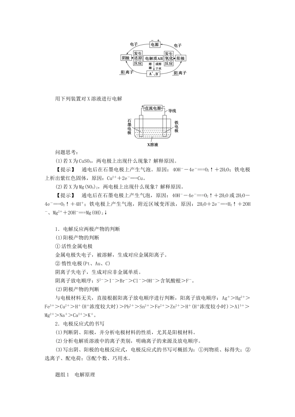
第2节电能转化为化学能——电解第1课时电解的原理1.理解电解原理及电解池的组成。(重点)2.了解电解规律及其应用。(难点)电解的原理教材整理1电解熔融氯化钠的实验1.实验装置2.实验现象通电后,在石墨片周围有气泡产生,在铁片上生成银白色金属。3.实验分析(1)熔融氯化钠中存在的微粒Na+、Cl-。(2)通电后离子的运动方向:阳离子Na+(填离子符号)移向铁电极,阴离子Cl-(填离子符号)移向石墨电极。(3)电极上发生的变化:铁电极:2Na++2e-===2Na,石墨电极:2Cl--2e-===Cl2↑。4.实验结论熔融的氯化钠在电流作用下发生了化学变化分解生成了Na和Cl2。教材整理2电解原理1.基本概念(1)电解:让直流电通过电解质溶液或熔融的电解质,在两个电极上分别发生氧化反应和还原反应的过程。(2)电解池①定义:将电能转化为化学能的装置。②构成条件:直流电源、固体电极材料以及电解质溶液或熔融电解质并构成闭合回路。(3)电极阳极——发生氧化反应的电极(与电源正极相连)阴极——发生还原反应的电极(与电源负极相连)(4)电极反应在电极上进行的半反应,可以用电极反应式表示。2.电解池的工作原理用下列装置对X溶液进行电解问题思考:(1)若X为CuSO4,两电极上出现什么现象?解释原因。【提示】通电后在石墨电极上产生气泡。原因:4OH--4e-===O2↑+2H2O;铁电极上析出紫红色固体,原因:Cu2++2e-===Cu。(2)若X为Mg(NO3)2,两电极上出现什么现象?解释原因。【提示】通电后在石墨电极上产生气泡,原因:4OH--4e-===O2↑+2H2O或2H2O-4e-===O2↑+4H+;铁电极上产生气泡,附近区域变浑浊,原因:2H2O+2e-===H2↑+2OH-、Mg2++2OH-===Mg(OH)2↓1.电解反应两极产物的判断(1)阳极产物的判断①活性金属电极金属电极失电子,被溶解,生成对应金属阳离子。②惰性电极(Pt、Au、C)阴离子失电子,生成对应非金属单质。阴离子放电顺序:S2->I->Br->Cl->OH->含氧酸根>F-。(2)阴极产物的判断与电极材料无关,直接根据阳离子放电顺序进行判断,阳离子放电顺序:Ag+>Hg2+>Fe3+>Cu2+>H+(H+浓度较大时)>Pb2+>Sn2+>Fe2+>Zn2+>H+(H+浓度较小时)>Al3+>Mg2+>Na+>Ca2+>K+。2.电极反应式的书写(1)判断阴、阳极,并分析电极材料的性质,尤其是阳极材料。(2)分析电解质溶液中的离子类别,明确离子的来源及放电顺序。(3)写出阴、阳极的电极反应式,电极反应式的书写可概括为:①列物质、标得失;②选离子、配电荷;③配个数、巧用水。题组1电解原理1.有关电解原理的说法正确的是()①电解是把电能转变成化学能②电解是把化学能转变成电能③电解质溶液导电是化学变化,金属导电是物理变化④不能自发进行的氧化还原反应,通过电解的原理可以实现⑤任何溶液被电解时,必然导致氧化还原反应的发生A.①②③④B.②③⑤C.③④D.①③④⑤【解析】电解是在电流的作用下强制进行的氧化还原反应,电解质溶液导电的过程就是电解质溶液被电解的过程。【答案】D2.下列关于电解池中形成的闭合回路的叙述中,正确的是()A.电解池中的闭合回路仅是由电子的定向移动形成的B.金属导线中,电子从电源的负极流向电解池的阳极,从电解池的阴极流向电源的正极C.在电解质溶液中,阴离子向阴极移动,阳离子向阳极移动D.相同时间内,阳离子在阴极上得到的电子数与阴离子在阳极上失去的电子数相同【解析】在电解池中,导线和电极上是由电子的定向移动,而溶液中则靠离子的定向移动,才使整个电解池形成一个闭合回路;导线中电子的方向与电流方向相反,故电子从电解池的阳极流向电源的正极,从电源的负极流向电解池的阴极;电解质溶液中,阳离子向阴极移动,阴离子向阳极移动;不论如何,两极上转移的电子数总是相等的【答案】D题组2电解产物的判断3.用惰性电极电解稀硫酸、Cu(NO3)2、NaCl的混合液,最初一段时间阴极和阳极上分别析出的物质分别是()A.H2和Cl2B.Cu和Cl2C.H2和O2D.Cu和O2【解析】溶液中的离子有H+、Cu2+、Na+及SO、NO、Cl-、OH-七种离子,得电子能力:Cu2+>H+>Na+,失电子能力:Cl->OH->含氧酸根,所以电解初期阴极:Cu2++2e-...

1、当您付费下载文档后,您只拥有了使用权限,并不意味着购买了版权,文档只能用于自身使用,不得用于其他商业用途(如 [转卖]进行直接盈利或[编辑后售卖]进行间接盈利)。
2、本站所有内容均由合作方或网友上传,本站不对文档的完整性、权威性及其观点立场正确性做任何保证或承诺!文档内容仅供研究参考,付费前请自行鉴别。
3、如文档内容存在违规,或者侵犯商业秘密、侵犯著作权等,请点击“违规举报”。

碎片内容

高中化学 第1章 化学反应与能量转化 第2节 电能转化为化学能——电解学案 鲁科版选修4-鲁科版高二选修4化学学案

您可能关注的文档

确认删除?
VIP
微信客服
  • 扫码咨询
会员Q群
  • 会员专属群点击这里加入QQ群
客服邮箱
回到顶部