电脑桌面
添加小米粒文库到电脑桌面
安装后可以在桌面快捷访问

云南省蒙自高级中学2012届高三物理第六次月考试题旧人教版VIP免费

云南省蒙自高级中学2012届高三物理第六次月考试题旧人教版_第1页
1/7
云南省蒙自高级中学2012届高三物理第六次月考试题旧人教版_第2页
2/7
云南省蒙自高级中学2012届高三物理第六次月考试题旧人教版_第3页
3/7
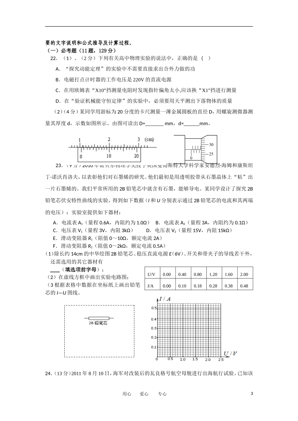
蒙自高级中学2012届高三第六次月考理综物理试卷二、选择题(本大题共8个小题,每小题6分,共计48分。在每小题给出的四个选项中,有的只有一个选项符合要求,有的有多个选项符合要求.全部选对得6分,选对但不全的得3分,有选错的得0)14.在物理学理论建立的过程中,有许多伟大的科学家作出了贡献.下列关于科学家和他们的贡献的叙述符合史实的是()A.伽利略根据理想斜面实验,提出力不是维持物体运动的原因B.牛顿发现了万有引力定律,并通过扭秤实验测出了万有引力常量C.奥斯特发现了电流的磁效应,并总结出了右手螺旋定则D.库仑在前人的基础上,通过实验得到了真空中点电荷相互作用规律15.下列所给的图像中正确反映运动物体回到初始位置的是()16.—个质量为2kg的物体,在六个恒定的共点力作用下处于平衡状态。现同时撤去大小分别为15N和20N的两个力,此后该物体的运动情况是()A.—定做匀变速直线运动,加速度大小可能是5m/s2B.可能做匀减速直线运动,加速度大小是2m/s2C.一定做匀变速运动,加速度大小可能是15m/s2D.可能做匀速圆周运动,向心加速度大小可能是5m/s217.如图所示,一个质量为m的物体(可视为质点),由斜面底端的A点以某一初速度冲上倾角为300的固定斜面做匀减速直线运动,减速的加速度大小为g,物体沿斜面上升的最大高度为h,在此过程中()A.重力势能增加了2mghB.机械能损失了mghC.动能损失了mghD.系统生热18.中新网2010年4月23日报道,美国无人驾驶空天飞机X-37B于北京时间4月23日发射升空.如图所示,空天飞机能在离地面6万米的大气层内以3万公里的时速飞行;如果再用火箭发动机加速,空天飞机就会冲出大气层,像航天飞机一样,直接进入地球轨道,做匀速圆周运动.返回大气层后,它又能像普通飞机一样在机场着陆,成为自由往返天地间的用心爱心专心1122s/mt/sOAv/ms−1t/sOBt/sOCt/sODv/ms−1v/ms−112−2−2222300mhA输送工具.关于空天飞机,下列说法正确的是()A.它从地面发射加速升空时,机舱内的物体处于失重状态B.它在6万米的大气层内飞行时,只受地球的引力C.它在做匀速圆周运动时,所受地球的引力做正功D.它从地球轨道返回地面,必须先减速19.如图所示,一理想变压器原线圈接入一交变电源,副线圈电路中R1、R2、R3和R4均为固定电阻,开关S是闭合的。v1、v2为理想电压表,读数分别为U1,U2。A1,A2,A3为理想电流表,读数分别为I1、I2、I3。现在断开S,U1数值不变,下列判断正确的是()A.U2变小、I3变小B.U2不变、I3变大C.I1变小、I3变小D.I1变大、I2变大20.如图所示,虚线...表示匀强电场中的4个等势面。两个带电粒子M、N(重力忽略不计)以平行于等势面的初速度射入电场,运动轨迹分别如图中MPN和NQM所示。已知M是带正电的带电粒子,则:()A.N一定也带正电B.点的电势高于点的电势C.带电粒子N的动能减小,电势能增大D.带电粒子N的动能增大,电势能减小21.一种电流表的原理图如图所示,用两根完全相同的绝缘轻弹簧将长度L=0.25m的细金属棒MN悬挂起来,两根弹簧的劲度系数均为k=2.0N/m,金属棒MN水平,两弹簧平行且竖直.已知矩形区域abcd内存在匀强磁场,磁感应强度大小B=0.20T,方向垂直纸面向外,且ab长度为0.20m、bc长度为0.05m,与MN的右端N连接的绝缘轻指针可指示标尺上的读数.当金属棒MN中没有电流通过且处于平衡状态时,MN与矩形区域的cd边重合且指针指在标尺上的零刻度线处;当金属棒MN中有电流通过时,指针示数可表示金属棒MN中的电流强度,则关于这个电流表以下说法正确的是:A.该电流表只能测量由M流向N的电流B.该电流表只能测量由N流向M的电流C.该电流表的量程是0~4.0AD.该电流表的量程是0~5.0A三、非选择题:包括必考题和选考题两部分。第22-32题为必考题,每个试题考生都必须做答。第33-40题为选考题,考试根据要求做答,计算有必用心爱心专心2要的文字说明和公式推导及计算过程。(一)必考题(11题,129分)22.(1)、(2分)下列有关高中物理实验的说法中,正确的是()A.“探究动能定理”的实验中不需要直接求出合外力做的功B.电磁打点计时器的工作电压是220V的直流电源C.在用欧姆表“X...

1、当您付费下载文档后,您只拥有了使用权限,并不意味着购买了版权,文档只能用于自身使用,不得用于其他商业用途(如 [转卖]进行直接盈利或[编辑后售卖]进行间接盈利)。
2、本站所有内容均由合作方或网友上传,本站不对文档的完整性、权威性及其观点立场正确性做任何保证或承诺!文档内容仅供研究参考,付费前请自行鉴别。
3、如文档内容存在违规,或者侵犯商业秘密、侵犯著作权等,请点击“违规举报”。

碎片内容

云南省蒙自高级中学2012届高三物理第六次月考试题旧人教版

您可能关注的文档

中小学资料+ 关注
实名认证
内容提供者

精美课件,值得下载

确认删除?
VIP
微信客服
  • 扫码咨询
会员Q群
  • 会员专属群点击这里加入QQ群
客服邮箱
回到顶部