电脑桌面
添加小米粒文库到电脑桌面
安装后可以在桌面快捷访问

土力学习题集答案-VIP免费

土力学习题集答案-_第1页
1/6
土力学习题集答案-_第2页
2/6
土力学习题集答案-_第3页
3/6
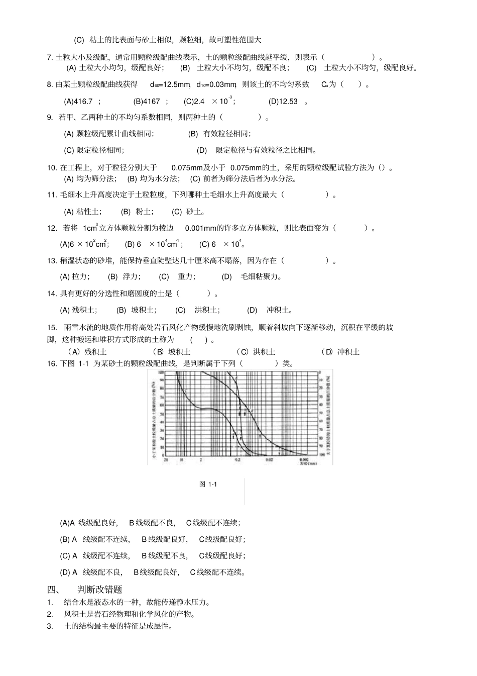
第1章土的组成一、简答题1.什么是土的颗粒级配?什么是土的颗粒级配曲线?2.土中水按性质可以分为哪几类?3.土是怎样生成的?有何工程特点?4.什么是土的结构?其基本类型是什么?简述每种结构土体的特点。5.什么是土的构造?其主要特征是什么?6.试述强、弱结合水对土性的影响。7.试述毛细水的性质和对工程的影响。在那些土中毛细现象最显著?8.土颗粒的矿物质按其成分分为哪两类?9.简述土中粒度成分与矿物成分的关系。10.粘土的活动性为什么有很大差异?11.粘土颗粒为什么会带电?二、填空题1.根据土的颗粒级配曲线,当颗粒级配曲线较时表示土的级配良好。2.工程中常把的土称为级配良好的土,把的土称为级配均匀的土,其中评价指标叫。3.不同风化作用产生不同的土,风化作用有、、。4.粘土矿物基本上是由两种原子层(称为晶片)构成的,一种是,它的基本单元是Si—0四面体,另一种是,它的基本单元是A1—OH八面体。5.不均匀系数Cu、曲率系数Cc的表达式为Cu=、Cc=。6.砂类土样级配曲线能同时满足及的土才能称为级配良好的土。7.土是的产物,是各种矿物颗粒的集合体。土与其它连续固体介质相区别的最主要特征就是它的和。8.土力学是利用一般原理和技术来研究土的物理性质以及在所受外力发生变化时的应力、变形、强度、稳定性和渗透性及其规律一门科学。9.最常用的颗粒分析方法有法和法。10.著名土力学家的《土力学》专著问世,标志着现代土力学的开始。三、选择题1.在毛细带范围内,土颗粒会受到一个附加应力。这种附加应力性质主要表现为()(A)浮力;(B)张力;(C)压力。2.对粘性土性质影响最大的是土中的()。(A)强结合水;(B)弱结合水;(C)自由水;(D)毛细水。3.土中所含“不能传递静水压力,但水膜可缓慢转移从而使土具有一定的可塑性的水,称为()。(A)结合水;(B)自由水;(C)强结合水;(D)弱结合水。4.下列粘土矿物中,亲水性最强的是()。(2005年注册土木工程师(岩土)职业资格考试题,三峡大学2006年研究生入学考试试题)(A)高岭石;(B)伊里石;(C)蒙脱石;(D)方解石。5.毛细水的上升,主要是水受到下述何种力的作用?()(A)粘土颗粒电场引力作用;(B)孔隙水压力差的作用(C)水与空气交界面处的表面张力作用。6.土的可塑性范围与比表面大小有关,下列说法正确的是()(A)粘土的比表面比砂土大,所以可塑性范围大(B)粘土的比表面比砂土小,所以可塑性范围大(C)粘土的比表面与砂土相似,颗粒细,故可塑性范围大7.土粒大小及级配,通常用颗粒级配曲线表示,土的颗粒级配曲线越平缓,则表示()。(A)土粒大小均匀,级配良好;(B)土粒大小不均匀,级配不良;(C)土粒大小不均匀,级配良好。8.由某土颗粒级配曲线获得d60=12.5mm,d10=0.03mm,则该土的不均匀系数Cu为()。(A)416.7;(B)4167;(C)2.4×10-3;(D)12.53。9.若甲、乙两种土的不均匀系数相同,则两种土的()。(A)颗粒级配累计曲线相同;(B)有效粒径相同;(C)限定粒径相同;(D)限定粒径与有效粒径之比相同。10.在工程上,对于粒径分别大于0.075mm及小于0.075mm的土,采用的颗粒级配试验方法为()。(A)均为筛分法;(B)均为水分法;(C)前者为筛分法后者为水分法。11.毛细水上升高度决定于土粒粒度,下列哪种土毛细水上升高度最大()。(A)粘性土;(B)粉土;(C)砂土。12.若将1cm3立方体颗粒分割为棱边0.001mm的许多立方体颗粒,则比表面变为()。(A)6×102cm2;(B)6×104cm-1;(C)6×104。13.稍湿状态的砂堆,能保持垂直陡壁达几十厘米高不塌落,因为存在()。(A)拉力;(B)浮力;(C)重力;(D)毛细粘聚力。14.具有更好的分选性和磨圆度的土是()。(A)残积土;(B)坡积土;(C)洪积土;(D)冲积土。15.雨雪水流的地质作用将高处岩石风化产物缓慢地洗刷剥蚀,顺着斜坡向下逐渐移动,沉积在平缓的坡脚,这种搬运和堆积方式形成的土称为()。(A)残积土(B)坡积土(C)洪积土(D)冲积土16.下图1-1为某砂土的颗粒级配曲线,是判断属于下列()类。(A)A线级配良好,B线级配不良,C线级配不连续;(B)A线级配不连续,B线级配良好,C线级配良好;(C)A线级配不连续,B线级配不良,C线级配良好;(D)A线级配不良,B线级配良好,C...

1、当您付费下载文档后,您只拥有了使用权限,并不意味着购买了版权,文档只能用于自身使用,不得用于其他商业用途(如 [转卖]进行直接盈利或[编辑后售卖]进行间接盈利)。
2、本站所有内容均由合作方或网友上传,本站不对文档的完整性、权威性及其观点立场正确性做任何保证或承诺!文档内容仅供研究参考,付费前请自行鉴别。
3、如文档内容存在违规,或者侵犯商业秘密、侵犯著作权等,请点击“违规举报”。

碎片内容

土力学习题集答案-

您可能关注的文档

确认删除?
VIP
微信客服
  • 扫码咨询
会员Q群
  • 会员专属群点击这里加入QQ群
客服邮箱
回到顶部