电脑桌面
添加小米粒文库到电脑桌面
安装后可以在桌面快捷访问

土方开挖技术交底通用版VIP免费

土方开挖技术交底通用版_第1页
1/3
土方开挖技术交底通用版_第2页
2/3
土方开挖技术交底通用版_第3页
3/3
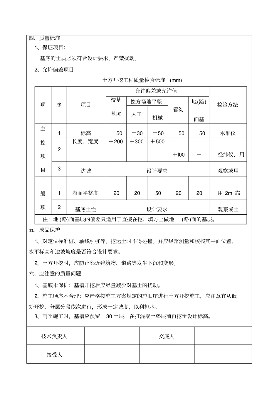
年月日工程名称分部工程地基与基础分项工程名称:土方开挖交底内容一、主要机具:1、挖土机械有:挖土机、自卸汽车等。2、一般机具有:铁锹、线绳、水准仪、5m塔尺、木桩、铁锤、白石灰、钢卷尺等。二、作业条件:1、土方开挖前,应根据施工方案的要求,将施工区域内的地上地下,障碍物清除和处理完毕。2、建筑物的位置的定位控制桩、标高水平桩及开槽的灰线尺寸,都必须经过检验合格;并办完预检手续。3、选择土方机械,应根据施工区域内的地形和作业条件、土的类别与厚度、总工程量和工期综合考虑,以能发挥施工机械的效率来确定,编好施工方案。4、在机械施工无法作业的部位和修整边坡坡度、清理槽底等,均应备人力进行。三、操作工艺放线定位→开挖放线→基坑土方开挖→清底及修边→集水井深坑人工开挖→基坑监测→地基验槽大钩机开挖土方至设计桩顶标高以上50cm,然后采用小勾机开挖桩间土。1、开挖基槽时,应合理确定开挖顺序、路线及开挖深度。2、挖土机从基槽的端头以倒退行驶的方法进行开挖。自卸汽车配置在挖土机的两侧装运上。3、在开挖过程中,应随时检查槽壁和边坡的情况,深度大于米时,根据土质变化情况,应做好基槽的支撑准备,以防坍陷。4、在机械施工挖不到的地方,应配合人工随时进行挖掘,并用手推车运到机械挖到的地方,以便及时用机械挖走。5、修帮和清底。在距槽底设计标高50cm槽帮处,抄出水平线,钉上小木橛,然后用人工将暂留土层挖走。同时由两端轴线引桩拉通线,检查距槽边尺寸,确定槽宽标准,以此修整槽边。最后清除槽底土方。6、槽底修理铲平后,进行质量检查验收。7、雨期施工:雨期施工在开挖基槽时,应注意边坡稳定。四、质量标准1、保证项目:基底的土质必须符合设计要求,严禁扰动。2、允许偏差项目土方开挖工程质量检验标准(mm)项序项目允许偏差或允许值检验方法校基基坑挖方场地平整管沟地(路)面基人工机械主控项目1标高-50±30±50-50-50水准仪2长度、宽度+200+300+500+l00-经纬仪,用3边坡设计要求观察或用一般项1表面平整度2020502020用2m靠2基底土性设计要求观察或土注:地(路)面基层的偏差只适用于直接在挖、填方上做地(路)面的基层。五、成品保护1、对定位标准桩、轴线引桩等,挖运土时不得碰撞。并应经常测量和校核其平面位置、水平标高和边坡坡度是否符合设计要求。2、土方开挖时,应防止邻近建筑物、道路等发生下沉和变形。六、应注意的质量问题1、基底未保护:基槽开挖后应尽量减少对基土的扰动。2、施工顺序不合理:应严格按施工方案规定的施顺序进行土方开挖施工,应注意宜从低处开挖,分层分段依次进行,形成一定坡度,以利排水。3、雨季施工时,基槽应预留30土层,在打混凝土垫层前再挖至设计标高。技术负责人交底人接受人

1、当您付费下载文档后,您只拥有了使用权限,并不意味着购买了版权,文档只能用于自身使用,不得用于其他商业用途(如 [转卖]进行直接盈利或[编辑后售卖]进行间接盈利)。
2、本站所有内容均由合作方或网友上传,本站不对文档的完整性、权威性及其观点立场正确性做任何保证或承诺!文档内容仅供研究参考,付费前请自行鉴别。
3、如文档内容存在违规,或者侵犯商业秘密、侵犯著作权等,请点击“违规举报”。

碎片内容

土方开挖技术交底通用版

您可能关注的文档

爱的疯狂+ 关注
实名认证
内容提供者

该用户很懒,什么也没介绍

确认删除?
VIP
微信客服
  • 扫码咨询
会员Q群
  • 会员专属群点击这里加入QQ群
客服邮箱
回到顶部