电脑桌面
添加小米粒文库到电脑桌面
安装后可以在桌面快捷访问

坩埚炉设计要点VIP免费

坩埚炉设计要点_第1页
1/6
坩埚炉设计要点_第2页
2/6
坩埚炉设计要点_第3页
3/6
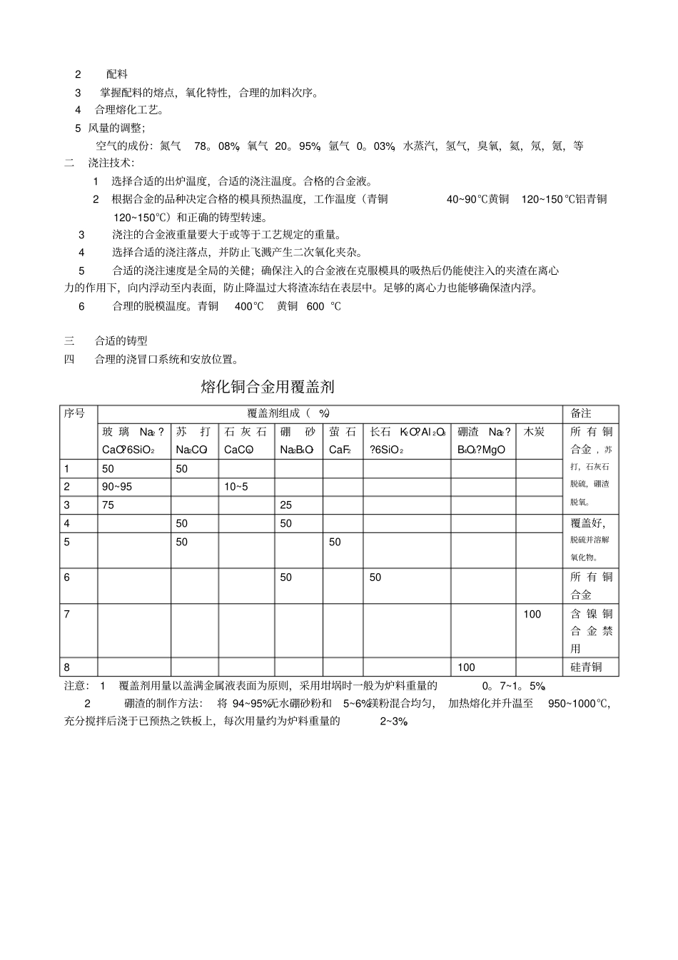
坩埚炉设计要点熔炼时间:以一小时为准。例:200公斤/炉焦炭用量:总需要热量:Q=Q1+Q2Q1——每炉次加热和熔炼合金所需热量,千卡/炉次。Q2——合金由固态转成液态所需热量,千卡/炉次。Q2=G(T2—T1)C1G——每炉合金重量,200KG/炉T2——合金液出炉温度,1250℃T1——入炉温度,20℃C1——合金平均比热,千卡/公斤℃斤计较已知青铜的C1=0。093则Q1=200(1250—20)Х0。093=22878千卡/炉次Q2——GC2C2——每公斤青铜料由固态转成液态时所需热量,千卡/公斤,已知C2=42Q2==200Х42==8400千卡/炉次故Q=Q1+Q2=22878+8400=31278千卡/炉次焦炭的含C量为82%,发热量为7500千卡/KG,由于不可能全部分燃烧,取发热值为7000千卡/KG31278千卡÷7000千卡==4。468≈4。5KG焦炭的发热量。坩埚炉的效率为0。05~0。08需焦炭==4。5÷0。05==90KG即200KG青铜需90KG焦炭,实际要增加30%才能确保炉子的正常工作。焦炭加入量==90Х1。3==120KG焦炭堆比重为460KG/M3,以V==120/460==0。26M3再换成直径和高度风量的计算:每公斤焦炭完全燃烧约需1。86M3的氧气,空气含氧量为21%,则需空气1。86/0。21==8。86M3空气,每公斤焦炭含C量0。82,则每公斤焦炭需空气:8,86Х0。82==7。27M3,每小时120KG的焦炭需空气,120Х7。27=872。4M3,为了确保氧化性火焰,还要增加30%风量,即872。4Х1。3=1134。12M3,折成1134。12/60==18。9M3/分钟选择风机,风压要考虑到炉子内的阻力,适当高些,约150~200毫米水柱,实际上风机的风量还要考虑到效率,需再增加10%,18,9Х1。1==20。8M3/分钟。200#坩埚熔化铜合金200Kg,约需焦炭120Kg,空气20。8M3/分钟。300#坩埚熔化青铜300Kg,约需焦炭180Kg,空气流量约31。2M3/分钟风机样本举例:D2×3。1416×h×460Kg/M3==180Kg4炉径:ф700×1100用于300#坩埚以高度H求出炉径Dф700×800用于200#坩埚。熔炼技术和浇注技术一熔化技巧:1化学成份国家标准GB1176—87铸造铜合金成份GB1173—86铸造铝合金2配料3掌握配料的熔点,氧化特性,合理的加料次序。4合理熔化工艺。5风量的调整;空气的成份:氮气78。08%,氧气20。95%,氩气0。03%,水蒸汽,氢气,臭氧,氦,氖,氪,等二浇注技术:1选择合适的出炉温度,合适的浇注温度。合格的合金液。2根据合金的品种决定合格的模具预热温度,工作温度(青铜40~90℃黄铜120~150℃铝青铜120~150℃)和正确的铸型转速。3浇注的合金液重量要大于或等于工艺规定的重量。4选择合适的浇注落点,并防止飞溅产生二次氧化夹杂。5合适的浇注速度是全局的关健;确保注入的合金液在克服模具的吸热后仍能使注入的夹渣在离心力的作用下,向内浮动至内表面,防止降温过大将渣冻结在表层中。足够的离心力也能够确保渣内浮。6合理的脱模温度。青铜400℃黄铜600℃三合适的铸型四合理的浇冒口系统和安放位置。熔化铜合金用覆盖剂序号覆盖剂组成(%)备注玻璃Na2?CaO?6SiO2苏打Na2CO3石灰石CaCO3硼砂Na2B4O7萤石CaF2长石K2O?Al2O3?6SiO2硼渣Na2?B4O6?MgO木炭所有铜合金,苏打,石灰石脱硫,硼渣脱氧。15050290~9510~53752545050覆盖好,脱硫并溶解氧化物。5505065050所有铜合金7100含镍铜合金禁用8100硅青铜注意:1覆盖剂用量以盖满金属液表面为原则,采用坩埚时一般为炉料重量的0。7~1。5%。2硼渣的制作方法:将94~95%无水硼砂粉和5~6%镁粉混合均匀,加热熔化并升温至950~1000℃,充分搅拌后浇于已预热之铁板上,每次用量约为炉料重量的2~3%。含铝铜合金的精炼剂序号熔剂成分%冰晶石Na3AlF6萤石CaF2氟化钠NaF食盐NaCl苏打Na2CO3氯化钾KCl硫酸钠Na2SO4光卤石MgCl2+KCl氟硅酸钠Na2SiF6其他1406022020603251035硼砂28%碳2%42020301020570102061270K2CO312%,硼砂6%7100840609475310100113010501012100上海虹光金属熔剂厂生产的HGCTJ-2铜合金精炼油清渣剂。(去除Al2O3)铜液的精炼:目的:去除合金中的金属氧化物和非金属氧化物,减少夹渣和夹杂,避免铸件的脆裂。1酸性氧化物:SiO2,SnO2,Sb2O3,B2O3。2中性氧化物:Al2O33碱性氧化物:ZnO,MnO,FeO,PbO碱性精炼剂:Na2CO3,CaO去除酸性氧化物。SnO2+Na2CO3→Na2SnO3+CO2SnO2+CaO→CaSnO3SiO2+2Na2CO...

1、当您付费下载文档后,您只拥有了使用权限,并不意味着购买了版权,文档只能用于自身使用,不得用于其他商业用途(如 [转卖]进行直接盈利或[编辑后售卖]进行间接盈利)。
2、本站所有内容均由合作方或网友上传,本站不对文档的完整性、权威性及其观点立场正确性做任何保证或承诺!文档内容仅供研究参考,付费前请自行鉴别。
3、如文档内容存在违规,或者侵犯商业秘密、侵犯著作权等,请点击“违规举报”。

碎片内容

坩埚炉设计要点

您可能关注的文档

确认删除?
VIP
微信客服
  • 扫码咨询
会员Q群
  • 会员专属群点击这里加入QQ群
客服邮箱
回到顶部