电脑桌面
添加小米粒文库到电脑桌面
安装后可以在桌面快捷访问

垃圾压缩设备安装施工及安全方案等VIP免费

垃圾压缩设备安装施工及安全方案等_第1页
1/17
垃圾压缩设备安装施工及安全方案等_第2页
2/17
垃圾压缩设备安装施工及安全方案等_第3页
3/17
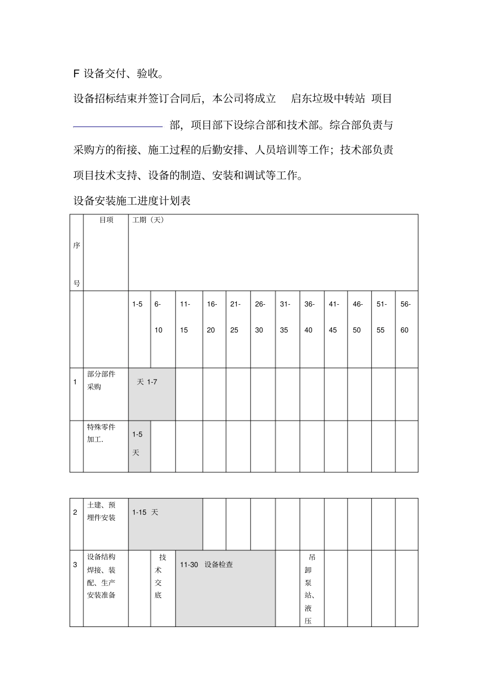
垃圾压缩设备安装施工及安全方案等(一)方案说明本方案共计垃圾压缩机台,配套转运车辆,其中6台垃圾压缩机的安装和调试是本方案的重点。本方案依据国标《压缩机、风机、泵安装工程施工及验收规范》进行安装施工、安全和质量保证,重点、关键部位的安装施工均配有工艺图纸,施工完成后进行调试,调试技术参照相应的技术大纲。本方案中安装施工项目要求60天内交货并安装调试完毕,所以在施工过程中必须优化管理、精心组织,以确保工程质量和进度。(二)安装施工组织部署为了提高设备的安装质量和安装效率,公司成立了站体产品安装队,安装队由总负责人及专业安装小组组成,安装队成员都经过专业化的培训,保证安装过程的顺利和安装质量。安装队1图(三)设备安装施工进度计划本项目将严格按照国家有关建设项目程序进行,本项目计划主要分为以下7个阶段:A提供完整的转运站工艺图纸B设备生产制造、运输C转运站设备安装、调试D人员培训;E转运系统试运营;F设备交付、验收。设备招标结束并签订合同后,本公司将成立启东垃圾中转站项目部,项目部下设综合部和技术部。综合部负责与采购方的衔接、施工过程的后勤安排、人员培训等工作;技术部负责项目技术支持、设备的制造、安装和调试等工作。设备安装施工进度计划表序号目项工期(天)1-56-1011-1516-2021-2526-3031-3536-4041-4546-5051-5556-601部分部件采购天1-7特殊零件加工.1-5天2土建、预埋件安装1-15天3设备结构焊接、装配、生产安装准备技术交底11-30设备检查吊卸泵站、液压马达、举升油缸、立柱、滚子、大箱4设备调试运行系统调试总指挥315设备出厂检验系统调试负责人326设备安装准备及运输33-357设备调试及试运行36-558设备交付验收56-579其他最后3天为项目预留时间(四)中转站施工技术规范和质量标准1.垃圾中转站建造的总体工作顺序安排:)设备配套基槽施工;1(.(2)垃圾压缩机安装;(3)垃圾压缩机表面处理,喷漆;(4)地坪养护;(5)设备调试;(6)设备移交,正常使用。2.垃圾压缩机配套基槽施工步骤、技术规范和质量标准(1)按设备平面总布置图标注的压缩机位置尺寸要求放样,确定压缩机中心位置并画出中心线,然后按基础平面布置图要求画出基础边框线。(2)按基础剖面图结合土建施工规范的要求,挖土至尺寸标注数值规定深度要求,同时复核轴线。(3)按基础剖面图要求填埋20㎜深石片,然后用C10素砼找平厚100㎜,待C10素砼凝固后,按基础剖面图要求扎钢筋,同时安放污水管且与集水井接通,在-0.12米平面上按基础平面图要求放预埋件,按规范与基础钢筋搭接,上平面要求水平,允许差3㎜,可用C25砼混凝土浇至±0.00米标高处,保养期满及房屋结构和屋面施工完毕后再由我公司人员安装整体设备。对于设备基础、污水管、污水窨井要求密封不允许渗漏。(4)池壁上口,按节点详图电焊角铁(按标高焊接)整个池壁允许误差±3毫米,电焊φ10圆钢或方钢,浇池壁口,标高符合土建施工规范。地梁钢筋与立标钢筋按施工规范连接,立柱钢筋与设备预埋件1.5毫米以内,单块误差3套)标高误差/电焊接。设备预埋板(四块.毫米以内。3.垃圾压缩机安装步骤、技术规范和质量标准(1)把设备从汽车上卸下,卸下过程要注意零部件安放的先后次序,以方便安装,减少安装时的搬运次数;(2)安装立柱、大梁、压缩油缸、压台、安装好后可以利用压缩油缸的动力,来安装垃圾箱;(3)安装垃圾箱、推出装置及其他机械零部件;(4)设备初调试,通电测试,检验电气、液压装置是否正常运作;(5)安装其它部件及油漆;(6)设备检验校准调整直至达到设计要求。5.设备交付验收标准(1)试运行完毕后,将液压油箱加满。组织甲方和专家现场验收,现场演示设备的所有动作或进行垃圾的实载试验。公司将派技术人员现场解答甲方和专家所提出的问题,提供设备安装图纸和备品备件清单。(2)设备交付验收时间:2天。日内交货。603)确保在合同签字后((五)施工部署情况1.施工前期要求年完成了建设,并预留了垃2010综合当前各垃圾中转站已经在圾压缩机整机机位,本项目设备安装应结合现场土建施工情况,按各村具备安装条件的土建基础逐批进行安装。2....

1、当您付费下载文档后,您只拥有了使用权限,并不意味着购买了版权,文档只能用于自身使用,不得用于其他商业用途(如 [转卖]进行直接盈利或[编辑后售卖]进行间接盈利)。
2、本站所有内容均由合作方或网友上传,本站不对文档的完整性、权威性及其观点立场正确性做任何保证或承诺!文档内容仅供研究参考,付费前请自行鉴别。
3、如文档内容存在违规,或者侵犯商业秘密、侵犯著作权等,请点击“违规举报”。

碎片内容

垃圾压缩设备安装施工及安全方案等

您可能关注的文档

确认删除?
VIP
微信客服
  • 扫码咨询
会员Q群
  • 会员专属群点击这里加入QQ群
客服邮箱
回到顶部