电脑桌面
添加小米粒文库到电脑桌面
安装后可以在桌面快捷访问

城绿化中植物与有关设施的距离要求VIP免费

城绿化中植物与有关设施的距离要求_第1页
1/3
城绿化中植物与有关设施的距离要求_第2页
2/3
城绿化中植物与有关设施的距离要求_第3页
3/3
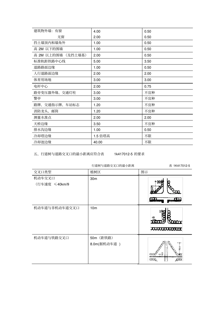
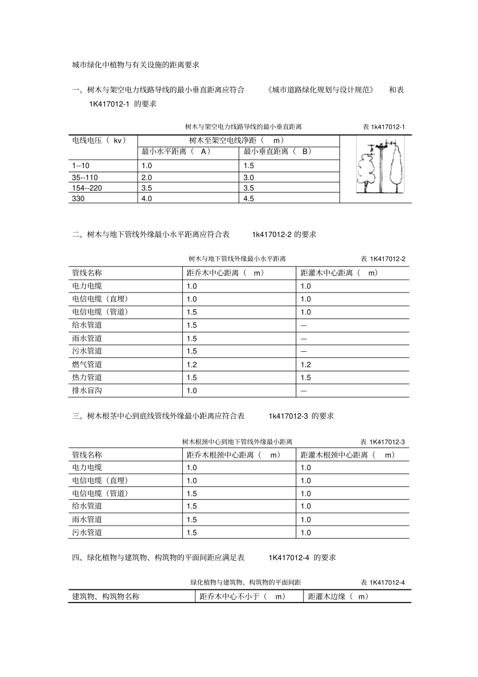
城市绿化中植物与有关设施的距离要求一、树木与架空电力线路导线的最小垂直距离应符合《城市道路绿化规划与设计规范》和表1K417012-1的要求树木与架空电力线路导线的最小垂直距离表1k417012-1电线电压(kv)树木至架空电线净距(m)最小水平距离(A)最小垂直距离(B)1--101.01.535--1102.03.0154--2203.53.53304.04.5二、树木与地下管线外缘最小水平距离应符合表1k417012-2的要求树木与地下管线外缘最小水平距离表1K417012-2管线名称距乔木中心距离(m)距灌木中心距离(m)电力电缆1.01.0电信电缆(直埋)1.01.0电信电缆(管道)1.51.0给水管道1.5—雨水管道1.5—污水管道1.5—燃气管道1.21.2热力管道1.51.5排水盲沟1.0—三、树木根茎中心到底线管线外缘最小距离应符合表1k417012-3的要求树木根颈中心到地下管线外缘最小距离表1K417012-3管线名称距乔木根颈中心距离(m)距灌木根颈中心距离(m)电力电缆1.01.0电信电缆(直埋)1.01.0电信电缆(管道)1.51.0给水管道1.51.0雨水管道1.51.0污水管道1.51.0四、绿化植物与建筑物、构筑物的平面间距应满足表1K417012-4的要求绿化植物与建筑物、构筑物的平面间距表1K417012-4建筑物、构筑物名称距乔木中心不小于(m)距灌木边缘(m)建筑物外墙:有窗无窗4.002.000.500.50挡土墙顶内和墙角外1.000.50高2M以下的围墙1.000.50高2M以上的围墙(及挡土墙基)2.000.50标准轨距铁路中心线5.003.50道路路面边缘1.000.50人行道路面边缘2.002.00体育用场地3.003.00电杆中心2.000.75路旁变压器外缘、交通灯柱3.00不宜种警亭3.00不宜种路牌、交通指示牌、车站标志1.20不宜种消防龙头、邮筒1.20不宜种测量水准点2.002.00天桥边缘3.50不宜种排水沟边缘1.000.50冷却塔边缘1.5倍塔高不限冷却池边缘40.00不限五、行道树与道路交叉口的最小距离应符合表1k417012-5的要求行道树与道路交叉口的最小距离表1K417012-5交叉口类型植树区图示机动车交叉口(行车速度≤40km/h)30m机动车道与非机动车道交叉口10m机动车道与铁路交叉口50m(距铁路)8.0m(据机动车道)工厂内部道路交叉口(行车速度≤25km/h)14m园林植物种植必需的最低土层厚度表1K432081植被类型草本花卉草坪地被小灌木大灌木浅根乔木深根乔木土层厚度(cm)3030456090150

1、当您付费下载文档后,您只拥有了使用权限,并不意味着购买了版权,文档只能用于自身使用,不得用于其他商业用途(如 [转卖]进行直接盈利或[编辑后售卖]进行间接盈利)。
2、本站所有内容均由合作方或网友上传,本站不对文档的完整性、权威性及其观点立场正确性做任何保证或承诺!文档内容仅供研究参考,付费前请自行鉴别。
3、如文档内容存在违规,或者侵犯商业秘密、侵犯著作权等,请点击“违规举报”。

碎片内容

城绿化中植物与有关设施的距离要求

爱的疯狂+ 关注
实名认证
内容提供者

该用户很懒,什么也没介绍

确认删除?
VIP
微信客服
  • 扫码咨询
会员Q群
  • 会员专属群点击这里加入QQ群
客服邮箱
回到顶部