电脑桌面
添加小米粒文库到电脑桌面
安装后可以在桌面快捷访问

基坑降水井封闭方案VIP免费

基坑降水井封闭方案_第1页
1/3
基坑降水井封闭方案_第2页
2/3
基坑降水井封闭方案_第3页
3/3
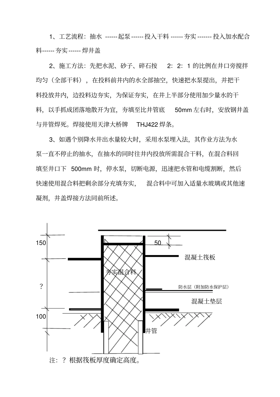
降水井封堵关于封闭基坑中的降水井,国家行业都没有规范要求也没有指导性文献,只能凭多年的封闭降水井的经验和同行们提出的先进办法进行综合,取之精华。为了保证封井工作的一次成功,并要使其所封之井滴水不漏,必须遵照封井工艺流程和严把工程材料关,各项具体要求如下:一、钢护井套的制作及选料:封井护井套选用厚为3mm的钢卷管,井套高mm(低于基础混凝土顶面100mm)。外焊止水环,止水环宽为150mm,厚为3mm,井管内径为410mm,井盖直径为406mm,厚度3mm;止水环设置两道,具体位置见图示。二、封井材料:1、水泥P.S.042.5矿渣硅酸盐水泥2、砂子中粗砂3、碎石1—3规格料4、水三、封井前的准备:1、因降水井长期运转,有的井内有少量泥沙淤积或杂物回落到井中,所以封井前对每个井进行测量,确定井深,并根据实测井深计算每个井的回填用材料量;2、封井前把各井所使用的水泥、砂子、碎石按计算量在井口附近备足,并准备夯实工具(井底部分使用起吊重物夯实,上部分使用木棍),把井内的混合干料夯实。四、封井工艺和方法:1、工艺流程:抽水------起泵------投入干料------夯实-------投入加水配合料------夯实------焊井盖2、施工方法:先把水泥、砂子、碎石按2:2:1的比例在井口旁搅拌均匀(全部干料),在投料前井内的水全部抽空,快速把水泵提出,并把干料投放井内,边投料边夯实,为保证夯实,在井上半部分使用加少量水的干料,以手抓成团落地散开为宜,夯填至比井管底50mm左右时,安放钢井盖与井管焊死。焊接使用天津大桥牌THJ422焊条。3、如遇个别降水井出水量较大时,采用水泵埋入法,其作业方法为水泵一直不停止的抽水,在抽水的同时往井内投放所需混合干料,在混合料回填至井口下500mm时,停水泵,切断电源,迅速把水管和电缆割断,然后快速使用混合料把剩余部分充填夯实,混合料中可加入适量水玻璃或其他速凝剂,井盖焊接方法同前所述。15050混凝土筏板夯实混合料?防水层(附加防水保护层)混凝土垫层100井管注:?根据筏板厚度确定高度。4、如果在垫层、筏板施工时能保证地下水位低于垫层底标高,可直接使用水泥、砂子、碎石混合干料投入井内封井,在回填之前把井内的水抽干,快速把水泵提出,边投料边夯实,为了确保夯实,在井上半部分使用加少量水的干料,夯填至垫层底标高,完成封井。

1、当您付费下载文档后,您只拥有了使用权限,并不意味着购买了版权,文档只能用于自身使用,不得用于其他商业用途(如 [转卖]进行直接盈利或[编辑后售卖]进行间接盈利)。
2、本站所有内容均由合作方或网友上传,本站不对文档的完整性、权威性及其观点立场正确性做任何保证或承诺!文档内容仅供研究参考,付费前请自行鉴别。
3、如文档内容存在违规,或者侵犯商业秘密、侵犯著作权等,请点击“违规举报”。

碎片内容

基坑降水井封闭方案

确认删除?
VIP
微信客服
  • 扫码咨询
会员Q群
  • 会员专属群点击这里加入QQ群
客服邮箱
回到顶部