电脑桌面
添加小米粒文库到电脑桌面
安装后可以在桌面快捷访问

多台塔吊安全技术措施VIP免费

多台塔吊安全技术措施_第1页
1/10
多台塔吊安全技术措施_第2页
2/10
多台塔吊安全技术措施_第3页
3/10
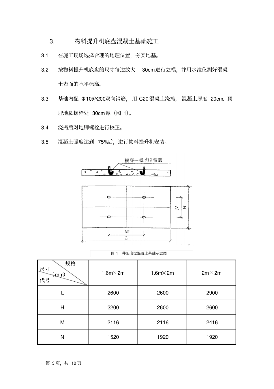
·第1页,共10页目录1.编制依据2.工程概况3.物料提升机底盘混凝土基础施工4.物料提升机安装5.缆风绳安装6.吊臂安装7.钢丝绳安装8.物料提升机安全装置的安装9.物料提升机安全技术措施·第2页,共10页多台塔吊施工安全技术措施1.编制依据1.1本方案为都市水乡水滟苑5标段工程多台塔吊施工安全技术措施,措施编制依据为:都市水乡·水滟苑5标段工程的承包合同。都市水乡·水滟苑5标段工程的施工组织设计。都市水乡·水滟苑5标段工程的总平面图及相关的勘察、设计文件等技术资料。杭州市有关施工工程质量、安全生产、文明施工的规定、规程。国家现行有关施工及验收规范(规程):建筑机械使用安全技术规程(JGJ33-2001)建筑施工安全检查标准(JGJ59-99)2.工程概况都市水乡·水滟苑5标段工程,位于杭州市三墩祥符,总建筑面积为29920m2,为现浇框架—剪力墙结构。其中G12#楼为11层建筑,总高度为33.30m,总长度为49.00m,总宽度为13.60m;G13#楼为15层,总长度为49.00m,总高度为44.50m,总宽度为13.60m;G18#楼为15层建筑,总长度为66.10m,总高度为44.50m,总宽度为13.60m。现场18#楼及13#楼位置布置两台QTZ63塔吊,塔臂长50m(55m),塔身距离60.00m/从工程设计上看,建筑主楼总高度最高为49.40米。由于工期较紧,施工要求相对较高的特点,为便于施工,计划每个子单体项目采用两台物料提升机外观整齐、统一,加强施工文明。·第3页,共10页3.物料提升机底盘混凝土基础施工3.1在施工现场选择合理的地理位置,夯实地基。3.2按物料提升机底盘的尺寸每边放大30cm进行立模,并用水准仪测好混凝土表面的水平标高。3.3基础内配Φ10@200双向钢筋,用C20混凝土浇捣,混凝土厚度20cm,预埋地脚螺栓处30cm厚(图1)。3.4浇捣后对地脚螺栓进行校正。3.5混凝土强度达到75%后,进行物料提升机安装。规格尺寸(mm)代号1.6m×2m1.6m×2m2m×2mL260026002900H220026002600M211621162416N152019201920图1井架底盘混凝土基础示意图·第4页,共10页4.物料提升机安装4.1先将底盘安装在混凝土基础上(图2)校准好水平,把内吊篮置于底盘中间(图3),并检查进料口方向是否正确。4.2在底盘上安装4根立杆,取两长两短,应对角安装,再在短主杆上装2块大连接板,在长立杆上装2块小连接板(图4)4.3对准卷扬机方向,并借用大连接板将地滑轮装在底盘上。4.4装4根水平撑,再装4根斜撑,上螺栓使螺栓呈放松状态,回下去紧固下节所有螺栓,以利校正与安装,依此循环,直到完成(图5)。4.5内吊篮装好第一节时,先把4根导轨装上去与有孔平撑紧固(图6)。4.6装顶上竖撑时,把2根短竖撑装上去,装上顶角撑板,装上顶平撑和斜撑,紧固螺栓,将天梁按物料提升机体的对角方向安装在井字架最上端,并将靠近天梁外端侧滑轮的一端伸出井字架(图7)4.7用压板与螺丝紧固,再安装避雷针,井字架体安装完毕后,再装缆风绳。·第5页,共10页1—钢底盘;2—地脚螺栓;3—螺母M20;4—垫圈图2物料提升机钢底盘与地脚螺栓连接示意图1—底盘;2—出料口安全门;3—进料口安全门;4—停层锁;5—防附装置图3吊盘安装示意图·第6页,共10页1—长立杆;2—短立杆;3—大连接板;4—小连接板。图4底盘安装图1—底盘;2—起重量限制器;3—导轨;4—安全门;5—大连接板;6—斜撑;7—小连接板;8—平撑;9—摇臂;10—吊笼;11—天梁;12—通往卷扬机图5井架总体安装示意图·第7页,共10页1-吊篮底部导向滑轮;2-防坠装置上的导向滑轮;3-中间有孔的水平腹杆;4-导轨。图6导向滑轮、水平腹杆及导轨示意图1-天梁;2-井架架体图7天梁与井架架体关系图5.缆风绳安装·第8页,共10页5.1当井字架安装到12m高度时,必须在物料提升机体的四角方向系好缆风绳,并与符合标准规定的风缆桩锚固。5.2缆风绳必须采用钢丝绳,其直径不小于9.3mm。5.3架体高度超过20m时,拉一道缆风绳,缆风绳与井字架的夹角应在45°~60°之间。6.吊臂安装6.1选择好便于物料吊运的合理位置(如吊臂的高度、角度等)进行安装。6.2在大连接板上借用8只螺栓,将台灵同大连接板紧固在一起。6.3将直径不小9.3mm的钢丝绳同吊臂外端用2个绳卡紧固,...

1、当您付费下载文档后,您只拥有了使用权限,并不意味着购买了版权,文档只能用于自身使用,不得用于其他商业用途(如 [转卖]进行直接盈利或[编辑后售卖]进行间接盈利)。
2、本站所有内容均由合作方或网友上传,本站不对文档的完整性、权威性及其观点立场正确性做任何保证或承诺!文档内容仅供研究参考,付费前请自行鉴别。
3、如文档内容存在违规,或者侵犯商业秘密、侵犯著作权等,请点击“违规举报”。

碎片内容

多台塔吊安全技术措施

文库当当响+ 关注
实名认证
内容提供者

该用户很懒,什么也没介绍

确认删除?
VIP
微信客服
  • 扫码咨询
会员Q群
  • 会员专属群点击这里加入QQ群
客服邮箱
回到顶部