电脑桌面
添加小米粒文库到电脑桌面
安装后可以在桌面快捷访问

室内墙砖安全技术交底VIP免费

室内墙砖安全技术交底_第1页
1/7
室内墙砖安全技术交底_第2页
2/7
室内墙砖安全技术交底_第3页
3/7
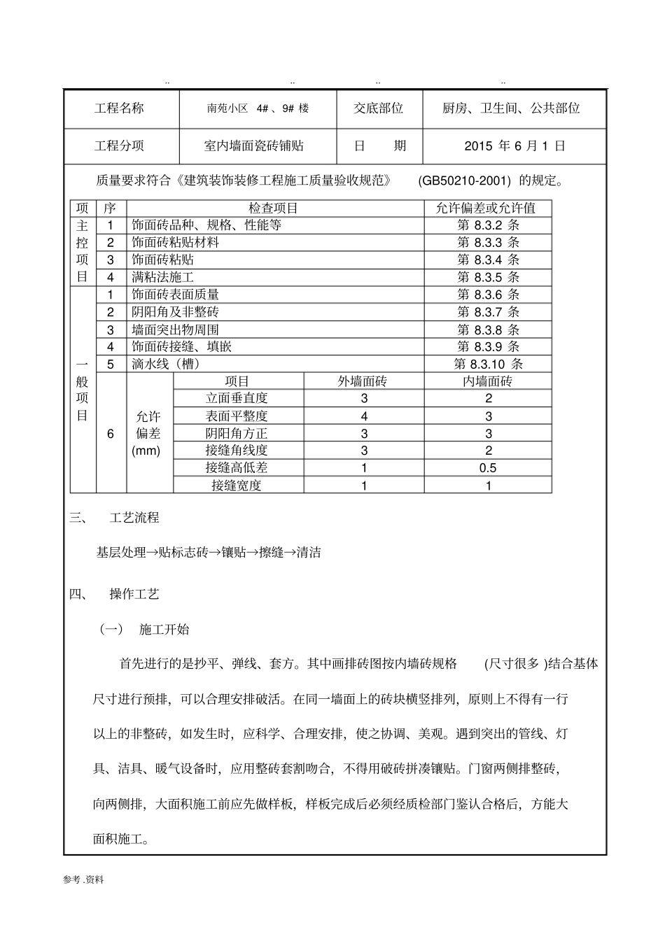
........参考.资料工程名称南苑小区4#、9#楼交底部位厨房、卫生间、公共部位工程分项室内墙面瓷砖铺贴日期2015年6月1日交底内容:一、施工准备(一)作业条件根据设计图纸要求,按照建筑构造各部位的具体做法和工程量,预先挑选出颜色一致、同规格的面砖,分别堆放并保管好。镶贴前,基体必须经验收,无空鼓。墙面有防水房间要做好蓄水试验,并隐检完毕,结构已验收,沉降稳定,基体表面平整度必须经过处理,饰面砖施工图(排砖图)应根据基体的几何表面状况确定。(二)材料要求1、水泥:32.5级普通硅酸盐水泥,应有出厂质量证明或复试报告。若出厂超过三个月,应按试验结果使用。2、白水泥:32.5级白水泥。3、砂:中砂或粗砂,用前过筛。4、内墙面砖:应表面平整,颜色一致,尺寸正确,边棱整齐,无掉梭、缺角。5、混凝土界面处理剂。(三)施工机具磅秤,孔径5mm筛子,手推车,大桶,木袜子,水平尺,方尺,靠尺板,合金錾子,托线板,盒尺,云石机等。二、质量要求........参考.资料工程名称南苑小区4#、9#楼交底部位厨房、卫生间、公共部位工程分项室内墙面瓷砖铺贴日期2015年6月1日质量要求符合《建筑装饰装修工程施工质量验收规范》(GB50210-2001)的规定。项序检查项目允许偏差或允许值主控项目1饰面砖品种、规格、性能等第8.3.2条2饰面砖粘贴材料第8.3.3条3饰面砖粘贴第8.3.4条4满粘法施工第8.3.5条一般项目1饰面砖表面质量第8.3.6条2阴阳角及非整砖第8.3.7条3墙面突出物周围第8.3.8条4饰面砖接缝、填嵌第8.3.9条5滴水线(槽)第8.3.10条6允许偏差(mm)项目外墙面砖内墙面砖立面垂直度32表面平整度43阴阳角方正33接缝角线度32接缝高低差10.5接缝宽度11三、工艺流程基层处理→贴标志砖→镶贴→擦缝→清洁四、操作工艺(一)施工开始首先进行的是抄平、弹线、套方。其中画排砖图按内墙砖规格(尺寸很多)结合基体尺寸进行预排,可以合理安排破活。在同一墙面上的砖块横竖排列,原则上不得有一行以上的非整砖,如发生时,应科学、合理安排,使之协调、美观。遇到突出的管线、灯具、洁具、暖气设备时,应用整砖套割吻合,不得用破砖拼凑镶贴。门窗两侧排整砖,向两侧排,大面积施工前应先做样板,样板完成后必须经质检部门鉴认合格后,方能大面积施工。........参考.资料工程名称南苑小区4#、9#楼交底部位厨房、卫生间、公共部位工程分项室内墙面瓷砖铺贴日期2015年6月1日(二)基层处理基层结构,砖和混凝土的做法不同:砖基层:将砖面浇水润湿后,用1:3水泥砂浆(体积比)按套方、弹线的样筋高度或标志,用木抹子压实,搓毛厚度为10~20mm。混凝土底面:将底面浇水润湿后,用水灰比为0.4~0.5的索水泥浆,掺有水泥重的3%~5%的108胶满刷一遍,再抹1:3水泥砂浆(体积比)按套方、弹线的标筋高度或标志,用木搓板压实搓毛,搓毛厚度为10~20mm。如果结构施工中使用脱模剂,混凝土面需用10%火碱液清洗,以防基层空鼓,对于沉降较大或新砌梁下墙急于贴砖需固定钢板网打底灰,以防由于沉降等原因拉裂。有防水房间特殊处理,需经隐检合格后施工。(三)贴标志砖标志点是用废面砖用水泥砂浆粘贴在找平层上,按此拉通线或用靠尺板作为铺贴面砖的控制点。标志点间距为1.5×1.5m或2×3m为宜,面砖铺贴到此处时再敲掉。注意标志点贴完,有强度后进行一次预检。(四)镶贴镶贴面砖以前,砖墙面要提前一天润湿好,混凝土墙可以提前3~4h润湿,瓷砖要在施工前浸水,浸水时间不少于2h,然后取出晾至手按砖背无水迹方可贴砖。镶贴用1:1水泥砂浆(体积比),使用水泥不低于32.5级普通硅酸盐水泥,加2O%的108胶,砂子为中细砂(过筛),施工环境温度最低在5℃以上,在瓷砖背面满抹灰浆,........参考.资料工程名称南苑小区4#、9#楼交底部位厨房、卫生间、公共部位工程分项室内墙面瓷砖铺贴日期2015年6月1日四边刮成斜面,厚度5mm左右,注意边角满浆,瓷砖就位后用次木柄轻轻敲击砖面,使之与邻面平。粘贴8~10块,用靠尺板检查表面平整,并用卡子将缝拨直。阳角拼缝可用云石机或磨砂机将面砖边沿切磨成45°斜角,保证接缝平直、密实。扫去表面灰浆用卡子划缝,并用棉丝拭净,镶完一面墙后要将横竖缝内灰浆清...

1、当您付费下载文档后,您只拥有了使用权限,并不意味着购买了版权,文档只能用于自身使用,不得用于其他商业用途(如 [转卖]进行直接盈利或[编辑后售卖]进行间接盈利)。
2、本站所有内容均由合作方或网友上传,本站不对文档的完整性、权威性及其观点立场正确性做任何保证或承诺!文档内容仅供研究参考,付费前请自行鉴别。
3、如文档内容存在违规,或者侵犯商业秘密、侵犯著作权等,请点击“违规举报”。

碎片内容

室内墙砖安全技术交底

确认删除?
VIP
微信客服
  • 扫码咨询
会员Q群
  • 会员专属群点击这里加入QQ群
客服邮箱
回到顶部