电脑桌面
添加小米粒文库到电脑桌面
安装后可以在桌面快捷访问

山东泰安低压用户电压合格率管理介绍VIP免费

山东泰安低压用户电压合格率管理介绍_第1页
1/12
山东泰安低压用户电压合格率管理介绍_第2页
2/12
山东泰安低压用户电压合格率管理介绍_第3页
3/12
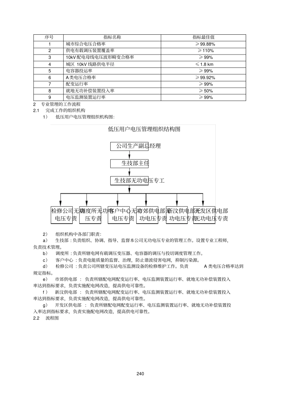
238低压用户(220V)电压合格率管理报送单位:山东泰安供电公司专业管理:营销服务摘要:面对新时期电能质量的新变化和新需求,电力系统除继续加强电网建设和改造进一步提高供电可靠性外,须研究并不断完善电能质量的监测、评估,并选取恰当的技术手段进行综合性防范与治理,低压用户电压合格率最佳做法就是通过对基层单位承担指标的控制,在组织措施和技术措施保证下,进行一系统列分析控制,使具体实践在运行管理、分析统计、客户服务等方面得以全面的提高与开拓,既可对指标运行情况进行全面系统的考核,又可低压用户电压合格率保持科学、合理的指标,并有所稳步提高。1专业管理的目标1.1企业战略对专业管理的要求电力供应是现代社会赖以生存的重要支柱,电能质量历来是发、供、用电部门十分关注并且刻意完善的重要指标。随着高新技术、尤其是信息技术的发展,对电能质量更加敏感,受电能质量影响所造成的经济和社会损失日趋突出,对电能质量提出了新的更高的要求,面对新时期电能质量的新变化和新需求,电力系统除继续加强电网建设和改造,进一步提高供电可靠性外,须研究并不断完善电能质量的监测、评估,并选取恰当的技术手段进行综合性防范与治理。加强电压质量及无功电压管理工作,向用户提供合格电压的电力,既是开展“电力市场整顿和优质服务活动”的根本内容,也是创建“一强三优”现代电力公司的必要条件。1.2目标描述1.2.1电压质量是以实际电压与理想电压的偏差来反映供电企业向用户供应的电能是否合格的概念。1.2.2电能质量标准应满足下列国家标准:GB12325-1990《供电电压允许偏差》GB/T14549-1993《公用电网谐波》GB/T15543-1995《三相电压允许不平衡度》GB/T15945-1995《电力系统频率允许偏差》GB12326-2000《电压允许波动和闪变》GB/T18481-2001《电能质量暂时过电压和瞬态过电压》1.2.3电压质量标准符合下面规定:1)在电力系统正常状况下,客户受电端的供电电压允许偏差为:a)35kV及以上电压供电的,电压正、负偏差的绝对值之和不超过额定值的10%(+7%—-3%);b)10kV及以下高压供电和低压电力用户为额定电压的±7%(+7%—-0%);c)220V单相供电的低压照明用户为额定电压的+5%--10%.2)在电力系统非正常状况下,客户受电端的电压最大允许偏差不应超过额定值的±10%;3)当客户用电功率因数达不到《供电营业规则》规定的要求时,其受电端的电压偏差不受上述限制;4)城市居民客户端电压合格率不低于98%,农网居民客户端电压合格率不低于95%。5)连续运行统计期内电压合格率应不低于下列值:a)专线和10KV及以上用户受电端的电压合格率应不低于98%;b)380(220)V用户受电端电压合格率应不低于95%;6)电压波动和闪变合格率应不低于99%;7)三相电压不平衡度合格率应不低于98%;8)电压正弦波畸变合格率应不低于98%;9)三年低压用户电压合格率目标值:a)2005年低压用户电压合格率目标值:99.90%b)2006年低压用户电压合格率目标值:99.91%239c)2007年低压用户电压合格率目标值:99.92%1.3专业管理的范围电压质量管理是一项技术性、综合性很强的工作,它涉及从规划到生产运行中的每一个环节,是电能质量的重要指标,是电力生产的重要内容,包括电压合格率,供电可靠率和10kV配电母线电压波形畸变率的合格率等指标。电压质量与无功电力管理实行统一领导下的分级管理负责制,对全网无功平衡、电压质量实行从规划到生产运行的日常管理,对所属调度、电厂、供电等生产单位的无功电力平衡、电压质量工作进行监督、指导与考核,并参与或组织规划、设计、基建及技改等阶段中涉及电网无功平衡、补偿容量、设备和调压装置选型、参数、配置地点的审核、工程质量验收及试运行等工作,组织制定和实施改善电压质量的计划及措施。同时还要加强电能质量培训工作,促进科学管理和技术进步,开发和推广提高电能质量的新技术和新产品,严格执行仪器仪表的定期校验和管理制度,建立健全电能质量监督管理体制,健全和完善电能质量的技术档案管理制度和管理措施,对电网电能质量不合格的供电点采取措施进行治理,实现电能质量监测点的在线监测和数据远传,保证电网供电质量。对所...

1、当您付费下载文档后,您只拥有了使用权限,并不意味着购买了版权,文档只能用于自身使用,不得用于其他商业用途(如 [转卖]进行直接盈利或[编辑后售卖]进行间接盈利)。
2、本站所有内容均由合作方或网友上传,本站不对文档的完整性、权威性及其观点立场正确性做任何保证或承诺!文档内容仅供研究参考,付费前请自行鉴别。
3、如文档内容存在违规,或者侵犯商业秘密、侵犯著作权等,请点击“违规举报”。

碎片内容

山东泰安低压用户电压合格率管理介绍

您可能关注的文档

文库当当响+ 关注
实名认证
内容提供者

该用户很懒,什么也没介绍

确认删除?
VIP
微信客服
  • 扫码咨询
会员Q群
  • 会员专属群点击这里加入QQ群
客服邮箱
回到顶部