电脑桌面
添加小米粒文库到电脑桌面
安装后可以在桌面快捷访问

岩棉板外墙保温专项施工方案教材VIP免费

岩棉板外墙保温专项施工方案教材_第1页
1/17
岩棉板外墙保温专项施工方案教材_第2页
2/17
岩棉板外墙保温专项施工方案教材_第3页
3/17
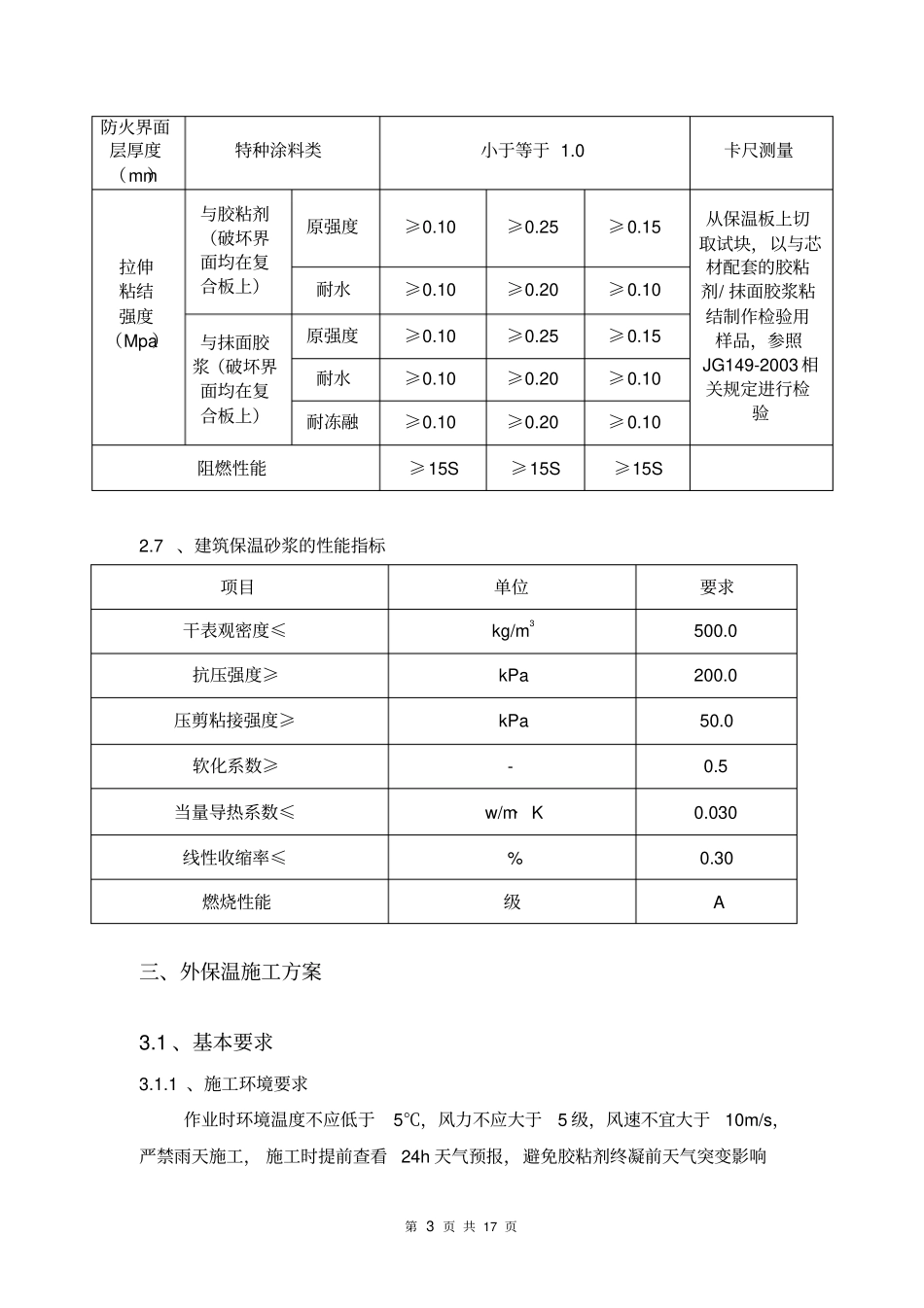
第1页共17页第五节外墙保温施工方案一、工程概况1.1、外墙面局部为石材墙面,其它为外墙涂料面层。1.2、围护结构作法1)外墙保温系统概况外墙保温采用:120厚TR10岩棉板,密度为≥40kg/m3、阻燃型岩棉板板A级。2)外墙保温系统做法岩棉板外墙保温系统序号基层砼外墙及填充墙体基层墙体1找平层平整度:2米靠尺控线,小于4mm误差;砼外墙平整度符合要求时可不找平。2粘结层10mm厚聚合物粘结砂浆粘结3系统保温120mm厚阻燃型岩棉板4机械固定尼龙锚栓,辅助固定,锚固深度≥30㎜5防护层3-5mm厚聚合物抹面砂浆,内置耐碱玻纤网格布(首层D6电焊网)6外饰面层外墙石材、外墙涂料二、墙体保温材料要求外墙体保温材料相关性能指标2.1、岩棉板性能指标项目单位技术要求压缩强度MPa0.15-0.25导热系数W/(m.k)≤0.03燃烧性能/满足设计要求第2页共17页表观密度Kg/m340-120kg/m3抗拉强度MPa≥0.25尺寸稳定性%≤0.3吸水率%≤0.12.2、胶粘剂性能指标项目单位技术要求拉伸粘结强度(与水泥砂浆)原强度MPa≥0.6耐水MPa≥0.4拉伸粘结强度(与膨胀岩棉板)原强度MPa≥0.25,破坏界面在膨胀岩棉板上耐水MPa≥0.20,破坏界面在膨胀岩棉板上可操作时间h≥1.5~4.02.3、锚栓性能指标项目单位技术要求单个锚栓抗拉承载力KN≥0.3单个锚栓对系统传热增加值W/(m2.k)≤0.004有效锚固深度mm≥302.4、耐碱网格布性能指标项目单位技术要求普通型加强型耐碱断裂强力经向N/50mm≥750≥1500纬向≥750≥1500耐碱断裂强力保留率经向%≥50≥50%纬向≥50≥50%单位面积质量g/m2≥130≥280g/m2断裂应变%≤5.02.5、抹面胶浆性能指标项目单位技术要求拉伸粘结强度原强度MPa≥0.25,破坏界面在膨胀岩棉板上耐水MPa≥0.20,破坏界面在膨胀岩棉板上耐冻融MPa≥0.20,破坏界面在膨胀岩棉板上柔韧性/≤3.0可操作时间h1.5~4.02.6、板用防火界面浆料技术要求。项目指标检验方法模塑板岩棉板聚氨酯板防火界面层外观涂层均匀、无暴露芯材、油污缺陷目测第3页共17页防火界面层厚度(mm)特种涂料类小于等于1.0卡尺测量拉伸粘结强度(Mpa)与胶粘剂(破坏界面均在复合板上)原强度≥0.10≥0.25≥0.15从保温板上切取试块,以与芯材配套的胶粘剂/抹面胶浆粘结制作检验用样品,参照JG149-2003相关规定进行检验耐水≥0.10≥0.20≥0.10与抹面胶浆(破坏界面均在复合板上)原强度≥0.10≥0.25≥0.15耐水≥0.10≥0.20≥0.10耐冻融≥0.10≥0.20≥0.10阻燃性能≥15S≥15S≥15S2.7、建筑保温砂浆的性能指标项目单位要求干表观密度≤kg/m3500.0抗压强度≥kPa200.0压剪粘接强度≥kPa50.0软化系数≥-0.5当量导热系数≤w/m·K0.030线性收缩率≤%0.30燃烧性能级A三、外保温施工方案3.1、基本要求3.1.1、施工环境要求作业时环境温度不应低于5℃,风力不应大于5级,风速不宜大于10m/s,严禁雨天施工,施工时提前查看24h天气预报,避免胶粘剂终凝前天气突变影响第4页共17页粘结质量。3.2、建筑物及基层墙体要求3.2.1除实体混凝土墙体外,填充墙体外面抹1:3水泥砂浆找平层。外墙找平层表面干燥、洁净,强度、平整度、垂直度达以规范验收要求。3.2.2将外墙外保温施工的砼基体表面的杂物清理干净,不得有污迹、灰尘、油污或脂肪类物质。空鼓开裂处剔凿后修补平整、铲除凸出物,使基体表面尺寸偏差符合下表规定项次项目允许偏差(mm)检查方法1表面平整度4用2m靠尺和楔形塞尺检查2垂直度每层5用2m托线板检查全高≤H/1000,且不大于20用经纬仪或吊线和钢尺检查3阴阳角垂直度4用2m托线板检查3.2.3外墙上的螺栓孔或其它孔洞用防水砂浆封堵(洞口较大处用细石砼填实)。3.2.4伸出外墙面上的雨水管卡、预埋件、支架和设备穿墙管安装到位,并留出外墙保温层的厚度,并做必要的防锈及防水处理。3.2.5门窗边框(不带附框)与墙体连接处预留出保温层的厚度,窗框安装完毕,窗框与墙体之间的缝隙用聚氨酯发泡填塞严密,做好窗框的保护。3.2.6保温施工前对建筑物及墙面进行主体结构验收,验收合格后方可进行外保温施工。3.3、施工准备3.3.1材料准备施工前按照本工程的技术要求,进场前应提供系统组成材料的出厂检验报告、产品型式检验报告。3.3.2材料机具准备3.3.2.1、外墙外保...

1、当您付费下载文档后,您只拥有了使用权限,并不意味着购买了版权,文档只能用于自身使用,不得用于其他商业用途(如 [转卖]进行直接盈利或[编辑后售卖]进行间接盈利)。
2、本站所有内容均由合作方或网友上传,本站不对文档的完整性、权威性及其观点立场正确性做任何保证或承诺!文档内容仅供研究参考,付费前请自行鉴别。
3、如文档内容存在违规,或者侵犯商业秘密、侵犯著作权等,请点击“违规举报”。

碎片内容

岩棉板外墙保温专项施工方案教材

您可能关注的文档

确认删除?
VIP
微信客服
  • 扫码咨询
会员Q群
  • 会员专属群点击这里加入QQ群
客服邮箱
回到顶部