电脑桌面
添加小米粒文库到电脑桌面
安装后可以在桌面快捷访问

工程机械专业教学大纲VIP免费

工程机械专业教学大纲_第1页
1/7
工程机械专业教学大纲_第2页
2/7
工程机械专业教学大纲_第3页
3/7
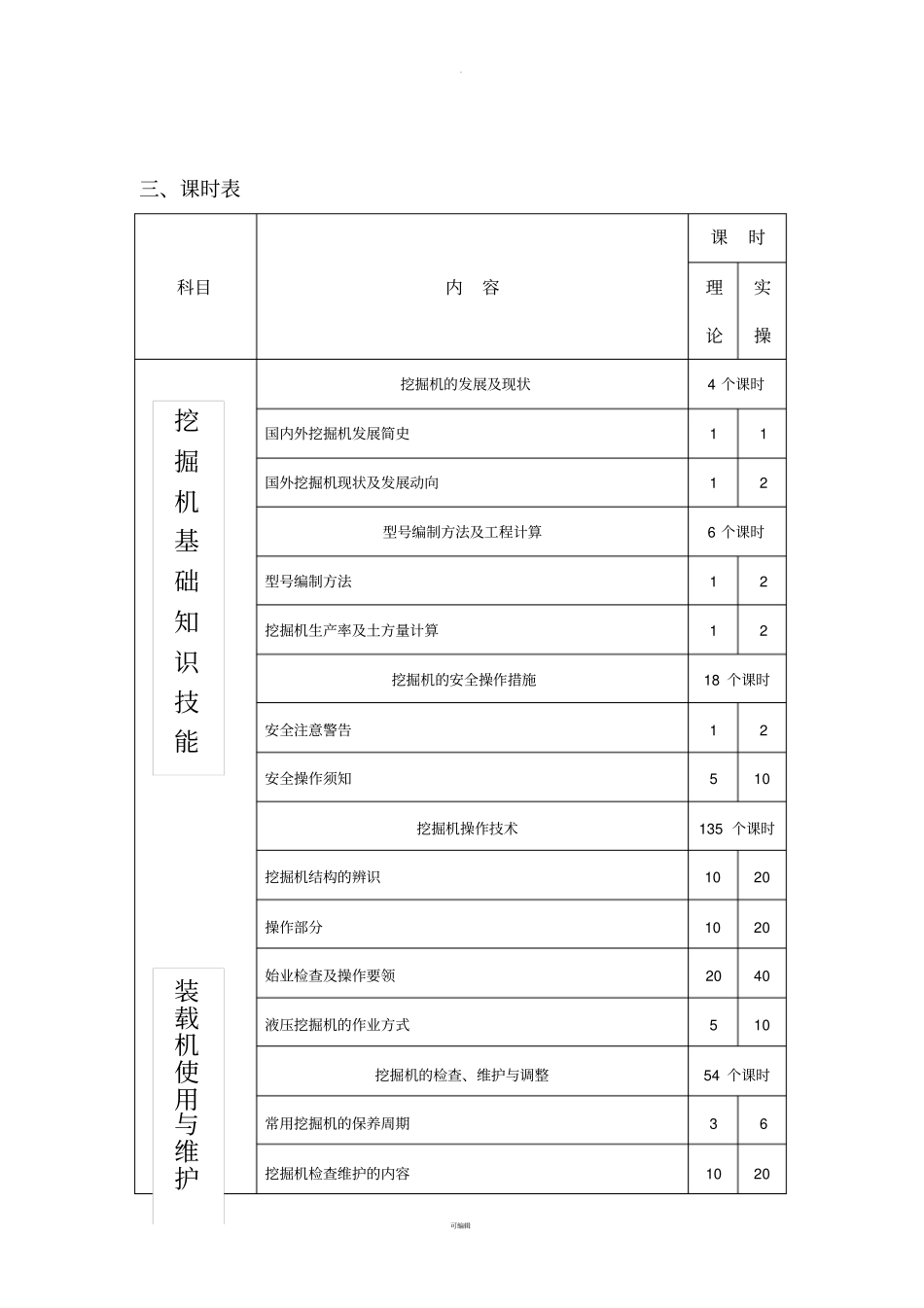
.可编辑宁夏铁路培训中心工程机械专业教学大纲一、教材及学制教材选用国家职业资格培训教程,《挖掘机操作与维护》技能、《装载机故障指南》、《轮式装载机使用与维护》。学制3个月,576个课时,理论240个课时、实操336个课时。二、培训的目标及要求通过理论与实操的学习,使学员充分理解和掌握《挖掘机操作与维护》技能、《装载机故障指南》、《轮式装载机使用与维护》3本选用教材的全部课程,在教学过程中应知部分每周进行测试,应会部分实操分阶段考核,学习结束后通过国家职业资格初级工技能鉴定,要求理论与实操合格率不低于85%。.可编辑三、课时表科目内容课时理论实操挖掘机的发展及现状4个课时国内外挖掘机发展简史11国外挖掘机现状及发展动向12型号编制方法及工程计算6个课时型号编制方法12挖掘机生产率及土方量计算12挖掘机的安全操作措施18个课时安全注意警告12安全操作须知510挖掘机操作技术135个课时挖掘机结构的辨识1020操作部分1020始业检查及操作要领2040液压挖掘机的作业方式510挖掘机的检查、维护与调整54个课时常用挖掘机的保养周期36挖掘机检查维护的内容1020挖掘机基础知识技能装载机使用与维护.可编辑挖掘机的检查调整510挖掘机的故障诊断与排除75个课时发动机常见故障排除1020液压挖掘机液压系统故障诊断与排除510电子控制系统的故障诊断510挖掘机的应急处理510装载机用途、主要技术性能和参数10个课时装载机操作和使用55个课时操作机构和仪表510新车走合22装载机使用和操作1020润滑24主要部件结构和保养67个课时柴油机的结构原理510液力变矩器24变速箱510传动轴驱动桥36工作装置液压系统55内容课时理论实操制动系统24装载机基础知识.可编辑电气系统24定期保养24故障与排除510变形产品补充说明23个课时ZLJ40、ZLJ50夹木叉式装载机12ZLG50高卸载装载机12ZLC40侧卸载装载机22ZLC50侧卸载装载机22装载机吊运方法36液力变矩器5个课时液压换档行星齿轮传动变速箱10个课时转向机系5个课时工作装置及工作液压系统6个课时轮式驱动桥10个课时制动系统8个课时其它系统10个课时四、授课内容及教学计划序号小结内容第一章装机基础知识1、教学目的:铲斗土方量如何计算;装机的类型和型号编制如何辨认;2、应知部分:装机的发展与现状如何;.可编辑3、应掌握部分:我国装机产品及主要制造厂商;4、应了解部分:外国进口产品与同类产品的优缺点。第二章装机安全操作措施1、教学目的:安全第一、预防为主;认真贯彻《安全生产教育的重要性》指示精神和《厂内机动车辆安全规范操作条例》的内含。2、应知部分:工矿、企事业单位和公路行驶或作业时的安全注意警告有哪些?3、应掌握部分:安全操作细则;4、应了解部分:哪些行为属于违章操作?第三章装机操作技术1、教学目的:通过学习使学员了解并掌握装机工作中的操作技巧。2、应知部分:装机全身结构的指认与辨别;3、应掌握部分:驾驶室内各仪表盘和操作手柄、方向盘的基本运用技巧;4、应了解部分:变异铲车如何在隧道内卸料。第四章装机检查、维护和故障排除1、教学目的:通过学习使学员熟练掌握各种润滑油的更换方法、周期、基本故障的诊断与排除;2、应知部分:发动机、变速箱常见故障的排除;3、应掌握部分:装机液压系统工作装置的故障诊断与处理;4、应了解部分:外国先导式装机在变速操纵阀上有什么不同之处。.可编辑第五章挖机的安全操作措施1、教学目的:强调安全生产规范操作的重要性;2、应知部分:安全注意警告标志具体有哪些;3、应掌握部分:安全操作须知具体细则有哪些;4、应了解部分:国家交通法针对违章驾驶采取什么样的处罚与制裁。第六章挖机操作技术1、教学目的:熟练掌握操作技巧及要领;2、应知部分:挖机基本结构的辨识;3、应掌握部分:操作注意事项及装车、整平、挖沟、刷坡、上平板车等高难度动作要领;4、应了解部分:始业检查的三要素,工作中常检查哪些仪表。第七章挖机的检查维护与调整1、教学目的:认真执行日常维护的条理作到发车前、工作中、收车后的认真检修与维护;2、应知部分:常用挖机各类润滑油保养及更换周期;3、应掌握部分:挖机检查维护的内容4、应了解部分:理论与实践工作...

1、当您付费下载文档后,您只拥有了使用权限,并不意味着购买了版权,文档只能用于自身使用,不得用于其他商业用途(如 [转卖]进行直接盈利或[编辑后售卖]进行间接盈利)。
2、本站所有内容均由合作方或网友上传,本站不对文档的完整性、权威性及其观点立场正确性做任何保证或承诺!文档内容仅供研究参考,付费前请自行鉴别。
3、如文档内容存在违规,或者侵犯商业秘密、侵犯著作权等,请点击“违规举报”。

碎片内容

工程机械专业教学大纲

您可能关注的文档

确认删除?
VIP
微信客服
  • 扫码咨询
会员Q群
  • 会员专属群点击这里加入QQ群
客服邮箱
回到顶部