电脑桌面
添加小米粒文库到电脑桌面
安装后可以在桌面快捷访问

工程测量复习题参考答案VIP专享VIP免费

工程测量复习题参考答案_第1页
1/12
工程测量复习题参考答案_第2页
2/12
工程测量复习题参考答案_第3页
3/12
《工程测量》模拟题一一、单项选择题(下列每小题的备选答案中,只有一个符合题意的正确答案,多选、错选、不选均不得分。本题共10个小题,每小题2分,共20分)1.按设计位置把点位标定到实地的工作称为(B)。A.测绘B.测设C.监测D.以上说法都对2.用视距法测量水平距离和高差时,需要用仪器观测的数据是(A)。A.尺间隔B.竖盘读数C.仪器高D.瞄准高3.设地面上有A、B两点,两点的高程分别为HA=19.186m,HB=24.754m,则A、B两点的高差hAB=(A)m。A.5.568B.-5.568C.43.940D.-43.9404.DJ6表示一测回方向观测中误差不超过(A)。A.±6″B.±2″C.±10″D.±12″5.对地面上已有的地物和地貌进行测量,计算其坐标或在图纸上描绘出来,称为(A)。A.测定B.测设C.监测D.以上说法都对6.在野外进行地形测图中,为保证测量质量,地形点的间距选择一般是(B)。A.随仪器的精度而定B.随比例尺和地形而定C.随测绘方法而定D.随绘图技巧而定7.某地形图的比例尺为1/2000,则其比例尺精度为(A)。A.0.2mB.0.02mC.0.5mD.0.05m8.地形等高线经过河流时,应是(C)。A.直接相交通过B.近河岸时折向河流下游C.近河岸时折向河流上游D.近河岸时折向河流上游并与河流正交9.变形观测时,必须以稳定不动的点为依据,这些稳定点称为(B)。A.变形点B.基准点C.标志点D.工作基点10.用钢尺丈量某段距离,往测为112.314m,返测为112.329m,则相对误差为(C)。A.1/10000B.1/3750C.1/7500D.1/15000二、名词解释(本题共2小题,每小题3分,共6分)11.等高线等高线是指地面上相同高程的相邻各点连成的封闭曲线,也就是设想水准面与地表面相交形成的闭合曲线12.大地水准面大地水准面是假想的不受潮汐、风浪干扰、静止的平均海水面伸延穿过大陆和岛屿所形成的闭合曲面;人们设想将静止的海水面向整个陆地延伸、用所形成的的闭合曲面代替地球表面,这个曲面称为大地水准面。大地水准面是水准面中的一个特殊的水准面;是重力等位面。三、填空题(本题共8小题,每空1分,共20分)13.在钢尺精密量距的成果计算时,要进行的三项改正数计算是温度改正、尺长改正、倾斜改正。14.测量上常用的高程基准面是大地水准面,基准线是铅垂线。15.线路直线段上的线路控制桩有交点桩和直线转点桩。16.根据已知水准点的分布情况和实际需要,水准路线一般可布设成附和水准路线、闭合水准路线和支水准路线。17.在碎部点测绘点的平面位置,根据地形条件和控制点的布设,可采用直角坐标法、极坐标法和交会法。18.测量的基本原则是:在布局上:先整体,后局部;在工作方法上:先控制,后碎部;在精度上:从高精度到低精度。19.梯形分幅法用于国家基本图的分幅,矩形分幅法用于工程建设大比例尺图的分幅。20.引起测量误差的主要原因有仪器误差、观测误差和外界条件影响,而测量误差按其性质不同分为系统误差和偶然误差。四、简答题(本题共3小题,每小题6分,共18分)21.试述在线路的交点上,测设圆曲线主点的步骤。答:(1)在JD点安置经纬仪,以线路方向(亦即切线方向)定向,自JD沿两线路方向分别量出切线长T,即得线路起点ZY或终点YZ。(2)后视YZ点,顺时针拨角(180°-α)/2,得分角线方向,沿此方向自JD点量出外矢距E,得圆曲线中点QZ。22.线路横断面测量的常用方法有哪些?答:线路横断面测量的常用方法有:经纬仪视距法;水准仪法和测距仪法。23.何谓水准管的分划值?其数值大小与测量仪器的精度关系如何?答:水准管一格的弧长2mm所对应的圆心角称为水准管分划值。其数值的大小反映了仪器置平精度的高低,分划值愈小,其灵敏度愈高。五、案例分析题(本题共2小题,每小题10分,共20分)24.完成表24-1中的计算。表24-1丈量次数丈量结果(m)V(mm)VV计算189.02724观测值中误差m=±3.9mm算术平均值中误差mx=±2.0mm289.034-525389.025416489.030-11算术平均值相对中误差K=445001算术平均值x=[V]=0[VV]=4625.要在AB方向测设一个坡度为-1%的坡度线,已知A点的高程为46.425m,AB之间的水平距离为130m,另又在AB间架设水准仪,测得B点水准尺的读数为5.638m,试求视线高程、A点水准尺的读数及B点的高程。视线高程为:50.763mA点的水准尺的读数...

1、当您付费下载文档后,您只拥有了使用权限,并不意味着购买了版权,文档只能用于自身使用,不得用于其他商业用途(如 [转卖]进行直接盈利或[编辑后售卖]进行间接盈利)。
2、本站所有内容均由合作方或网友上传,本站不对文档的完整性、权威性及其观点立场正确性做任何保证或承诺!文档内容仅供研究参考,付费前请自行鉴别。
3、如文档内容存在违规,或者侵犯商业秘密、侵犯著作权等,请点击“违规举报”。

碎片内容

工程测量复习题参考答案

确认删除?
VIP
微信客服
  • 扫码咨询
会员Q群
  • 会员专属群点击这里加入QQ群
客服邮箱
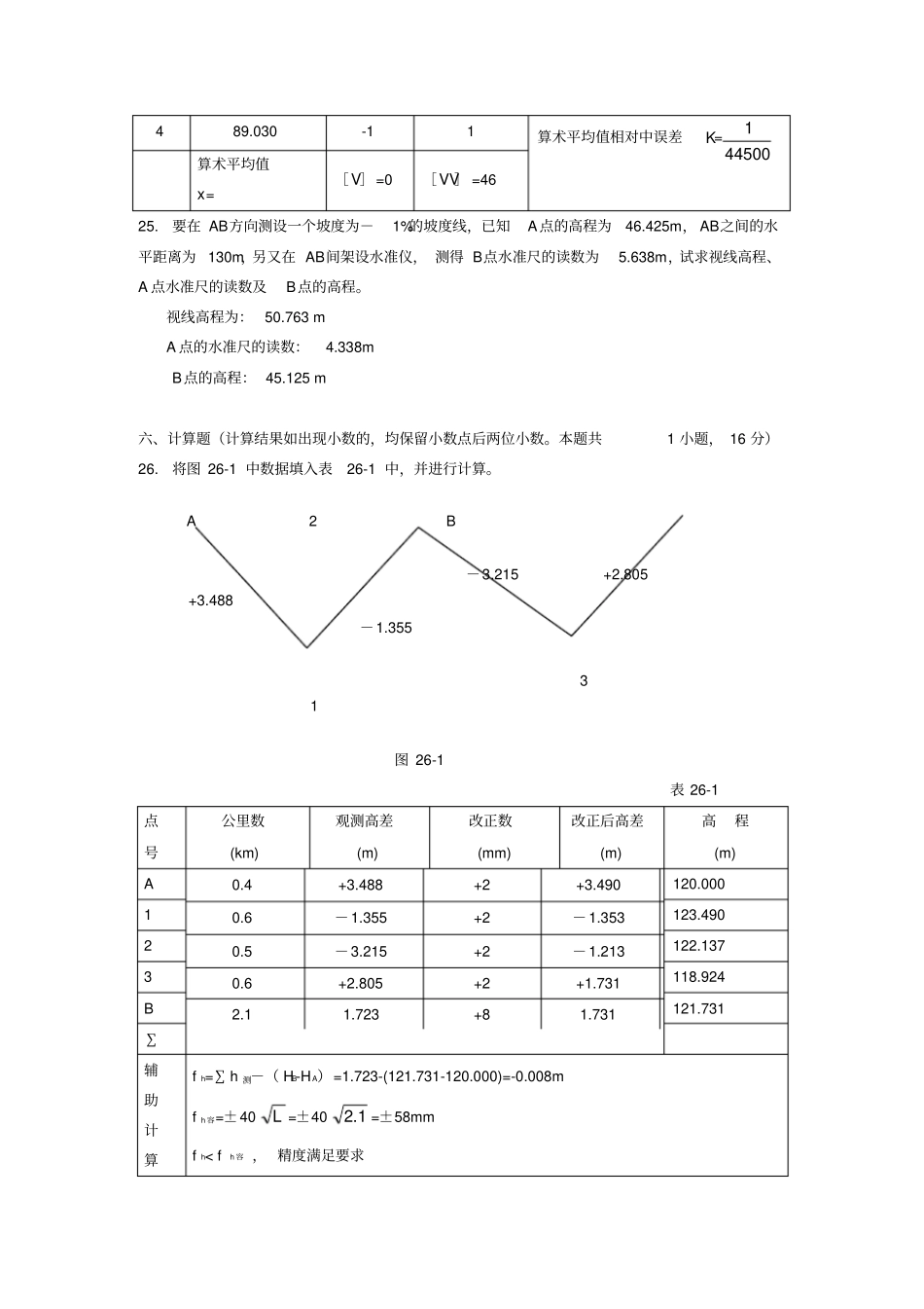
回到顶部