电脑桌面
添加小米粒文库到电脑桌面
安装后可以在桌面快捷访问

工程签证单模板VIP免费

工程签证单模板_第1页
1/20
工程签证单模板_第2页
2/20
工程签证单模板_第3页
3/20
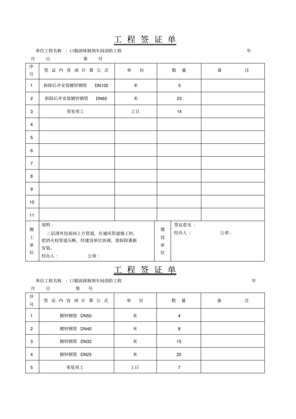
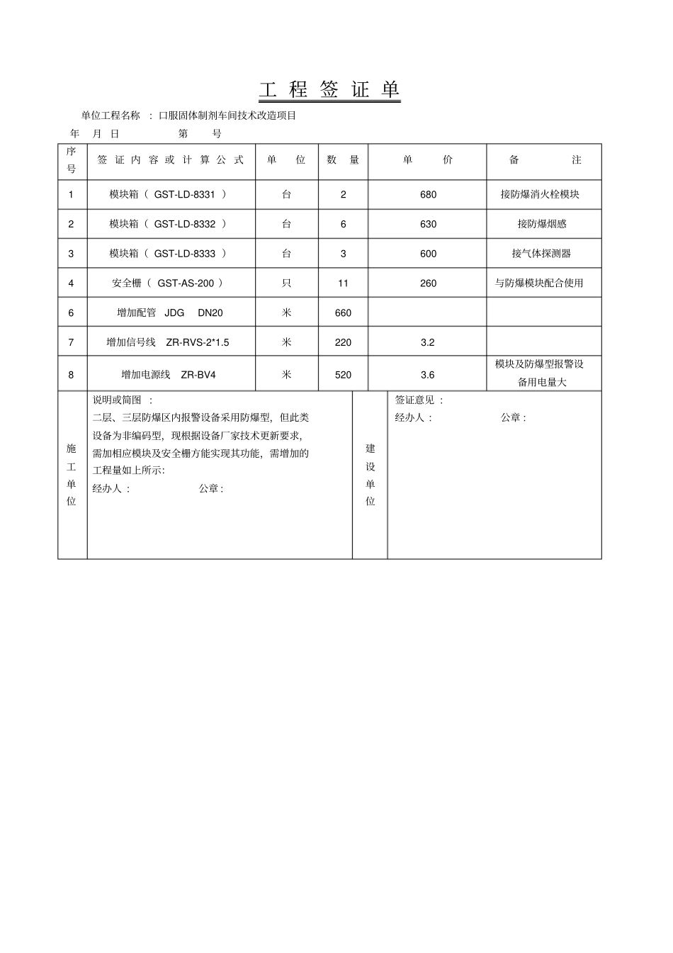
工程签证单单位工程名称:口服固体制剂车间技术改造项目年月日第号序号签证内容或计算公式单位数量单价备注1模块箱(GST-LD-8331)台2680接防爆消火栓模块2模块箱(GST-LD-8332)台6630接防爆烟感3模块箱(GST-LD-8333)台3600接气体探测器4安全栅(GST-AS-200)只11260与防爆模块配合使用6增加配管JDGDN20米6607增加信号线ZR-RVS-2*1.5米2203.28增加电源线ZR-BV4米5203.6模块及防爆型报警设备用电量大施工单位说明或简图:二层、三层防爆区内报警设备采用防爆型,但此类设备为非编码型,现根据设备厂家技术更新要求,需加相应模块及安全栅方能实现其功能,需增加的工程量如上所示:经办人:公章:建设单位签证意见:经办人:公章:工程签证单单位工程名称:口服固体制剂车间消防工程年月日第号序号签证内容或计算公式单位数量备注1拆除后并安装镀锌钢管DN100米52拆除后并安装镀锌钢管DN65米233零星用工工日144567891011施工单位说明:二层清外包装间上方管道,在通风管道施工时,把消火栓管道压断,经建设单位协调,需拆除重新安装。经办人:公章:建设单位签证意见:经办人:公章:工程签证单单位工程名称:口服固体制剂车间消防工程年月日第号序号签证内容或计算公式单位数量备注1镀锌钢管DN50米42镀锌钢管DN40米83镀锌钢管DN32米154镀锌钢管DN25米205零星用工工日767891011施工单位说明:二层防爆区,因风管安装、工艺管道安装,喷淋管道绕其安装增加工程量如上:经办人:公章:建设单位签证意见:经办人:公章:工程签证单单位工程名称:口服固体制剂车间消防工程年月日第号签证内容或计算公式单位数量备注增加镀锌钢管DN100米12增加镀锌钢管DN80米26增加镀锌钢管DN65米15增加镀锌钢管DN50米9增加镀锌钢管DN40米13增加镀锌钢管DN32米26增加镀锌钢管DN25米53拆除零星用工工日18层防爆区彩钢板上方,因风管、工艺管道安装,应建设单位要求,需拆除移位重新安装,增加工程量、拆除用工如上:人:公章:建设单位签证意见:经办人:公章:工程签证单单位工程名称:口服固体制剂车间消防工程年月日第号序号签证内容或计算公式单位数量备注1零星用工工日20234567891011施工单位说明:二、三层风管、工艺管道安装中,拆除我单位施工的管道支架,并由我单位修复。经办人:公章:建设单位签证意见:经办人:公章:工程签证单单位工程名称:口服固体制剂车间消防工程年月日第号序号签证内容或计算公式单位数量备注1安装镀锌钢管DN80米202安装镀锌钢管DN50米183安装镀锌钢管DN40米254安装镀锌钢管DN32米205安装镀锌钢管DN25米566安装上喷头DN15个567拆除零星用工工日128910施工单位说明:一层前厅,按设计要求已做好下喷,建设单位要求改为上喷。经办人:公章:建设单位签证意见:经办人:公章:工程签证单单位工程名称:口服固体制剂车间消防工程年月日第号序号签证内容或计算公式单位数量备注1安装镀锌钢管DN65米62安装镀锌钢管DN50米163安装镀锌钢管DN40米144安装镀锌钢管DN32米195安装镀锌钢管DN25米346安装上喷头DN15个187拆除零星用工工日178910施工单位说明:按设计要求一、二层西电梯前室喷淋为下喷,建设单位决定改为上喷;三层西电梯前室未设计喷淋,依据消防要求需加喷淋,建设单位同意增加喷淋设施。经办人:公章:建设单位签证意见:经办人:公章:工程签证单单位工程名称:口服固体制剂车间消防工程年月日第13号序号签证内容或计算公式单位数量备注1零星用工工日62345678910111213施工单位说明:泵房内积有50cm污水,建设单位委派我单位排泵房污水、清理垃圾。经办人:公章:建设单位签证意见:经办人:公章:工程签证单单位工程名称:口服固体制剂车间消防工程年月日第号序号签证内容或计算公式单位数量备注1电线RVS2*1.5米602电线BV1.5米1303零星用工工日2445678施工单位说明:我单位施工的火灾自动报警系统已处于调试阶段,一层空调施工单位将一层报警线打断4次,严重影响我单位施工进度,修复所用材料及人工如上:经办人:公章:建设单位签证意见:经办人:公章:工程签证单单位工程名称:口服固体制剂车间消防工程年月日第号序号签证内容或计算公式单位数量备注1安全阀DN65个22345678施工单位说明:依据消防检测要求,按照建设单位指示,...

1、当您付费下载文档后,您只拥有了使用权限,并不意味着购买了版权,文档只能用于自身使用,不得用于其他商业用途(如 [转卖]进行直接盈利或[编辑后售卖]进行间接盈利)。
2、本站所有内容均由合作方或网友上传,本站不对文档的完整性、权威性及其观点立场正确性做任何保证或承诺!文档内容仅供研究参考,付费前请自行鉴别。
3、如文档内容存在违规,或者侵犯商业秘密、侵犯著作权等,请点击“违规举报”。

碎片内容

工程签证单模板

确认删除?
VIP
微信客服
  • 扫码咨询
会员Q群
  • 会员专属群点击这里加入QQ群
客服邮箱
回到顶部