电脑桌面
添加小米粒文库到电脑桌面
安装后可以在桌面快捷访问

布袋除尘器技术规范书VIP免费

布袋除尘器技术规范书_第1页
1/21
布袋除尘器技术规范书_第2页
2/21
布袋除尘器技术规范书_第3页
3/21
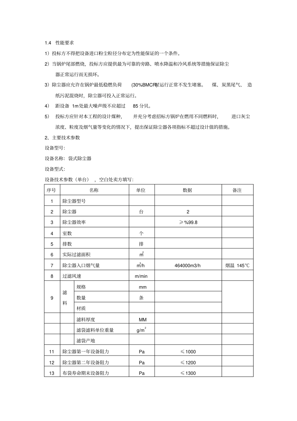
布袋除尘器技术规范书1、总则1.1本技术规范适用于薛城污泥焚烧热电联产项目260t/h流化床锅炉配套布袋除尘系统。它提出设备的功能、设计、结构、性能、安装和试验等方面的技术要求。1.2本技术规范提出的技术要求为最低限度的要求,卖方提供完全符合要求的除尘器设备。1.3卖方应执行相应规范和标准,并按较高标准执行。布袋除尘器装置包括所有需要的系统和设备至少应满足以下总的要求:·采用先进、成熟、可靠的技术,造价要经济、合理,便于运行维护。·所有的设备和材料应是新的·高的可利用率·运行费用最少·观察、监视、维护简单·确保人员和设备安全·节省能源、水和原材料·装置的服务寿命为30年·装置的检修时间间隔应与机组的要求一致,不应增加机组的维护和检修时间。机组检修时间为:小修每年1次,大修每5年一次。·具有良好的启动灵活性和可靠性·能在招标方所提供的烟气含尘条件和自然条件下长期、安全地无人值守运行,并达到排放要求。除尘器在锅炉30%~110%负荷时能正常运行。·布袋除尘器应在锅炉80%负荷运行中能够进行在线检修,在线检修期间除尘器的过滤风速≤1.2m/min,保证避免因检修时风速、阻力过高,影响锅炉、引风机的运行。·布袋除尘器应采用定阻力清灰程序自动控制,1年验收期除尘器运行阻力不得超过1000Pa,滤袋寿命接近4年时,除尘器运行阻力不得超过1300Pa。·除尘器所有的传动部件应充分考虑到结构的热膨胀、烟气中的灰尘以及各种酸性汽液态物质腐蚀,并采用完善的技术措施,实现影响设备运行的故障率为0。·应采用高净气室结构,保证换袋及检修均能在净气室内完成。在线检修时不受风、雨、雪天气的影响。·除尘器应有足够的、安全的检修通道,检修平台不小于600mm×1500mm,检修门、照明、观察孔(必须能清楚地观察净气室,净气室内应设有检修起吊设备、通风装置,并符合相关的安全和技术规程;应有足够的高度,以便在净气室内完成换袋与检修工作)。·所有设备的标示、标牌、标记应清晰、完整、全面。应采用不锈钢牌和腐蚀刻字形式。1.4性能要求1)投标方不得把设备进口粉尘粒径分布定为性能保证的一个条件。2)当锅炉尾部燃烧,投标方应提供最为可靠的旁路、喷水降温和冷风系统等措施保证除尘器正常运行而无损坏。3)除尘器应允许在锅炉最低稳燃负荷(30%BMCR)时运行正常不发生堵塞。煤、炭黑尾气、造纸污泥混烧时,除尘器可投入正常运行。4)距设备1m处最大噪声级不应超过85分贝。5)投标方应针对本工程的设计煤种,并充分考虑招标方锅炉在燃用不同燃料时,进口灰尘浓度、粒度及烟气量等变化的情况下,提出保证除尘器各项指标不超过设计值的措施。2、主要技术参数设备型号:设备名称:袋式除尘器设备型式:设备技术参数(单台),空白处卖方填写:序号名称单位数据备注1除尘器型号2除尘器台23除尘器效率≥%99.84室数个5排数排6实际过滤面积m27除尘器入口烟气量m3/h464000m3/h烟温145℃8过滤风速m/min9滤料规格mm数量条材质滤料厚度MM滤袋滤料单位重量g/m2滤袋产地11除尘器第一年设备阻力Pa≤100012除尘器第二年设备阻力Pa≤120013布袋寿命期末设备阻力Pa≤130014处理烟气温度℃120-18015气体入口含尘浓度g/Nm3≤1216气体出口含尘浓度mg/Nm3≤3017漏风率%≤118脉冲阀规格″投标公司提供三家进口品牌,由招标方选定数量只喷吹压力MPa脉冲宽度s喷吹间隔s喷吹一次耗气量m3/阀次19清灰方式20滤袋允许连续使用温度℃120-18021滤袋允许最高使用温度℃20022袋笼规格mm23袋笼材质24袋笼防腐处理工艺25安装工艺的描述26袋笼固定及密封方式27提升阀数量套28旁通阀数量套29灰斗容积M330灰斗接口尺寸mm31保温层和保温层材料mm32保温层和保温层厚度mm33储气罐m334整体重量T性能保证值:除尘器阻力Pa≤1200漏风率%≤1设计除尘效率%99.8出口排放浓度Mg/Nm3≤30布袋小时>30000(4年)脉冲阀使用寿命万次100(5年)布袋在保证期内失效率%<0.5布袋在寿命期内破损率%<13、设计分界面3.1除尘器进出口法兰以内由卖方设计供货,并配对法兰及进、出口膨胀节,密封件,连接件。3.2除尘器灰斗下法兰(包括法兰)以上由卖方设计供货。3.3除尘器本体的压缩空气系统由卖方设计...

1、当您付费下载文档后,您只拥有了使用权限,并不意味着购买了版权,文档只能用于自身使用,不得用于其他商业用途(如 [转卖]进行直接盈利或[编辑后售卖]进行间接盈利)。
2、本站所有内容均由合作方或网友上传,本站不对文档的完整性、权威性及其观点立场正确性做任何保证或承诺!文档内容仅供研究参考,付费前请自行鉴别。
3、如文档内容存在违规,或者侵犯商业秘密、侵犯著作权等,请点击“违规举报”。

碎片内容

布袋除尘器技术规范书

确认删除?
VIP
微信客服
  • 扫码咨询
会员Q群
  • 会员专属群点击这里加入QQ群
客服邮箱
回到顶部