电脑桌面
添加小米粒文库到电脑桌面
安装后可以在桌面快捷访问

建筑工程估价答案解读VIP免费

建筑工程估价答案解读_第1页
1/12
建筑工程估价答案解读_第2页
2/12
建筑工程估价答案解读_第3页
3/12
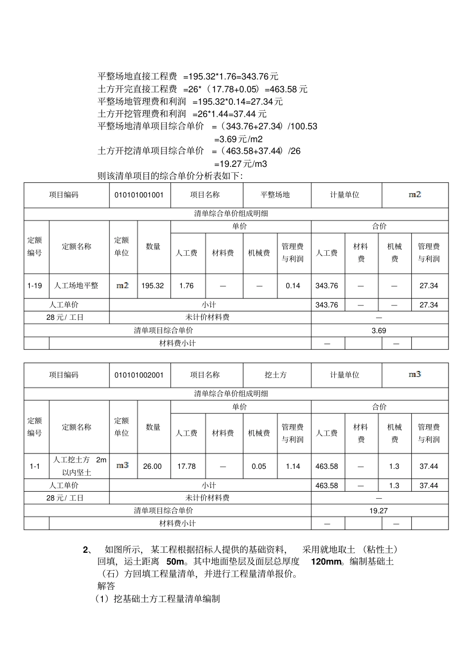
建筑工程估价1、某工程空花墙,设计要求采用粘土砖、M7.5混合砂浆砌筑,试计算该分项工程预算价格以及工料分析。325水泥石灰膏中粗石M7.5303Kg/m3.05M3/m21.18M3/m2M5286kg/m3.04m3/m21.18m3/m2解答:2、某工程需要某材料1000T,现供货如下:甲厂:供货所需材料的54%,甲厂距工地仓库的距离为20km,材料售价为35元/t;乙厂:供货所需材料的46%,乙厂距工地仓库的距离为28km,材料售价为39元/t;另可知运费为0.2元/tkm,装卸费2.1元/t,调车费0.9元/t,采保费率3.5%,材料运输损耗率5%,材料不需要包装。求材料的预算价格。解答:材料原价=(35*0.054*1000+39*0.046*1000)/1000=36.84元/t平均运杂费=【0.054*1000*20*0.2+(0.054+0.046)*1000*(2.1+0.9)+0.46*1000*28*0.2】/1000=7.736元/t运输损耗率=(7.736+36.84)*0.05=2.2288元/t采购及保管费=(36.84+7.736+2.2288)*3.55%=1.638元/t由于材料没有包装,不计包装费,则材料预算价格=36.84+7.736+2.2288+1.638=48.4428元/t3、某工程有120立方米一砖基础,每天有22名工人投入施工,时间定额为0.89工日/m3,试计算完成该项目的定额施工天数。解答:总计需要工日=120*0.89=106.8工日实际需要天数=106.8/22=4.855≈5日则定额施工天数为5天4、预制(或现浇)混凝土梁,根据选定的图纸,计算每10m3,构件模板接触面积为85m2,每10m2所需板材用量为1.063m3,枋材为0.14m3,制作损耗率5%,周转损耗率为10%,周转30次,试计算其模板的摊销量。解答:一次使用量=85*(1.063+0.14)*0.1/(1-10%)=11.36摊销量=11.36/30=0.38m2/次则摊销量为0.38m2/次50页计算题:1、求图示办公楼的建筑面积。解答:一层建筑面积=(3.5*9+0.12*2)*(6.2+1.8+0.12*2)--(3.5*3*1.8*0.5)=252.55m2四层平面的建筑面积=(3*262+252.55)=1038.55m2则,办公室的建筑面积为1038.55m281页计算题:1、某建筑物平面图如图所示。墙体厚240mm,按要求平整场地,大部分场地挖、填找平厚度在正负30mm以内,就地找平,但局部有26m3的挖土,土壤类别为三类,品滚厚度为50cm,2km弃土运输。计算人工平整场地的工程量清单,并进行工程量清单报价。解答:该工程包括平整场地和土方开挖平整场地工程量=(8+3.6+0.12*2)*(6+0.12*2)+0.5*3.14*(4+0.12)*(4+0.12)=100.53m2土方工程量=26m3分项工程量清单如下:序号项目编码项目名称项目特征计量单位工程量金额(元综合单价合价其中;暂估价1010101001001平整场地1.土壤类别:三类土2.弃土运距:2km3.取土平均运距:2kmm2100.532010101002001挖土方1.土壤类别:三类土2.挖土平均厚度:50cm3.弃土运距:2kmm326.00本页小计合计实际工程量计算时,要在结构外边线每边各加2m计算,则:人工平整场地工程量=(8+3.6+0.24+4)*(6+0.12+2)+0.5*3.14*6.12*6.12+3.98*2.12-a/3.14*0.5*3.14*6.12*6.12+0.5*574*2.12=195.32m2土方开挖定额工程量为26m2平整场地直接工程费=195.32*1.76=343.76元土方开完直接工程费=26*(17.78+0.05)=463.58元平整场地管理费和利润=195.32*0.14=27.34元土方开挖管理费和利润=26*1.44=37.44元平整场地清单项目综合单价=(343.76+27.34)/100.53=3.69元/m2土方开挖清单项目综合单价=(463.58+37.44)/26=19.27元/m3则该清单项目的综合单价分析表如下:项目编码010101001001项目名称平整场地计量单位清单综合单价组成明细定额编号定额名称定额单位数量单价合价人工费材料费机械费管理费与利润人工费材料费机械费管理费与利润1-19人工场地平整195.321.76——0.14343.76——27.34人工单价小计343.76——27.3428元/工日未计价材料费—清单项目综合单价3.69材料费小计——项目编码010101002001项目名称挖土方计量单位清单综合单价组成明细定额编号定额名称定额单位数量单价合价人工费材料费机械费管理费与利润人工费材料费机械费管理费与利润1-1人工挖土方2m以内坚土26.0017.78—0.051.14463.58—1.337.44人工单价小计463.58—1.337.4428元/工日未计价材料费—清单项目综合单价19.27材料费小计——2、如图所示,某工程根据招标人提供的基础资料,采用就地取土(粘性土)回填,运土距离50m。其中地面垫层及面层总...

1、当您付费下载文档后,您只拥有了使用权限,并不意味着购买了版权,文档只能用于自身使用,不得用于其他商业用途(如 [转卖]进行直接盈利或[编辑后售卖]进行间接盈利)。
2、本站所有内容均由合作方或网友上传,本站不对文档的完整性、权威性及其观点立场正确性做任何保证或承诺!文档内容仅供研究参考,付费前请自行鉴别。
3、如文档内容存在违规,或者侵犯商业秘密、侵犯著作权等,请点击“违规举报”。

碎片内容

建筑工程估价答案解读

您可能关注的文档

确认删除?
VIP
微信客服
  • 扫码咨询
会员Q群
  • 会员专属群点击这里加入QQ群
客服邮箱
回到顶部