电脑桌面
添加小米粒文库到电脑桌面
安装后可以在桌面快捷访问

建筑起重机械一体化专业分包合同VIP专享VIP免费

建筑起重机械一体化专业分包合同_第1页
1/4
建筑起重机械一体化专业分包合同_第2页
2/4
建筑起重机械一体化专业分包合同_第3页
3/4
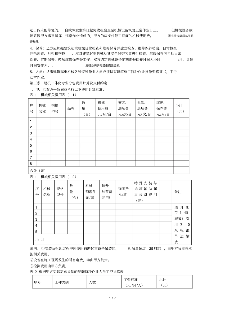
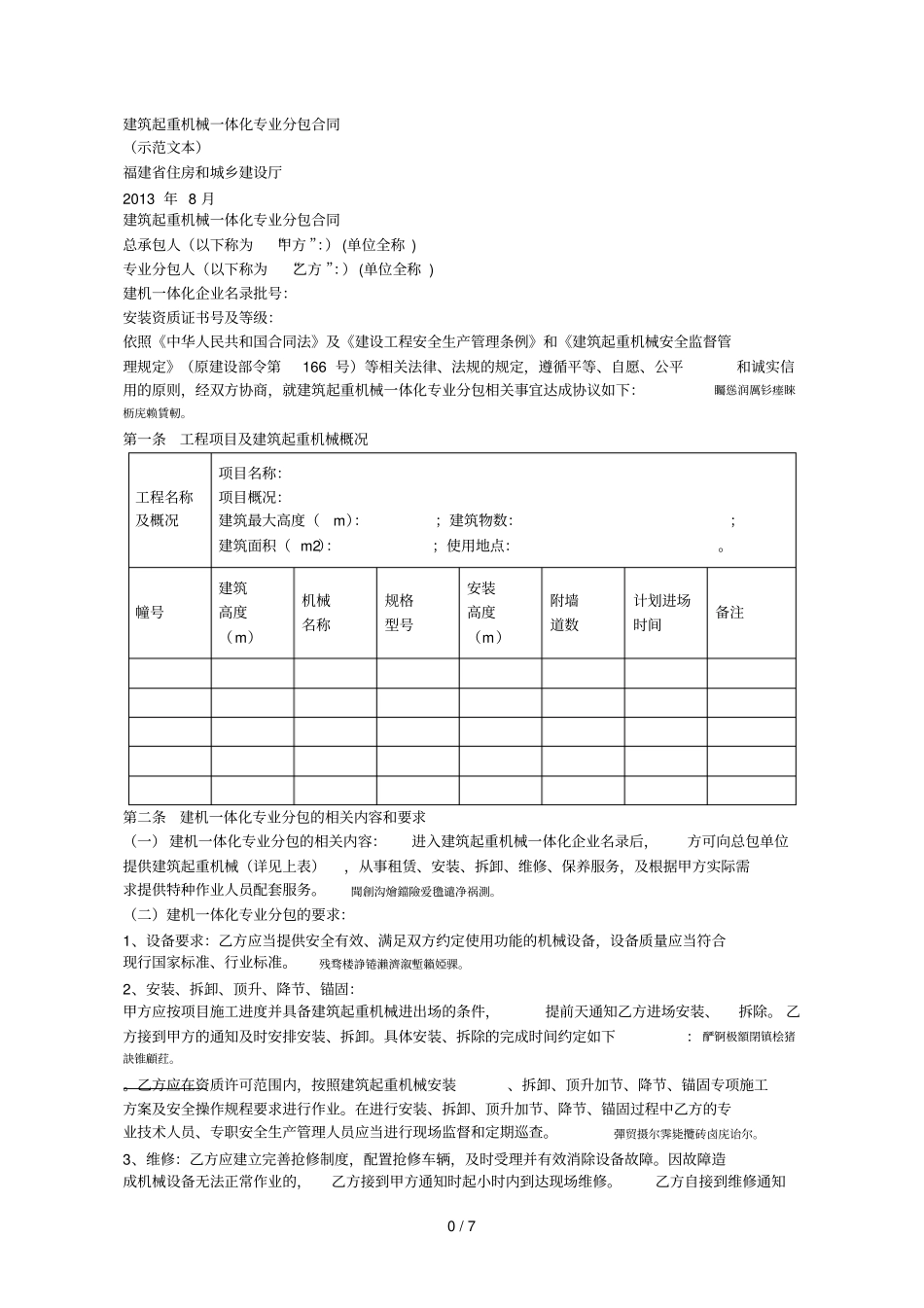
0/7建筑起重机械一体化专业分包合同(示范文本)福建省住房和城乡建设厅2013年8月建筑起重机械一体化专业分包合同总承包人(以下称为“甲方”:)(单位全称)专业分包人(以下称为“乙方”:)(单位全称)建机一体化企业名录批号:安装资质证书号及等级:依照《中华人民共和国合同法》及《建设工程安全生产管理条例》和《建筑起重机械安全监督管理规定》(原建设部令第166号)等相关法律、法规的规定,遵循平等、自愿、公平和诚实信用的原则,经双方协商,就建筑起重机械一体化专业分包相关事宜达成协议如下:矚慫润厲钐瘗睞枥庑赖賃軔。第一条工程项目及建筑起重机械概况工程名称及概况项目名称:项目概况:建筑最大高度(m):;建筑物数:;建筑面积(m2):;使用地点:。幢号建筑高度(m)机械名称规格型号安装高度(m)附墙道数计划进场时间备注第二条建机一体化专业分包的相关内容和要求(一)建机一体化专业分包的相关内容:进入建筑起重机械一体化企业名录后,方可向总包单位提供建筑起重机械(详见上表),从事租赁、安装、拆卸、维修、保养服务,及根据甲方实际需求提供特种作业人员配套服务。聞創沟燴鐺險爱氇谴净祸測。(二)建机一体化专业分包的要求:1、设备要求:乙方应当提供安全有效、满足双方约定使用功能的机械设备,设备质量应当符合现行国家标准、行业标准。残骛楼諍锩瀨濟溆塹籟婭骒。2、安装、拆卸、顶升、降节、锚固:甲方应按项目施工进度并具备建筑起重机械进出场的条件,提前天通知乙方进场安装、拆除。乙方接到甲方的通知及时安排安装、拆卸。具体安装、拆除的完成时间约定如下:酽锕极額閉镇桧猪訣锥顧荭。。乙方应在资质许可范围内,按照建筑起重机械安装、拆卸、顶升加节、降节、锚固专项施工方案及安全操作规程要求进行作业。在进行安装、拆卸、顶升加节、降节、锚固过程中乙方的专业技术人员、专职安全生产管理人员应当进行现场监督和定期巡查。彈贸摄尔霁毙攬砖卤庑诒尔。3、维修:乙方应建立完善抢修制度,配置抢修车辆,及时受理并有效消除设备故障。因故障造成机械设备无法正常作业的,乙方接到甲方通知时起小时内到达现场维修。乙方自接到维修通知1/7起日内未能修复的,自故障发生第日起免收租金直至机械设备恢复正常作业日止。但机械设备故障系因甲方违章指挥、违章作业造成的,甲方仍应支付停工期间的机械使用费。謀荞抟箧飆鐸怼类蒋薔點鉍。4、保养:乙方应加强建筑起重机械日常检查和维修保养并建立检查、维修保养档案。日常检查包括巡查、月检和季检,应对建筑起重机械及其安全保护装置进行检查;维修保养应包括日常保养、定期保养、转场维修保养等工作。双方约定机械设备定期维修保养时间为小时/月,具体时间安排为:。厦礴恳蹒骈時盡继價骚卺癩。5、人员:从事建筑起重机械各种特种作业人员必须持有建筑施工特种作业操作资格证书,不得违章作业。第三条建机一体化专业分包费用计算及支付约定1、甲、乙双方一致同意执行以下费用计算标准:表1机械相关费用表(1)序号机械名称规格型号品牌数量(台)机械使用费元/月/台安装、进场费元/次/台拆卸、退场费元/次/台维护、保养费元/月/台小计(元)12345678合计(元)表1机械相关费用表(2)序号机械名称规格型号数量(台)机械预埋件元/套顶升加节费元/节锚固费元/道特殊安装与拆卸辅助起重设备费用(元)备注1顶升加节(下降减节)费用含10米标准节运输费2345小计说明:①安装及拆卸过程中须使用辅助起重设备吊装的,起吊量超过25吨的,由甲方负责并承担相关费用。②设备在施工现场发生的所有电费,均由甲方负责。③检测费用由甲方负责。表2根据甲方实际需求提供的配套特种作业人员工资计算表序号工种类别人数工资标准(元/月/人)小计(元)2/712345小计说明:①按照谁用工谁负责的原则,机械设备的操作人员原则上由甲方自行配备及管理。若甲方无法配备可委托乙方协助招聘,但实际用工及管理仍由甲方负责。茕桢广鳓鯡选块网羈泪镀齐。②机械设备操作人员配置:塔机司机:名/台,塔机指挥名/台;施工升降机司机名/台。③机械设备操作人员由乙方协助招聘时,上述人员工资由乙方代收代支,...

1、当您付费下载文档后,您只拥有了使用权限,并不意味着购买了版权,文档只能用于自身使用,不得用于其他商业用途(如 [转卖]进行直接盈利或[编辑后售卖]进行间接盈利)。
2、本站所有内容均由合作方或网友上传,本站不对文档的完整性、权威性及其观点立场正确性做任何保证或承诺!文档内容仅供研究参考,付费前请自行鉴别。
3、如文档内容存在违规,或者侵犯商业秘密、侵犯著作权等,请点击“违规举报”。

碎片内容

建筑起重机械一体化专业分包合同

确认删除?
VIP
微信客服
  • 扫码咨询
会员Q群
  • 会员专属群点击这里加入QQ群
客服邮箱
回到顶部