电脑桌面
添加小米粒文库到电脑桌面
安装后可以在桌面快捷访问

建筑钢结构工程监造方案VIP免费

建筑钢结构工程监造方案_第1页
1/35
建筑钢结构工程监造方案_第2页
2/35
建筑钢结构工程监造方案_第3页
3/35
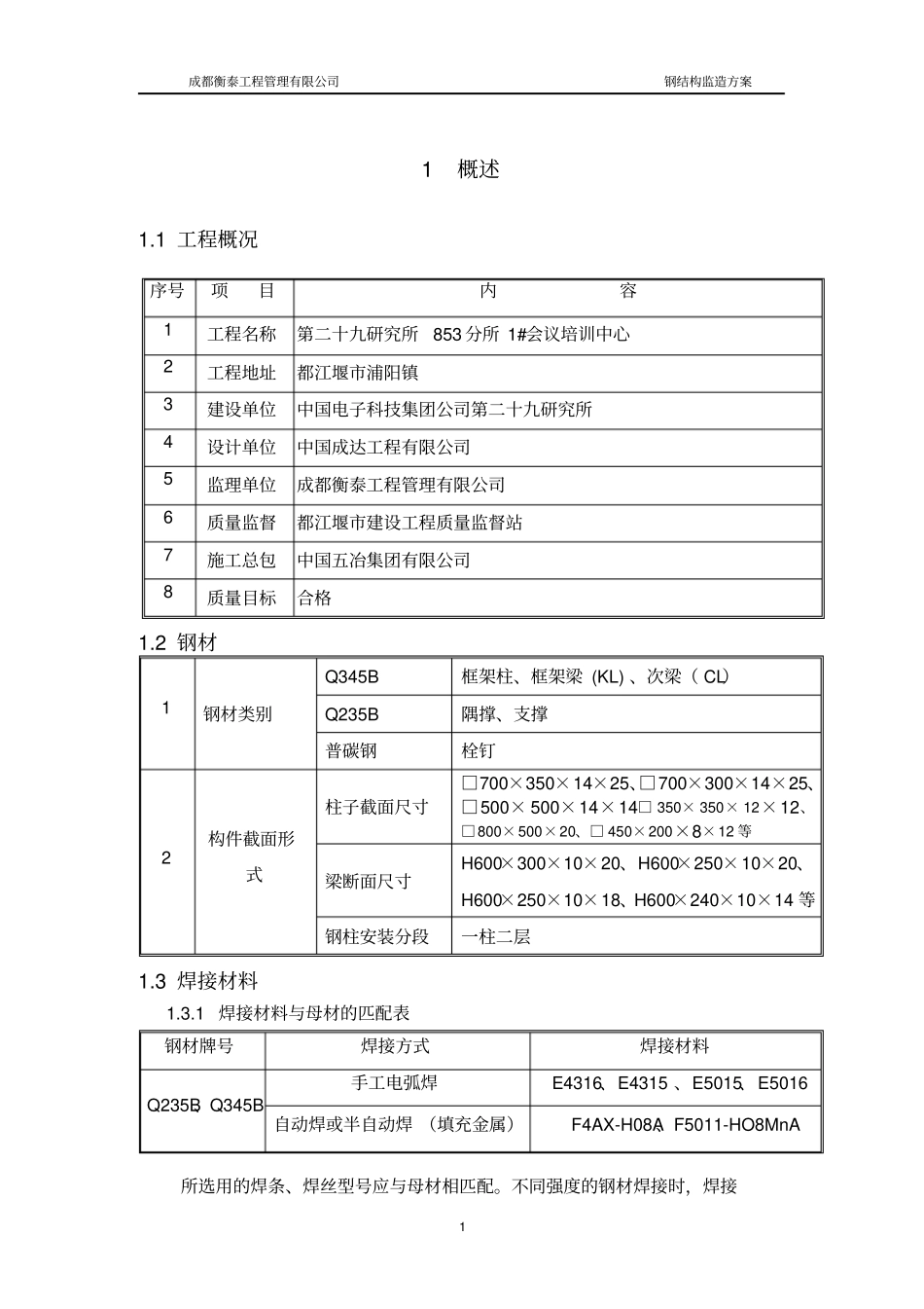
成都衡泰工程管理有限公司钢结构监造方案11概述1.1工程概况序号项目内容1工程名称第二十九研究所853分所1#会议培训中心2工程地址都江堰市浦阳镇3建设单位中国电子科技集团公司第二十九研究所4设计单位中国成达工程有限公司5监理单位成都衡泰工程管理有限公司6质量监督都江堰市建设工程质量监督站7施工总包中国五冶集团有限公司8质量目标合格1.2钢材1钢材类别Q345B框架柱、框架梁(KL)、次梁(CL)Q235B隅撑、支撑普碳钢栓钉2构件截面形式柱子截面尺寸□700×350×14×25、□700×300×14×25、□500×500×14×14□350×350×12×12、□800×500×20、□450×200×8×12等梁断面尺寸H600×300×10×20、H600×250×10×20、H600×250×10×18、H600×240×10×14等钢柱安装分段一柱二层1.3焊接材料1.3.1焊接材料与母材的匹配表钢材牌号焊接方式焊接材料Q235B、Q345B手工电弧焊E4316、E4315、E5015、E5016自动焊或半自动焊(填充金属)F4AX-H08A、F5011-HO8MnA所选用的焊条、焊丝型号应与母材相匹配。不同强度的钢材焊接时,焊接成都衡泰工程管理有限公司钢结构监造方案2材料的强度应按强度较低的母材选用。1.4制作质量目标分项工程合格率:100%;并满足单位工程达到成都结构“结构优质工程奖”。1.5制作工期目标按照安装结构工程配套进场满足现场结构吊装,确保2011年1月10日完成全部钢结构制作。2工作安排2.1驻厂准备2.1.1人员配备工厂派驻2名驻厂监造人员:质量监造:1名进度监造:1名2.1.2驻厂监造检查依据第二十九研究所853分所1#会议培训中心建筑-钢结构施工组织设计第二十九研究所853分所1#会议培训中心建筑-钢结构加工制作合同主要规范、规程及标准序号类别规范、规程及标准名称编号1国家钢结构设计规范GB50017-20032国家工程测量规范GB50026-933国家钢结构工程施工质量验收规范GB50205-20014国家碳钢焊条GB/T51175国家低合金钢焊条GB/T51186国家熔化焊用钢丝GB/T149577国家钢结构用扭剪型高强度螺栓连接副GB/T363~3633成都衡泰工程管理有限公司钢结构监造方案38国家电弧螺柱焊用圆柱头栓钉(GB/T10433)9国家焊缝符号表示法(GB324)10国家涂装前钢材表面锈蚀等级和除锈等级(GB8923)11国家热轧H型钢和剖分T型钢(GB/T11263)12国家低合金高强度结构钢(GB/T1591)13国家气体保护电弧焊用碳钢、低合金钢焊丝(GB/T8110)14国家碳钢药芯焊丝(GB/T10045)16国家钢焊缝手工超声波探伤方法和探伤结果分级(GB11345)17国家建设工程文件归档整理规范GB50328-200118行业建筑工程冬期施工规程GJG101-9719行业建筑机械使用安全技术规程JGJ33-200120行业建筑施工高空作业安全技术规范JGJ80-9121行业建筑现场临时用电安全技术规范JGJ46-8822行业建筑施工扣件式钢管脚手架安全技术规范JGJ130-200124行业高层建筑结构用钢板YB4104)26行业钢结构高强螺栓连接的设计、施工及验收规范JGJ82-9127行业建筑钢结构焊接规程JGJ81—200228行业型钢混凝土结构组合结构技术规范JGJ138-200129地方建筑安装工程分项工程施工工艺规程DBJ01-26-200330地方建筑工程资料管理规程DBJ01-51-200331地方成都市建筑工程施工安全操作规程DBJ01-62-200232国家建筑工程施工质量验收统一标准GB50300-200133国家钢结构工程质量检验评定标准GB50221-9535国家碳素结构钢GB13013-199136行业建筑施工安全检查评分标准JGJ59-9937地方建筑结构优质工程奖工程质量评定标准DBJ/T01-69-200338地方建筑结构优质工程奖工程质量评审标准T01-70-2003成都衡泰工程管理有限公司钢结构监造方案42.1.3驻厂时间在钢材进加工厂的前三天,驻厂监造人员要进入工厂。2.1.4工具钢尺、游标卡尺、放大镜、焊缝量规、角尺、量角器、照相机等。2.2职责①要及时汇报工厂的生产情况,实行日报制。②负责工厂与现场的信息沟通,需现场帮助和解决的事情要在第一时间完成(即当天的问题要当天汇报)。驻厂监理要随时到车间,检查正在加工或已经完工的构件质量,一旦发现严重的质量问题,有权通知工厂停止生产,待整改后再生产。③要检查生产所用计量工具的标定情况;审查构件加工工艺(或计划、加工要领书、工艺技术指导书)和技术管理文件的建立与实施;要检...

1、当您付费下载文档后,您只拥有了使用权限,并不意味着购买了版权,文档只能用于自身使用,不得用于其他商业用途(如 [转卖]进行直接盈利或[编辑后售卖]进行间接盈利)。
2、本站所有内容均由合作方或网友上传,本站不对文档的完整性、权威性及其观点立场正确性做任何保证或承诺!文档内容仅供研究参考,付费前请自行鉴别。
3、如文档内容存在违规,或者侵犯商业秘密、侵犯著作权等,请点击“违规举报”。

碎片内容

建筑钢结构工程监造方案

确认删除?
VIP
微信客服
  • 扫码咨询
会员Q群
  • 会员专属群点击这里加入QQ群
客服邮箱
回到顶部