电脑桌面
添加小米粒文库到电脑桌面
安装后可以在桌面快捷访问

录播教室装修方案VIP免费

录播教室装修方案_第1页
1/11
录播教室装修方案_第2页
2/11
录播教室装修方案_第3页
3/11
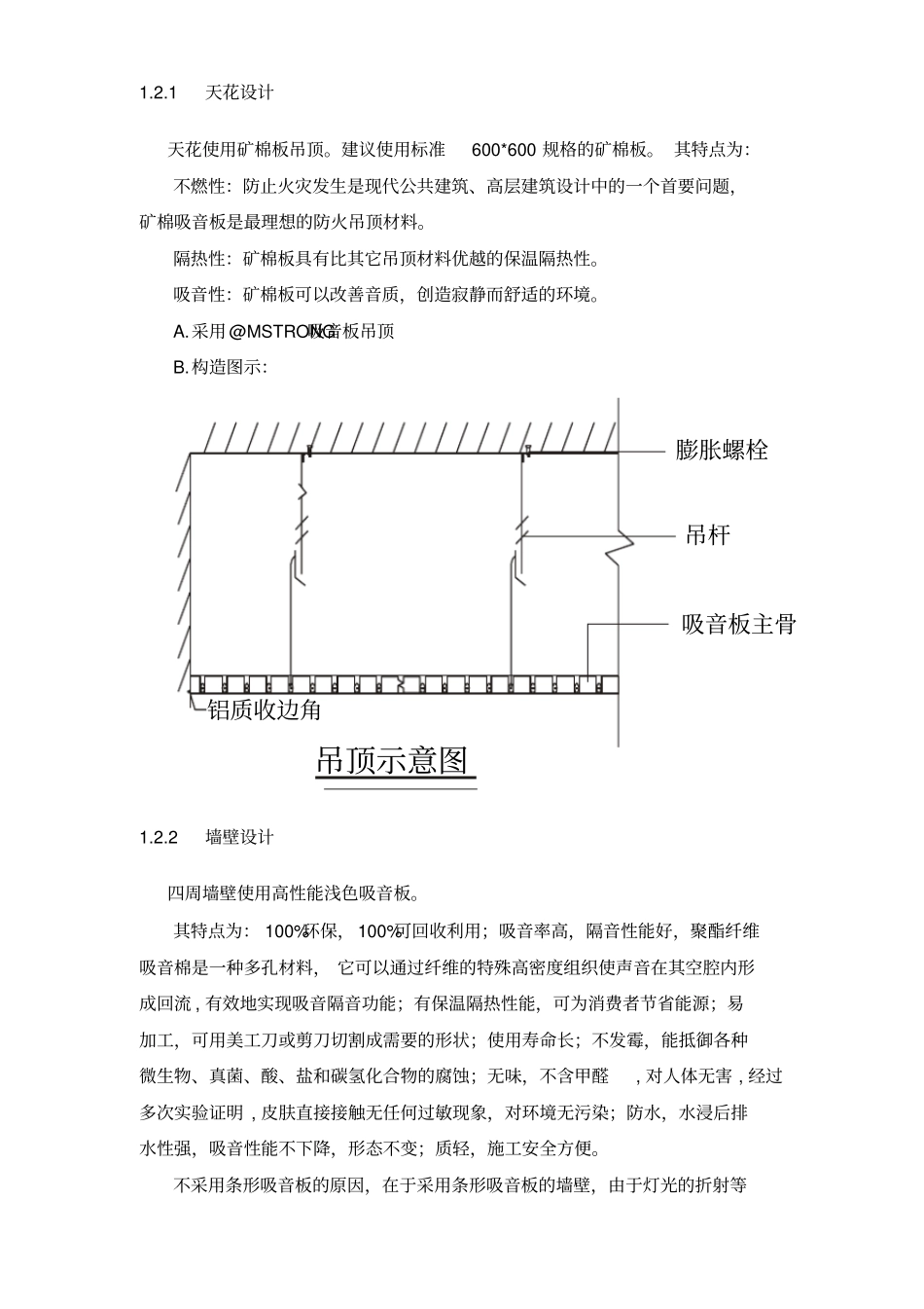
录播教室装修方案1.1概述安徽铱网科技有限责任公司结合多年的录播教学系统建设经验,不断完善录播系统的应用需求,只为了能够给用户提供一个优质的录播教学应用平台;而录播教学应用平台的建设包括了上述录播系统的建设以及录播教室的环境建设,优质的录播产品须配合良好的教学环境(教室),教室环境装修包括灯光系统和声响系统的设计,它们对摄象机、音视频采集等设备具有非常大的影响效果,从而最终决定了录播系统的音频、视频图像的质量;只要用户在这方面进行适量投资,就能很大程度的提高视音频质量。下面我司将把录播教室环境装修的设计提供装修方案要求:专业、标准、实用,环境装修必须以教室的实际环境进行设计、施工。1.2录播教室方案房间内的装饰应尽量简朴,墙壁颜色应尽量选用中性,非白色的色调,如浅灰、浅蓝等。另外避免在室内陈设镜子、悬挂艺术品、放置植物花卉等。否则这些与教学内容无关的背景信息会在摄像头转动或变焦时产生不必要的信息,造成图像编码质量的下降。尽量选取墙壁为浅色调,浅色墙壁的反光会有效提高人物面部的亮度,使得水平照明和垂直照明的接近,提高灰度级别,最终达到提高摄像质量的目的。尽量使用室内照明,以免室外和室内光线的色温不一致造成偏红或偏蓝色调;同时,灯管的选用需要显色性85%以上的灯管,这样可以更好的还原物体的颜色。1.2.1天花设计天花使用矿棉板吊顶。建议使用标准600*600规格的矿棉板。其特点为:不燃性:防止火灾发生是现代公共建筑、高层建筑设计中的一个首要问题,矿棉吸音板是最理想的防火吊顶材料。隔热性:矿棉板具有比其它吊顶材料优越的保温隔热性。吸音性:矿棉板可以改善音质,创造寂静而舒适的环境。A.采用@MSTRONG吸音板吊顶B.构造图示:膨胀螺栓吊杆吸音板主骨铝质收边角吊顶示意图1.2.2墙壁设计四周墙壁使用高性能浅色吸音板。其特点为:100%环保,100%可回收利用;吸音率高,隔音性能好,聚酯纤维吸音棉是一种多孔材料,它可以通过纤维的特殊高密度组织使声音在其空腔内形成回流,有效地实现吸音隔音功能;有保温隔热性能,可为消费者节省能源;易加工,可用美工刀或剪刀切割成需要的形状;使用寿命长;不发霉,能抵御各种微生物、真菌、酸、盐和碳氢化合物的腐蚀;无味,不含甲醛,对人体无害,经过多次实验证明,皮肤直接接触无任何过敏现象,对环境无污染;防水,水浸后排水性强,吸音性能不下降,形态不变;质轻,施工安全方便。不采用条形吸音板的原因,在于采用条形吸音板的墙壁,由于灯光的折射等光学效应会导致拍摄出来的视频图像的背景出现模糊条纹形状,最终影响了整个拍摄效果;对于录播教室室墙面的声学装饰如下图所示:以软包模块,硬包模块相间的方式加以声学处理,根据房间面积大、高度低的客观情况,模块的形状设计成竖状的条形,从视觉上使得墙面的形状更加协调、美观。1.2.3地面设计地面使用加厚吸间地毯。隔热性:加厚吸间地毯优越的保温隔热性。吸音性:加厚吸间地毯可以改善音质,创造寂静而舒适的环境。1.2.4顶带、踢脚线结构说明(1)为了美观,在墙面底部再做150mm踢脚线,表面为白钢压铸成型。(2)顶带踢脚线的材质为中性吸音材料,可以对混响时间产生良好的作用。顶带及踢脚线构造剖面示意图1.2.5声学隔声门(1)声学门里附吸声棉,吸声棉里外双层固定镀锌铁皮,增强声学门的隔声性和牢固性。(2)镀锌铁皮里外双层固定外包软皮革,除美观外,进一步增强声学门的隔声性。(3)声学门与门框的连接处,采用多级软质隔声材料进行全密封结构,有效的增强了声学门的隔声吸声性。1.2.6灯光设计在构建一个录播教室时,室内照明的亮度为多少才能使摄像机拍摄到足够清晰的画面?同时我们可以把普通录播教室可以认为是一种简易电视演播室,又因摄像机自有的灵敏度指标反映了摄像机对所拍摄物体的光照度的反应能力。摄像机镜头具有其镜头特性,在不同光圈值时画面会呈现出不同景深的成像效果。所以为能够拍摄到清晰的电视画面,普遍采用照明光管进行人工布光。录播教室的布光须根据教室空间大小和摄像机的灵敏度、镜头光圈值来决定录播教室对灯光的需求,一般人工布光以光管为主,光线...

1、当您付费下载文档后,您只拥有了使用权限,并不意味着购买了版权,文档只能用于自身使用,不得用于其他商业用途(如 [转卖]进行直接盈利或[编辑后售卖]进行间接盈利)。
2、本站所有内容均由合作方或网友上传,本站不对文档的完整性、权威性及其观点立场正确性做任何保证或承诺!文档内容仅供研究参考,付费前请自行鉴别。
3、如文档内容存在违规,或者侵犯商业秘密、侵犯著作权等,请点击“违规举报”。

碎片内容

录播教室装修方案

您可能关注的文档

确认删除?
VIP
微信客服
  • 扫码咨询
会员Q群
  • 会员专属群点击这里加入QQ群
客服邮箱
回到顶部