电脑桌面
添加小米粒文库到电脑桌面
安装后可以在桌面快捷访问

成本会计练习题2答案VIP专享VIP免费

成本会计练习题2答案_第1页
1/6
成本会计练习题2答案_第2页
2/6
成本会计练习题2答案_第3页
3/6
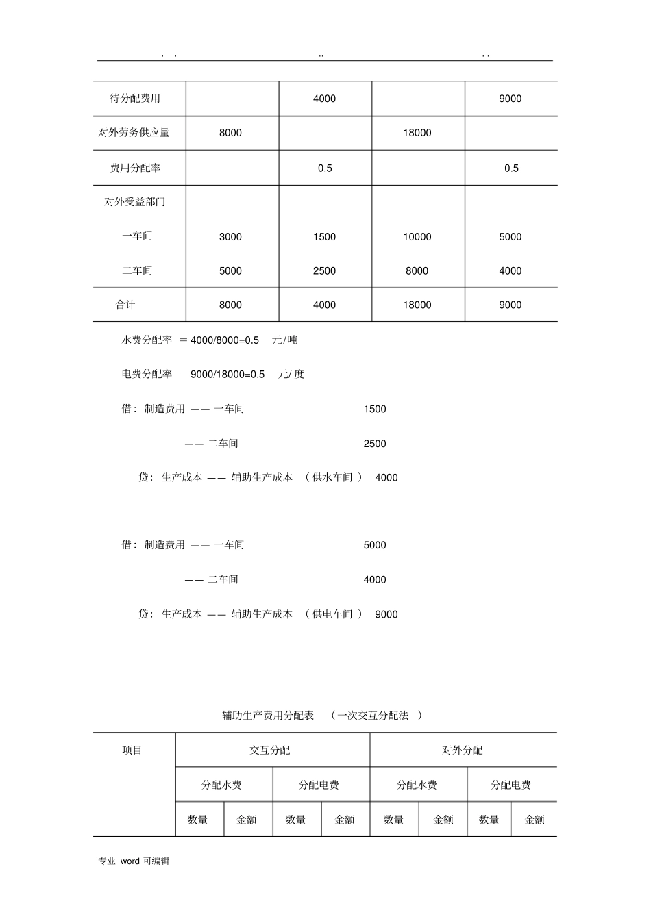
......专业word可编辑成本会计练习题二答案1.某企业有供水、供电两个辅助生产车间,本月提供的劳务量和发生的费用总额如下:(1)劳务供应量及各受益对象的耗用量如下表所示:车间计量单位各受益单位的耗用量供水车间供电车间一车间二车间合计供水供电吨度—20002000—300010000500080001000020000(2)各辅助生产车间的辅助生产费用总额为:供水车间4000元,供电车间9000元。(3)假定供水车间每吨水的计划单位成本为0.3元,供电车间每度电的计划单位成本为0.5元。(4)该企业不单独设置“燃料与动力”成本项目。要求:(1)采用直接分配法分配辅助生产费用;(2)采用一次交互分配法分配辅助生产费用;(3)采用计划成本分配法分配辅助生产费用;(4)采用代数分配法分配辅助生产费用。辅助生产费用分配表(直接分配法)项目分配水费分配电费数量(吨)金额数量(度)金额......专业word可编辑待分配费用40009000对外劳务供应量800018000费用分配率0.50.5对外受益部门一车间二车间300050001500250010000800050004000合计80004000180009000水费分配率=4000/8000=0.5元/吨电费分配率=9000/18000=0.5元/度借:制造费用——一车间1500——二车间2500贷:生产成本——辅助生产成本(供水车间)4000借:制造费用——一车间5000——二车间4000贷:生产成本——辅助生产成本(供电车间)9000辅助生产费用分配表(一次交互分配法)项目交互分配对外分配分配水费分配电费分配水费分配电费数量金额数量金额数量金额数量金额......专业word可编辑待分配费用4000900041008900劳务供应总量100002000080000.5125180000.4944费用分配率0.40.45受益部门供水车间—2000900供电车间2000800一车间30001537.5100004944二车间50002562.580003956合计41008900交互分配:水费分配率=4000/10000=0.4元/吨电费分配率=9000/20000=0.45元/度借:生产成本——辅助生产成本(供水车间)900(供电车间)800贷:生产成本——辅助生产成本(供水车间)800(供电车间)900对外分配:供水车间对外分配总成本=4000+2000×0.45-2000×0.4=4100供电车间对外分配总成本=9000+2000×0.4-2000×0.45=8900水费分配率=4100/8000=0.5125元/吨电费分配率=8900/18000=0.4944元/度借:制造费用——一车间1537.5(3000*0.5125)......专业word可编辑——二车间2562.5(4100-1537.5)贷:生产成本——辅助生产成本(供水车间)4100借:制造费用——一车间4944(10000*0.4944)——二车间3956(8900-4944)贷:生产成本——辅助生产成本(供电车间)8900辅助生产费用分配表(代数分配法)项目分配水费分配电费数量(吨)金额数量(度)金额待分配费用40009000劳务供应总量1000020000费用分配率0.50.5受益部门供水车间—20001000供电车间20001000—一车间30001500100005000二车间5000250080004000合计500010000设水费单位成本为X,电费单位成本为Y4000+2000Y=10000X......专业word可编辑9000+2000X=20000YX=0.5元/吨Y=0.5元/度借:制造费用——一车间6500(水费1500+电费5000)——二车间6500(水费2500+电费4000)生产成本——辅助生产成本(供水车间)1000(供电车间)1000贷:生产成本——辅助生产成本(供水车间)5000(供电车间)10000辅助生产费用分配表(计划成本分配法)项目按计划成本分配成本差异分配水费分配电费水费电费数量金额数量金额待分配费用400090002000-400劳务供应总量1000020000计划单位成本0.30.5受益部门供水车间20001000供电车间2000600......专业word可编辑一车间3000900100005000二车间5000150080004000合计10000300010000按计划成本分配:借:制造费用——一车间900(3000*0.3)——二车间1500(5000*0.3)生产成本——辅助生产成本(供电车间)600(2000*0.3)贷:生产成本——辅助生产成本(供水车间)3000借:制造费用——一车间5000(10000*0.5)——二车间4000(8000*0.5)生产成本——辅助生产成本(供水车间)1000(2000*0.5)贷:生产成本——辅助生产成本(供电车间)10000供水车间成本差异=4000+0.5×2000-10000×0.3=2000供电车间成本差异=9000+0.3×2000-20000×0.5=-400借:管理费用1600贷:生产成本——辅助生产成本(供水车间)2000(供电车间)400

1、当您付费下载文档后,您只拥有了使用权限,并不意味着购买了版权,文档只能用于自身使用,不得用于其他商业用途(如 [转卖]进行直接盈利或[编辑后售卖]进行间接盈利)。
2、本站所有内容均由合作方或网友上传,本站不对文档的完整性、权威性及其观点立场正确性做任何保证或承诺!文档内容仅供研究参考,付费前请自行鉴别。
3、如文档内容存在违规,或者侵犯商业秘密、侵犯著作权等,请点击“违规举报”。

碎片内容

成本会计练习题2答案

确认删除?
VIP
微信客服
  • 扫码咨询
会员Q群
  • 会员专属群点击这里加入QQ群
客服邮箱
回到顶部