电脑桌面
添加小米粒文库到电脑桌面
安装后可以在桌面快捷访问

房屋抗震鉴定报告VIP免费

房屋抗震鉴定报告_第1页
1/18
房屋抗震鉴定报告_第2页
2/18
房屋抗震鉴定报告_第3页
3/18
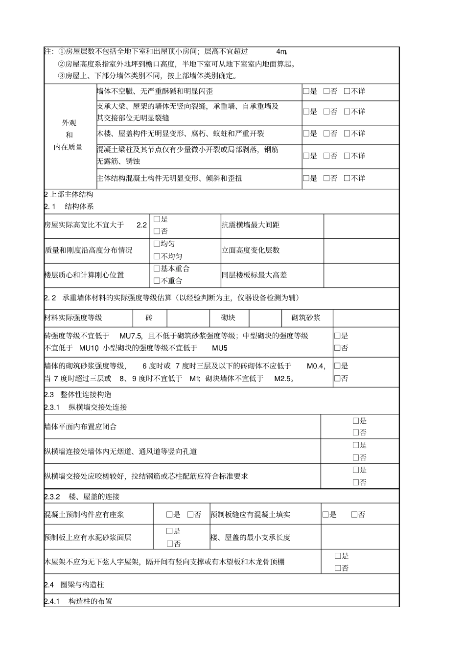
抗震安全鉴定报告(长沙)市(开福)市/县/区第037()--(-)号工程名称:学校楼幢号委托单位:鉴定单位(盖章):湖南城市学院土木工程检测中心鉴定人:鉴定负责人:年月日山东省校舍安全工程领导小组办公室制表1山东省中小学校校舍抗震安全鉴定基本情况表工程名称产权单位工程地址建筑面积结构类型□砖混(砌体)□框架□内框或底框□钢结构□砖石木□土木□其他设计图纸□有□无建筑总高层数建筑原设防分类□甲□乙□丙建筑现设防分类□甲□乙□丙基础形式□浅基础□深基础□其他基础形式□无基础平面形式楼板形式□预制板□现浇板□木制□其他供暖方式□集中供热□采暖锅炉□地热□火炉□热风□空调□其他形式□无采暖建设单位设计单位施工单位图纸审查单位监理单位勘察单位建造时设防烈度□6□7□8□9□无设防现设防烈度□6□7□8□9□无设防历史改造情况建造时间改造时间改造资料□完整□不全□无改造内容□增层□结构拆改□改变功能□其他其他情况说明:鉴定标准:统一按GB50292-1999进行安全评定;按GB50023-2009和GB50011-2001(2008)进行抗震鉴定。表2砖混(砌体)结构房屋抗震安全鉴定表工程名称:产权单位:1一般规定房屋高度是否超限□是□否墙体厚度房屋层数是否超限□是□否墙体(材料)类别注:①房屋层数不包括全地下室和出屋顶小房间;层高不宜超过4m。②房屋高度系指室外地坪到檐口高度,半地下室可从地下室室内地面算起。③房屋上、下部分墙体类别不同,按上部墙体类别确定。外观和内在质量墙体不空臌、无严重酥碱和明显闪歪□是□否□不详支承大梁、屋架的墙体无竖向裂缝,承重墙、自承重墙及其交接部位无明显裂缝□是□否□不详木楼、屋盖构件无明显变形、腐朽、蚁蛀和严重开裂□是□否□不详混凝土梁柱及其节点仅有少量微小开裂或局部剥落,钢筋无露筋、锈蚀□是□否□不详主体结构混凝土构件无明显变形、倾斜和歪扭□是□否□不详2上部主体结构2.1结构体系房屋实际高宽比不宜大于2.2□是□否抗震横墙最大间距质量和刚度沿高度分布情况□均匀□不均匀立面高度变化层数楼层质心和计算刚心位置□基本重合□不重合同层楼板标最大高差2.2承重墙体材料的实际强度等级估算(以经验判断为主,仪器设备检测为辅)材料实际强度等级砖砌块砌筑砂浆砖强度等级不宜低于MU7.5,且不低于砌筑砂浆强度等级;中型砌块的强度等级不宜低于MU10,小型砌块的强度等级不宜低于MU5。□是□否墙体的砌筑砂浆强度等级,6度时或7度时三层及以下的砖砌体不应低于M0.4,当7度时超过三层或8、9度时不宜低于M1;砌块墙体不宜低于M2.5。□是□否2.3整体性连接构造2.3.1纵横墙交接处连接墙体平面内布置应闭合□是□否纵横墙连接处墙体内无烟道、通风道等竖向孔道□是□否纵横墙交接处应咬槎较好,拉结钢筋或芯柱配筋应符合标准要求□是□否2.3.2楼、屋盖的连接混凝土预制构件应有座浆□是□否预制板缝应有混凝土填实□是□否预制板上应有水泥砂浆面层□是□否楼、屋盖的最小支承长度木屋架不应为无下弦人字屋架,隔开间有竖向支撑或有木望板和木龙骨顶棚□是□否2.4圈梁与构造柱2.4.1构造柱的布置房屋层数构造柱设置部位□6度□7度□8度□9度四、五三、四二、三□7、8度时楼电梯间的四角六~八五、六四二□隔开间横墙(轴线)与外墙交接处□山墙与内纵墙交接处□7~9度时,楼及电梯间的四角七五、六三、四□内墙(轴线)与外墙交接处,内墙的局部较小墙垛处□7~9度时,楼、电梯间的四角□9度时内纵墙与横墙(轴线)交接处各烈度均适用□外墙四角□大房间内外墙交接处□较大洞口两侧□大房间内外墙交接处□错层部位横墙与外纵墙交接处2.4.2圈梁的布置和构造现浇和装配整体式钢筋混凝土楼、屋盖□有圈梁□无圈梁装配式混凝土楼、屋盖(或木屋盖)砖房布置位置□屋盖□二层□三层□四层□五层□六层□七层配筋量截面高度mm纵横墙最大圈梁水平间距装配式混凝土楼、屋盖的砌块房屋每层均应有圈梁□是□否截面高度mm内墙上圈梁的水平间距砖拱楼、屋盖房屋每层所有内外墙均应有圈梁□是□否圈梁承受砖拱楼、屋盖的推力时,配筋量不应少于4ф12□是□否其他屋盖处的圈梁应现浇□是□否楼盖处可为钢筋砖圈...

1、当您付费下载文档后,您只拥有了使用权限,并不意味着购买了版权,文档只能用于自身使用,不得用于其他商业用途(如 [转卖]进行直接盈利或[编辑后售卖]进行间接盈利)。
2、本站所有内容均由合作方或网友上传,本站不对文档的完整性、权威性及其观点立场正确性做任何保证或承诺!文档内容仅供研究参考,付费前请自行鉴别。
3、如文档内容存在违规,或者侵犯商业秘密、侵犯著作权等,请点击“违规举报”。

碎片内容

房屋抗震鉴定报告

爱的疯狂+ 关注
实名认证
内容提供者

该用户很懒,什么也没介绍

确认删除?
VIP
微信客服
  • 扫码咨询
会员Q群
  • 会员专属群点击这里加入QQ群
客服邮箱
回到顶部