电脑桌面
添加小米粒文库到电脑桌面
安装后可以在桌面快捷访问

船舶电气设备安装工艺VIP免费

船舶电气设备安装工艺_第1页
1/10
船舶电气设备安装工艺_第2页
2/10
船舶电气设备安装工艺_第3页
3/10
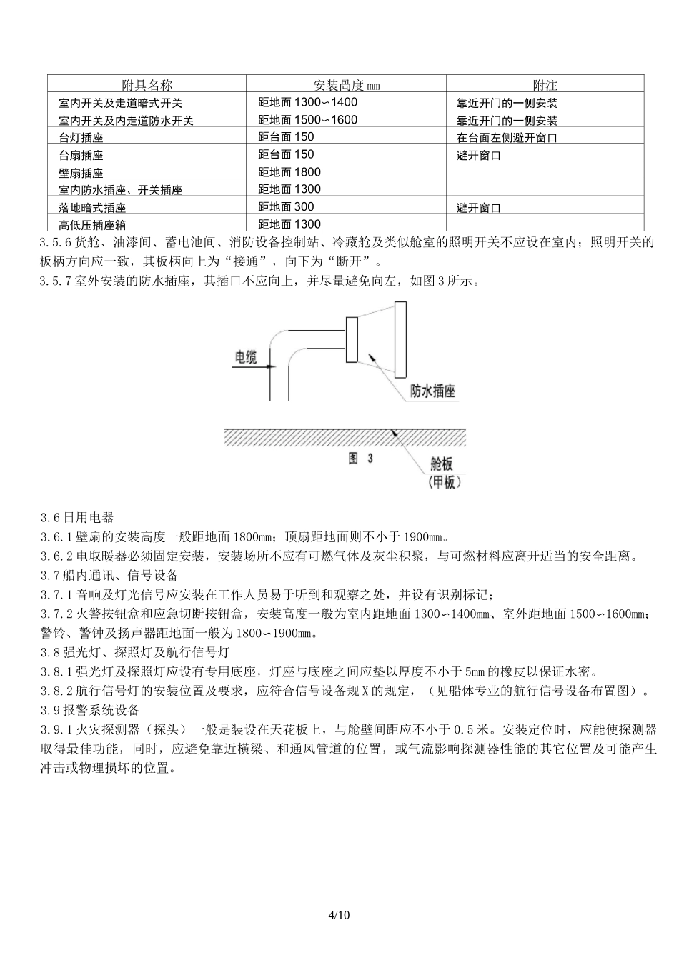
2/10编写说明本工艺根据技术设计图纸及CCS船级社国内航行钢质海船建造规X、海事局船舶与海上设施法定检验规则的要求编写;本工艺执行的行业标准为《船舶电气设备安装工艺》(CB/T3909-1999)。1、本船电气特点本船为适航于近海航行的成品油船,交流电站总容量525KW,单发电机最大功率150KW,配套电缆芯线截面积大,外径粗,在电气设备安装时,设备定位、进线、接线,主干电缆至分支电缆、终端设备的安装工艺要综合考虑,既要保证电缆保护的连续性又要方便设备的进线和接线。2、设备安装的基本工艺要求2.1电气设备的安装,应考虑安全及便于使用和维修。安装场所应有足够的照明,并通风良好。2.2电气设备的安装,不应破坏船上舱壁或甲板原有的防护性能及强度。在水密的舱壁、甲板、甲板室的外围板上,不得钻孔以螺栓或螺钉紧固电气设备。2.3电气设备不应直接安装在船壳板上。2.4在易燃、易爆的舱室,如蓄电池室、油漆间等处所,除该处必须的防爆设备外(如防爆灯),不应安装其它电气设备。(蓄电池室防爆级最低为EXdllCTl,油漆间为EXdIIBT3,油灯间为EXdIIAT3)2.5在蒸汽易于积聚的地方,除该处必须的防水设备外,不应安装其它电气设备。2.6安装在有油水浸蚀或易受到机械损伤场所的设备,其防护型式(性能)应与安装场所相适应,露天安装的设备一般应有防护罩。2.7舱室的封闭板内,一般不应安装电气设备,但线路的分支接线盒(箱)可安装在便于开启的封闭板内,并应有明显的开启标志。2.8电气设备不应贴近油舱、油柜或双层底、储油舱等外壁表面安装。若必须安装时,则设备与此类舱壁表面之间,至少应有50mm的距离。但工作时能产生高温的电气设备(如各类电阻器),禁止安装。2.9安装场所如有剧烈震动,对设备足以影响正常、可靠工作时,设备的安装应设有减震装置,如机舱等处所。2.10工作时能产生高温的电气设备,如电阻、电热器具等应尽量远离木质隔离板等易燃物体,必要时中间应用绝热材料隔开。温度超过80度时应加防护罩或布置上予以适当安排,以防工作人员偶尔触及而灼伤。2.11开启式电气设备,应安装在专用舱室内,否则带电部分应加装防护网罩,以防偶然触及。2.12除工作时电压不超过50V(对交流此项为方均根值,且不得使用自耦变压器取得此项电压),且对无线电收讯机不产生干扰的设备及具有双重绝缘的设备外,其它电气设备的金属外壳,均应可靠接地。3、设备安装的附加要求3.1配电板(主配电板及应急配电板)3.1.1配电板应安装在甲板上的底座上,引入电缆的电缆框应不影响舱室的防火或水密性能,接线完毕应以填料封闭。前、后应有足够的通道、前通道宽应不小于0.8m。后通道宽应不小于0.6m。左、右两侧均设有通道。配电板的上方和后面,不应装有水,油及蒸汽管,如不可避免时,则应采取有效的防护措施,且接口不应在配电板的上方和后面。另外,主配电板前、后地板上,应铺有防滑和耐油的绝缘地毯(橡皮)或经绝缘处理的木格栅。3.2电动机3.2.1发电机在安装时(一般是以机组形式由轮机人员安装),其转轴应与船舶首尾线平行,其它卧式电动机的转轴也应尽量平行于船舶首尾线,立式电动机的转轴应与船舶水线平面垂直;电机安装的部位应留有足够的空间,以便拆装、检查、和维修;电机联轴器等传动部位必须装有可拆的护罩。3/103.3蓄电池3.3.1蓄电池应安装在专用舱室的座架托盘或箱(柜)内。托盘应是用耐酸碱腐蚀的材料做成。上、下层蓄电池之间间距不应小于300mm。每只蓄电池四周应有不小于20mm的空隙。且蓄电池之间的空隙,应用不吸潮,耐电解腐蚀的绝缘材料(如硬塑料板)楔隔、衬垫和固定。底部用青铅或其它耐腐蚀材料制作的衬垫作保护。3.3.2蓄电池的一般安装高度为电池液孔塞至甲板的距离不应大于1.4m。否则应加装相应台座。3.3.3放置蓄电池的处所应有独立通风装置,其出风口设在上方,进风口设在下方,进出风口一般设在同一对角线的两端,蓄电池门和箱柜外面应有“禁止烟火”的标志;酸性和碱性蓄电池不准安装在同一处所。3.3.4蓄电池接线结束后,所有接线柱处应用凡士林等油脂涂封。3.4控制设备及分配电设备3.4.1壁式安装的起动箱、分配电箱的安装高度:箱体上沿离甲板或花钢...

1、当您付费下载文档后,您只拥有了使用权限,并不意味着购买了版权,文档只能用于自身使用,不得用于其他商业用途(如 [转卖]进行直接盈利或[编辑后售卖]进行间接盈利)。
2、本站所有内容均由合作方或网友上传,本站不对文档的完整性、权威性及其观点立场正确性做任何保证或承诺!文档内容仅供研究参考,付费前请自行鉴别。
3、如文档内容存在违规,或者侵犯商业秘密、侵犯著作权等,请点击“违规举报”。

碎片内容

船舶电气设备安装工艺

您可能关注的文档

确认删除?
VIP
微信客服
  • 扫码咨询
会员Q群
  • 会员专属群点击这里加入QQ群
客服邮箱
回到顶部