电脑桌面
添加小米粒文库到电脑桌面
安装后可以在桌面快捷访问

技术交底沉降观测沉降板安装交底VIP免费

技术交底沉降观测沉降板安装交底_第1页
1/1
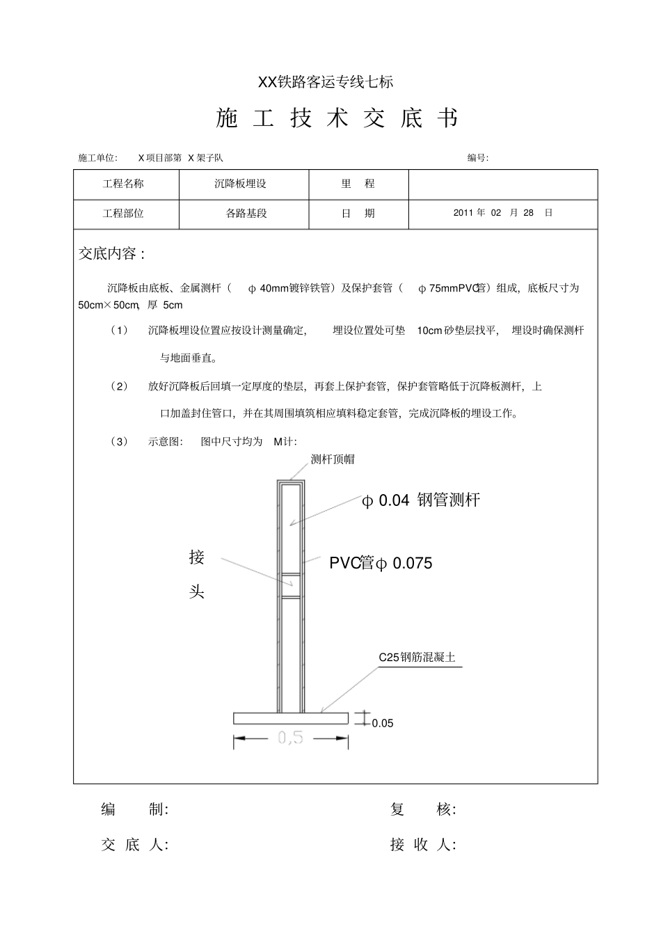
XX铁路客运专线七标施工技术交底书施工单位:X项目部第X架子队编号:工程名称沉降板埋设里程工程部位各路基段日期2011年02月28日交底内容:沉降板由底板、金属测杆(φ40mm镀锌铁管)及保护套管(φ75mmPVC管)组成,底板尺寸为50cm×50cm,厚5cm(1)沉降板埋设位置应按设计测量确定,埋设位置处可垫10cm砂垫层找平,埋设时确保测杆与地面垂直。(2)放好沉降板后回填一定厚度的垫层,再套上保护套管,保护套管略低于沉降板测杆,上口加盖封住管口,并在其周围填筑相应填料稳定套管,完成沉降板的埋设工作。(3)示意图:图中尺寸均为M计:编制:复核:交底人:接收人:0.05接头PVC管φ0.075φ0.04钢管测杆测杆顶帽C25钢筋混凝土

1、当您付费下载文档后,您只拥有了使用权限,并不意味着购买了版权,文档只能用于自身使用,不得用于其他商业用途(如 [转卖]进行直接盈利或[编辑后售卖]进行间接盈利)。
2、本站所有内容均由合作方或网友上传,本站不对文档的完整性、权威性及其观点立场正确性做任何保证或承诺!文档内容仅供研究参考,付费前请自行鉴别。
3、如文档内容存在违规,或者侵犯商业秘密、侵犯著作权等,请点击“违规举报”。

碎片内容

技术交底沉降观测沉降板安装交底

确认删除?
VIP
微信客服
  • 扫码咨询
会员Q群
  • 会员专属群点击这里加入QQ群
客服邮箱
回到顶部