电脑桌面
添加小米粒文库到电脑桌面
安装后可以在桌面快捷访问

投标产品技术参数表VIP免费

投标产品技术参数表_第1页
1/6
投标产品技术参数表_第2页
2/6
投标产品技术参数表_第3页
3/6
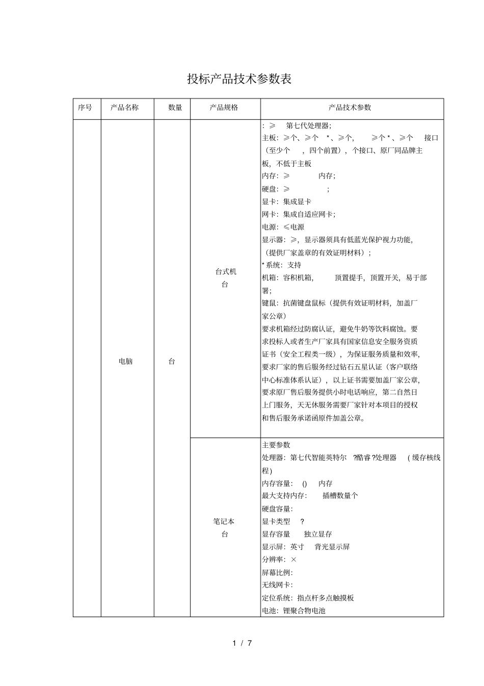
1/7投标产品技术参数表序号产品名称数量产品规格产品技术参数电脑台台式机台:≥第七代处理器;主板:≥个、≥个*、≥个,≥个*、≥个接口(至少个,四个前置),个接口、原厂同品牌主板,不低于主板内存:≥内存;硬盘:≥;显卡:集成显卡网卡:集成自适应网卡;电源:≤电源显示器:≥,显示器须具有低蓝光保护视力功能,(提供厂家盖章的有效证明材料);*系统:支持机箱:容积机箱,顶置提手,顶置开关,易于部署;键鼠:抗菌键盘鼠标(提供有效证明材料,加盖厂家公章)要求机箱经过防腐认证,避免牛奶等饮料腐蚀。要求投标人或者生产厂家具有国家信息安全服务资质证书(安全工程类一级),为保证服务质量和效率,要求厂家的售后服务经过钻石五星认证(客户联络中心标准体系认证),以上证书需要加盖厂家公章,要求原厂售后服务提供小时电话响应,第二自然日上门服务,天无休服务需要厂家针对本项目的授权和售后服务承诺函原件加盖公章。笔记本台主要参数处理器:第七代智能英特尔?酷睿?处理器(缓存核线程)内存容量:()内存最大支持内存:插槽数量个硬盘容量:显卡类型?显存容量独立显存显示屏:英寸背光显示屏分辨率:×屏幕比例:无线网卡:定位系统:指点杆多点触摸板电池:锂聚合物电池2/7摄像头:摄像头蓝牙:端口:,*,*,*,麦克风耳机组合接口*外壳材质面:金属塑料整机约重:千克(包括电池):机身尺寸(不含电池)约为单位:毫M:**:家庭学生版操作系统预装(位家庭普通版)光驱类型无内置光驱打印机黑白激光:打印机产品类型:黑白激光打印机产品定位:个人办公商用高效最大打印幅面:最高分辨率:分辨率×,有效输出质量黑白打印速度::,:处理器:内存:标配:,最大:双面打印:手动网络功能:不支持网络打印打印方式:激光打印首页打印时间:秒月打印负荷:页接口类型:耗材耗材类型:鼓粉一体硒鼓寿命:页介质类型:纸张(激光打印纸,普通纸,相纸),信封,标签,卡片,投影胶片,明信片介质尺寸:,,,,,,明信片主纸盒:××,输入插槽:××介质重量:㎡主进纸盘容量:张克平方M重的普通纸出纸槽容量:张克平方M重的普通纸产品尺寸:××产品重量(含硒鼓):电源电压:(±),(±),(±),(±),噪声水平:声能:打印中:();旁观者位置:()电源功率:活动:,待机:,睡眠:环境参数:工作温度:℃,工作湿度:打印复印一体机黑白激光:打印复印一体机机产品定位:多功能商用一体机产品类型:黑白激光多功能一体机涵盖功能:打印复印扫描最大处理幅面:3/7耗材类型:鼓粉一体预热时间:秒预热网络功能:不支持网络打印黑白打印速度:打印分辨率:×首页打印时间:秒复印速度:复印分辨率:×连续复印:页缩放范围:扫描类型:平板式扫描元件:光学分辨率:×最大分辨率:×扫描尺寸:×色彩深度:位介质类型:普通纸,激光打印纸,信封,投影胶片,标签,卡片,明信片介质尺寸:,,,,,,明信片,自定义:××供纸盒容量:标配:页,优先进纸插槽:页输出容量:页显示屏:字符液晶显示屏处理器:内存:系统平台:,和更高版本电源电压:(±),(±),耗电量:打印:,待机睡眠:产品尺寸:××工作噪音:()针式打印机票据针式打印机(平推式)产品类型:票据针式打印机(平推式)打印方式:点阵击打式打印方向:双向逻辑查找打印宽度:列(在下)打印针数:针可靠性:打印头寿命:亿次针复写能力:份(份原件份拷贝)缓冲区:接口类型:(全速)接口,双向并口打印速度:中文():超高速字符秒,高速字符秒,信函质量字符秒中文():超高速字符秒,高速字符秒,信函质量字符秒英文():超高速字符秒,高速字符秒,信函质量字符秒4/7英文():超高速字符秒,高速字符秒,信函质量字符秒打印分辨率:字体:位图字体:宋体×,黑体×,,,,可缩放字体:种条码字体:种打印总量:万行出纸方式:摩擦进纸(前部进纸),拖纸器进纸(后部进纸)介质类型:单页纸,单页拷贝纸,连续纸(单页纸和多页纸),信封,明信片,带标签的连续纸介质宽度:单页纸:,连续纸:介质厚度:平均无故障时间:小时产品尺寸:××产品重量:约工作噪音:模...

1、当您付费下载文档后,您只拥有了使用权限,并不意味着购买了版权,文档只能用于自身使用,不得用于其他商业用途(如 [转卖]进行直接盈利或[编辑后售卖]进行间接盈利)。
2、本站所有内容均由合作方或网友上传,本站不对文档的完整性、权威性及其观点立场正确性做任何保证或承诺!文档内容仅供研究参考,付费前请自行鉴别。
3、如文档内容存在违规,或者侵犯商业秘密、侵犯著作权等,请点击“违规举报”。

碎片内容

投标产品技术参数表

您可能关注的文档

爱的疯狂+ 关注
实名认证
内容提供者

该用户很懒,什么也没介绍

确认删除?
VIP
微信客服
  • 扫码咨询
会员Q群
  • 会员专属群点击这里加入QQ群
客服邮箱
回到顶部