电脑桌面
添加小米粒文库到电脑桌面
安装后可以在桌面快捷访问

接发列车作业程序标准VIP免费

接发列车作业程序标准_第1页
1/33
接发列车作业程序标准_第2页
2/33
接发列车作业程序标准_第3页
3/33
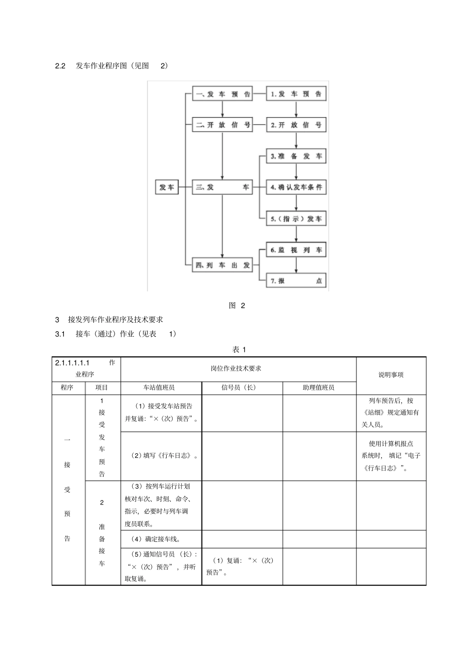
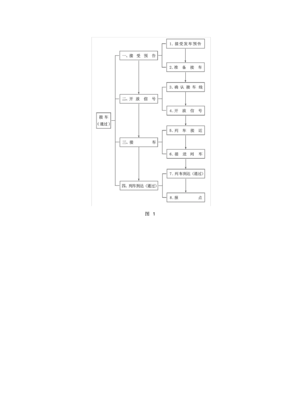
第1部分:双线自动闭塞集中联锁(设信号员)1范围TB/T1500的本部分规定了双线自动闭塞集中联锁设备车站的接发列车作业程序、岗位作业技术要求。本部分适用于双线自动闭塞集中联锁设备设信号员的车站。2接发列车作业程序图2.1接车(通过)作业程序图(见图1)图12.2发车作业程序图(见图2)图23接发列车作业程序及技术要求3.1接车(通过)作业(见表1)表12.1.1.1.1.1作业程序岗位作业技术要求说明事项程序项目车站值班员信号员(长)助理值班员一接受预告1接受发车预告(1)接受发车站预告并复诵:“×(次)预告”。列车预告后,按《站细》规定通知有关人员。(2)填写《行车日志》。使用计算机报点系统时,填记“电子《行车日志》”。2准备接车(3)按列车运行计划核对车次、时刻、命令、指示,必要时与列车调度员联系。(4)确定接车线。(5)通知信号员(长):“×(次)预告”,并听取复诵。(1)复诵:“×(次)预告”。表1(续)2.1.1.1.1.2作业程序岗位作业技术要求说明事项程序项目车站值班员信号员(长)助理值班员二开放信号3确认接车线(6)复诵发车站开车通知:“×(次)、(×点)×(分)开(通过)”。(7)填写《行车日志》。使用计算机报点系统时,填记“电子《行车日志》”。(8)通知信号员(长)、助理值班员:“×(次)开过来(了),×道停车(通过或到开)”,并听取复诵。(2)复诵:“×(次)开过来(了),×道停车(通过或到开)”,并填写占线板(簿)。(1)复诵:“×(次)开过来(了),×道停车(通过或到开)”,并填写占线板(簿)。(9)按《站细》规定通知有关人员。(10)确认接车线路空闲。(11)通知信号员(长):“停止影响进路的调车作业”,并听取报告。(3)复诵:“停止影响进路的调车作业”。确认停止后,报告:“影响进路的调车作业已停止”。停止调车作业时机,按《站细》规定。无影响进路的调车作业时,此项作业省略。4开放信号(12)通知信号员(长):“×(次)、×道停车(通过),开放信号”。听取复诵无误后,命令:“执行”。(4)复诵:“×(次)、×道停车(通过),开放信号”。列车通过时,应办理有关发车作业程序。(13)确认信号正确,应答:“×道进站信号好(了)”[通过时,应答:“×道进、出站信号好(了)”]。(5)开放进站信号,口呼:“进站”,按下始端按钮;口呼:“×道”(正线通过时,口呼:“出站”),按下终端按钮。确认光带、信号显示正确,口呼:“信号好(了)”。三接车5列车接近(6)通过控制台监视信号及进路表示。(14)再次确认信号正确,应答:“×(次)接近”。(7)第二(三)接近铃响、光带变红,再次确认信号开放正确,口呼:“×(次)接近”。计算机联锁设备的接近铃响为语音提示。表1(续)2.1.1.1.1.2作业程序岗位作业技术要求说明事项程序项目车站值班员信号员(长)助理值班员(15)通知助理值班员:“×(次)接近,×道接车”,并听取复诵。(2)复诵:“×(次)接近,×道接车”。动车组、特快旅客列车的通知接车时机,按《站细》规定。三接车6接送列车(3)到《站细》规定地点接车。接通过列车时,眼看、手指出站信号,确认信号开放正确,口呼:“×道出站信号好(了)”。四列车到达︵通过︶7列车到达︵通过︶(8)通过控制台监视进路、信号及列车进(出)站。(4)监视列车进站,于列车停妥后返回。通过列车,于列车尾部越过接车地点,确认列车尾部标志,按规定显示互检信号后返回。(16)应答:“好(了)”。(9)通过控制台确认列车整列进入(通过)接车线,口呼:“×(次)到达(通过)”。(17)对通过列车通知接车站:“×(次)、(×点)×(分)通过”,并听取复诵。(18)填写《行车日志》。(10)对通过列车擦(划)掉占线板(簿)记载。(5)对通过列车擦(划)掉占线板(簿)记载。使用计算机报点系统时,填记“电子《行车日志》”。8报点(19)向列车调度员报点:“×(站)报点,×(次)、(×点)×(分)到(通过)”。使用计算机报点系统时,通过系统报点。3.2发车作业(见表2)表2作业程序岗位作业技术要求说明事项程序项目2.1.1.1.1.3...

1、当您付费下载文档后,您只拥有了使用权限,并不意味着购买了版权,文档只能用于自身使用,不得用于其他商业用途(如 [转卖]进行直接盈利或[编辑后售卖]进行间接盈利)。
2、本站所有内容均由合作方或网友上传,本站不对文档的完整性、权威性及其观点立场正确性做任何保证或承诺!文档内容仅供研究参考,付费前请自行鉴别。
3、如文档内容存在违规,或者侵犯商业秘密、侵犯著作权等,请点击“违规举报”。

碎片内容

接发列车作业程序标准

爱的疯狂+ 关注
实名认证
内容提供者

该用户很懒,什么也没介绍

确认删除?
VIP
微信客服
  • 扫码咨询
会员Q群
  • 会员专属群点击这里加入QQ群
客服邮箱
回到顶部