摘要城市轨道交通作为城市公共交通的骨架,能有效缓解城市交通的压力,而运营计划编制的合理性会直接影响到城市轨道交通功能的实现和作用的...
列车脱轨救援应急演练方案一、目的因目前列车脱轨救援实操演练基本在车辆段进行,与隧道环境完全不同,为提高车站应急保障能力,保障运营生...
16 列车无线调度通信固定设备16.1 一般规定16.1。1 列车无线调度通信系统用于列车调度员、司机、车站值班员、车辆乘务员之间的通话联系,...
列车余煤清扫工程项目考核管理规定1目的1.1为保证列车进煤及翻车机系统运行的秩序化、法律规范化,确保空车出厂不带余煤 ,输煤系统设备...
电子技术课程设计报告书课题名称列车进站控制电路的设计姓 名陈江玲学 号 131250131院、系、部通信与电子工程学院专 业电子科学与技术...
列车冲突事故树分析目录一、简介.......................................................................................................
基于 CBTC 列车的 ATP 安全制动曲线计算模型讨论基于 CBTC 列车的 ATP 安全制动曲线计算模型讨论 摘要:列车的安全性制动分析是列...
课 程 设 计课程名称面对对象程序设计课程设计题目名称列车车票管理系统专业班级2025 级计算机科学与技术学生姓名学 号指导老师二○一...
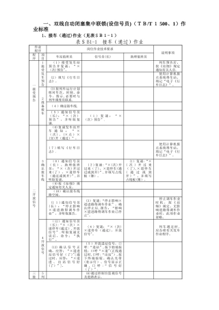
一、双线自动闭塞集中联锁(设信号员)(TB/T 1 500、1)作业标准1、接车(通过)作业(见表 S B1-1)表S B1-1 接车(通过)作业...
列车运行调整的主要方法:1、始发站提前或推迟发出列车。2、根据列车的技术状态、司机驾驶水平和线路允许速度,组织列车加速运行,恢复正点...
列车动载作用下基坑锚索预应力变化规律讨论列车动载作用下基坑锚索预应力变化规律讨论 摘要:石家庄六线隧道明挖基坑与既有京广线近距离并...
列车车轮不圆的评定40 运用控修文章编号:1002—7610(2025)03—0040—07列车车轮不圆的评定AndersJohansson(瑞典)摘要:对几种车轮的不圆度...
列车乘务员实习报告实习是学生在马上工作前的一段培训阶段,是有很重要的意义。实习是把学到的理论知识拿到实际工作中去应用和检验,以锻炼...
从指南针到磁浮列车学案(全章) 沪科版 5(精致教案)第十六章从指南针到磁悬浮列车 第二节 电流的磁场 一、导学目标 、通过对日常...
综采工作面设备列车拉移安全技术措施为了进一步保证综采队在以后工作中能正常推动,需将设备列车定期往前拉移;以及不必要拉移列车时,需先...
综采工作面拉移设备列车安全技术措施一、概况 为了进一步保证综采工作面在以后工作中能正常推动,需将设备列车定期往前拉移;以及不必要拉...
综采工作面回收设备列车安全技术措施一、事由:1031 综采工作面即将进入回收阶段,需将 1031 运输顺槽设备列车进行回收,为确该回收过程...
某煤矿设备列车及电气设备撤除、安装安全技术措施根据伊马煤矿 3101 工作面生产进度情况,定于 2025 年 5 月 6 号,由综采队负责撤...
接发列车业务根底知识1、什么叫接发列车作业程序.答:车站在办理接发列车过程中所进展的办理闭塞、布置进路、开闭信号、交接凭证、接送列车...
110805 工作面拉移设备列车安全技术措施一、施工概况随着 110805 工作面回采持续推动。根据材料顺槽单轨吊管线吊挂情况,我队计划于 8...

