电脑桌面
添加小米粒文库到电脑桌面
安装后可以在桌面快捷访问

支架计算讲义教材VIP免费

支架计算讲义教材_第1页
1/14
支架计算讲义教材_第2页
2/14
支架计算讲义教材_第3页
3/14
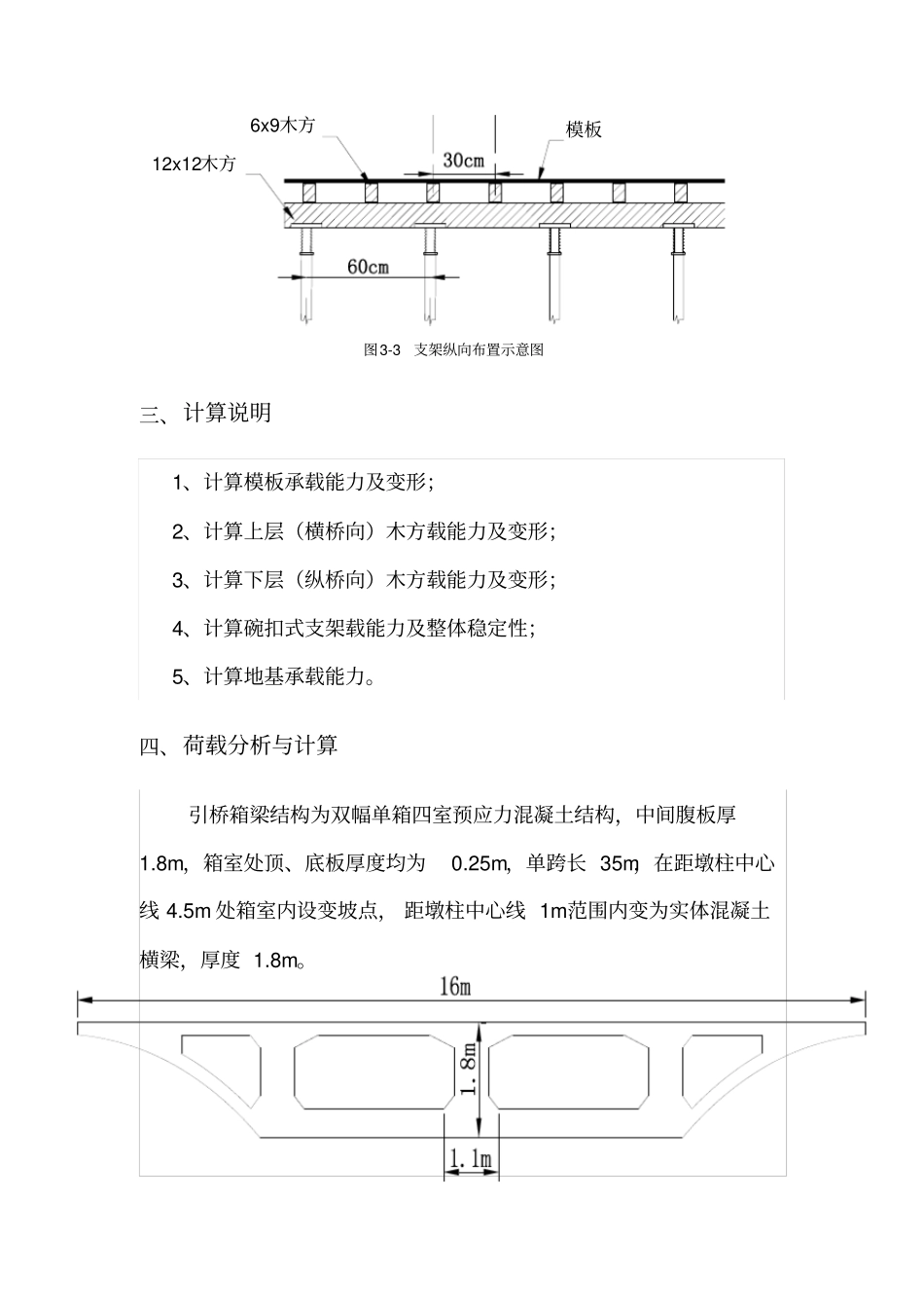
动漫桥引桥现浇箱梁模板、支架方案计算书一、编制依据1、动漫桥设计图纸、地勘报告及现场实际情况;2、国家有关的政策、法规、施工验收规范和现行有关施工技术规范、标准等;3、建设单位、监理单位对本工程施工的有关要求;4、我单位施工类似工程项目的能力和技术装备水平;5、参考《建筑施工扣件式钢管脚手架安全技术规范》、《混凝土工程模板与支架技术》、《路桥施工计算手册》。二、工程概述沈阳市浑河动漫桥引桥被主桥分为南北两座,北岸引桥为一联长5×35=175m;南岸引桥为两联4×35+4×35=280m,引桥总长455m,桥宽32m。引桥箱梁现浇支架采用碗扣式多功能脚手杆搭设,使用与立杆配套的横杆及立杆可调底座、立杆可调托撑,纵桥向步距1.2m布置,横桥向肋板处间距0.6m,其余段间距1.2m。在箱梁底板处支架上方设两层方木作支撑分配梁,下层采用12cm×12cm木方纵桥向布置,上层采用6cm×9cm方木横桥向布置,间距为30cm。模板采用多层木胶板。在箱梁挑檐腹板的曲线段采用预制好木排架,多层木模板压弯出曲线线型,坐于底板模板上,曲线模板按曲线的角度倒角,以保证底板与挑檐混凝土接缝处的混凝土线型。见下图:图3-1支架横向布置示意图图3-2排架外侧面布置示意图护栏6×9cm木方@0.3m木排架@0.3m木桁架0.6m图3-3支架纵向布置示意图三、计算说明1、计算模板承载能力及变形;2、计算上层(横桥向)木方载能力及变形;3、计算下层(纵桥向)木方载能力及变形;4、计算碗扣式支架载能力及整体稳定性;5、计算地基承载能力。四、荷载分析与计算引桥箱梁结构为双幅单箱四室预应力混凝土结构,中间腹板厚1.8m,箱室处顶、底板厚度均为0.25m,单跨长35m,在距墩柱中心线4.5m处箱室内设变坡点,距墩柱中心线1m范围内变为实体混凝土横梁,厚度1.8m。6x9木方12x12木方模板本计算书按最不利荷载考虑进行计算,取箱梁混凝土厚度为1.8m。钢筋混凝土重度按:26KN/m3;1、永久恒载:砼荷载26×1.8=46.8KN/㎡;2、可变荷载:(1)浇注和振捣砼时产生的荷载采取4KN/㎡(泵送);(2)施工人员及设备荷载标准值采取:2KN/㎡;3、安全系数:动荷载取1.4,静荷载取1.2,整体系数取0.9;4、故总荷载:Q=0.9×[1.2×46.8+1.4×(4+2)]=58.1KN/㎡箱梁荷载示意图五、计算模板、支架的刚度要求1、验算模板、支架的刚度时,其变形值不得超过下列数值:(1)结构表面外露的模板,挠度为模板构件跨度的L/400;(2)支架、纵梁收载后挠曲的杆件,其弹性挠度为相应结构的L/400。六、结构内力计算1、所需公式(1)截面惯性矩(mm4)(2)弯矩(N·M)(简支梁)(板)(3)截面抵抗拒(mm3)(4)挠度(mm)(简支梁)(连续梁)(5)容许弯应力[σ](Mpa)26bhW312bhI28qlM210qlM45384qlfEI40.677?100qlfEIMWσ2、材料截面特性(1)模板采用15mm竹胶板,小肋(上层方木)为60×90mm方木,大肋(下层方木)为120×120mm方木,竹胶板取单位宽度(1cm)按三跨连续梁验算,其中E=9×109pa,[σ]=80Mpa,W=bh2/6=10×152/6=375mm3;M=ql2/10;f=0.677×ql4/100EI;I=bh3/12=10×153/12=2.81×103mm4。(2)60×90mm方木(立方)其中E=9×109pa,[σ]=12Mpa,[τ]=1.2Mpa;W=bh2/6=60×902/6=0.81×105mm3;I=bh3/12=60×903/12=3.65×106mm4。(3)120×120mm方木(立方)其中E=9×109pa,[σ]=12Mpa,[τ]=1.2Mpa;W=bh2/6=120×1202/6=2.88×105mm3I=bh3/12=120×1203/12=17.28×106mm43、模板验算小肋间距为30cm,计算时按三连跨连续梁考虑,其计算跨度L为30cm。(1)线荷载设计值为:q=58.1×0.01=0.581KN/m(2)强度验算:弯矩:M=ql2/10=0.581×0.242/10=3.35N·m截面抵抗拒:W=bh2/6=10×152/6=375mm3;则:σ=M/W=3350/375=8.93Mpa<[σ]=80Mp强度满足要求。(3)挠度验算:截面惯性矩:I=bh3/12=10×153/12=2.81×103mm4。f=0.677qL4/100EI=0.677×0.581×2404/(100×9×103×2.81×103)=0.515mm<L/400=240/400=0.6mm。符合要求。30cm30cm30cm受力形式图弯矩形式图4、小肋验算小肋(6×9cm方木)间距30cm,大肋(12×12cm方木)间距为60cm,支点间距为60cm,计算时按三跨连续梁考虑,其中(1)线荷载设计值为:q=58.1×0.3=17.43KN/m(2...

1、当您付费下载文档后,您只拥有了使用权限,并不意味着购买了版权,文档只能用于自身使用,不得用于其他商业用途(如 [转卖]进行直接盈利或[编辑后售卖]进行间接盈利)。
2、本站所有内容均由合作方或网友上传,本站不对文档的完整性、权威性及其观点立场正确性做任何保证或承诺!文档内容仅供研究参考,付费前请自行鉴别。
3、如文档内容存在违规,或者侵犯商业秘密、侵犯著作权等,请点击“违规举报”。

碎片内容

支架计算讲义教材

您可能关注的文档

爱的疯狂+ 关注
实名认证
内容提供者

该用户很懒,什么也没介绍

确认删除?
VIP
微信客服
  • 扫码咨询
会员Q群
  • 会员专属群点击这里加入QQ群
客服邮箱
回到顶部